| BUY NOWBUY NOW | Development Tools | Technical Documents | Video | Features | Kit Contents |
| Kit Overview
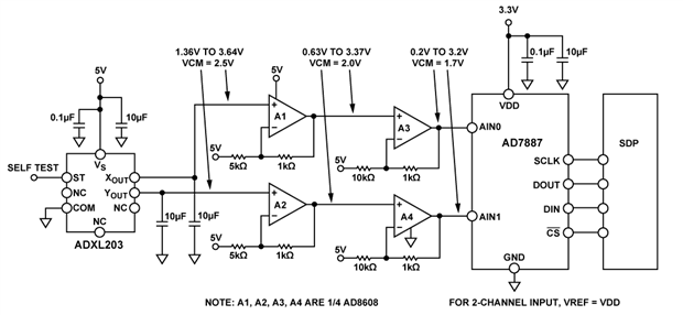
The Evaluation circuit (EVAL-CN0189-SDPZEVAL-CN0189-SDPZ) incorporates a dual axis ADXL203ADXL203 accelerometer and the AD7887AD7887 12-bit successive approximation (SAR) ADC to create a dual axis tilt measurement system.
The ADXL203ADXL203 is a polysilicon surface micro machined sensor and signal conditioning circuit. Acceleration in the X or Y axis will produce a corresponding output voltage on the XOUT or YOUT output pins of the device. The X axis and Y axis are perpendicular to one another. The AD8608AD8608 quad op amp buffers, attenuates, and level shifts the ADXL203CEADXL203CE outputs so they are at the proper levels to drive the inputs of the AD7887AD7887. The rail-to-rail input/output AD8608ARUZ.AD8608ARUZ. is chosen for its low offset voltage (65 μV maximum), low bias current (1 pA maximum), low noise (8 nV/√Hz), and small footprint.
The AD7887AD7887 is configurable for either dual or single channel operation via the on-chip control register. In this application it is configured for dual channel mode, allowing the user to monitor both outputs of the ADXL203ADXL203, thereby providing a more accurate and complete solution.
The system maintains an accuracy of 1° over 90° and over temperature. The circuit provides this precision, performance, and range in a low cost, low power, small footprint, calibration dependent solution.
The evaluation circuit uses the EVAL-CN0189-SDPZEVAL-CN0189-SDPZ circuit board and the EVAL-SDP-CB1ZEVAL-SDP-CB1Z System Demonstration Platform (SDP-B) evaluation board (Should be purchased separately). The two boards have 120-pin mating connectors, allowing for the quick setup and evaluation of the circuit’s performance. The EVAL-CN0189-SDPZ board contains the circuit to be evaluated and the SDP evaluation board is used with the CN-0189 evaluation software to capture the data from the EVAL-CN0189-SDPZ circuit board.
Key Applications: Patient Monitoring, Rollover/Stability Control, Sensors and Sensor Interface | |||||||||||
| ||||||||||||
Development Tools
- PC with a USB port and Windows
XP or Windows Vista
(32-bit), or Windows
7 (32-bit)
- EVAL-CN0189-SDPZEVAL-CN0189-SDPZ circuit evaluation board
- EVAL-SDP-CB1ZEVAL-SDP-CB1Z SDP evaluation board
- Blackfin Processor ADSP-BF527
- USB 2.0 Interface to PC
- JTAG header footprint
- 32MB SDRAM
- 2 x Small Footprint 120 Pin Connectors
- Configurable Peripheral Interfaces - SPI - SPORT - I2C - GPIOs - Parallel - Timers
- CN-0189 evaluation software
- Power supply: +6 V, or +6 V “wall wart” (EVAL-CFTL-6V-PWRZEVAL-CFTL-6V-PWRZ)
Technical Documents
Learning Center
Design Elements
Video
Kit Features
Features of EVAL-CN0189-SDPZEVAL-CN0189-SDPZ evaluation board:
- Incorporates a dual axis ADXL203ADXL203 accelerometer and the AD7887AD7887 12-bit successive approximation (SAR) ADC to create a dual axis tilt measurement system.
- The ADXL203CEADXL203CE is a polysilicon surface micro machined sensor and signal conditioning circuit.
- High performance, single-/dual-axis accelerometer on a single IC chip
- 1 mg resolution at 60 Hz
- Low power: 700 μA at VS = 5 V (typical)
- High zero g bias stability
- High sensitivity accuracy
- X and Y axes aligned to within 0.1° (typical)
- Bandwidth adjustment with a single capacitor
- Single-supply operation
- 3500 g shock survival
The AD8608AD8608 quad op amp buffers, attenuates, and level shifts the ADXL203CEADXL203CE outputs
- AD8605AD8605/AD8608 features Unity gain stable
- Low offset voltage: 65 μV maximum
- Low input bias currents: 1 pA maximum
- Low noise: 8 nV/√Hz
- Wide bandwidth: 10 MHZ
- High open-loop gain: 1000 V/m
- The AD7887AD7887 is configurable for either dual or single channel operation via the on-chip control register.
- Specified for VDD of 2.7 V to 5.25 V
- Flexible power/throughput rate management
- Shutdown mode: 1 μA max
- One or two single-ended inputs
- Serial interface: SPI
/QSPI
/MICROWIRE
/DSP compatible
- The evaluation circuit maintains an accuracy of 1° over 90° and over temperature
Kit Contents
The Analog Devices EVAL-CN0189-SDPZEVAL-CN0189-SDPZ supplied with below contents:
- EVAL-CN0189-SDPZEVAL-CN0189-SDPZ Evaluation Board





