| BUY NOWBUY NOW | Development Tools | Technical Documents | Video | Features | Kit Contents |
![]() | Kit Overview
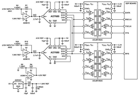
This circuit provides galvanic isolation for high speed, high accuracy, simultaneous sampling analog-todigital conversion applications. The 16-bit AD7685AD7685 PulSAR ADC is versatile and allows monitoring of multiple channels through daisy chaining. An input circuit based on the AD8615AD8615 op amp level shifts, attenuates, and buffers a ±10 V industrial signal to match the input requirements of the ADC. The flexible circuit includes a precision ADR391ADR391 reference and two quadchannel ADuM1402 digital isolators to provide a compact and cost effective solution to a popular industrial data acquisition application.
The AD7685AD7685 is a 16-bit, charge redistribution successive approximation (SAR) analog-to-digital converter (ADC) that operates from a single VDD power supply from 2.3 V to 5.5 V. It contains a low power, high speed, 16-bit sampling ADC with no missing codes, no pipeline delay, an internal conversion clock, and a versatile serial interface port. The ADC also contains a low noise, wide bandwidth, short aperture delay, track-and-hold circuit.
The complete analog signal chain runs on a single 5 V supply. The ADR391BUJZ-R2ADR391BUJZ-R2 low dropout 2.5 V reference and the U13 rail-torail CMOS AD8615 op amp develop the 4.5 V reference voltage for the ADCs.
This circuit uses the EVAL-CN0194-SDPZEVAL-CN0194-SDPZ circuit board and the EVAL-SDP-CB1ZEVAL-SDP-CB1Z System Demonstration Platform (SDP-B) evaluation board. The two boards have 120-pin mating connectors, allowing for the quick setup and evaluation of the circuit’s performance. The EVAL-CN0194-SDPZ board contains the circuit to be evaluated and the SDP evaluation board is used with the CN0194 evaluation software to capture the data from the EVAL-CN0194-SDPZ circuit board.
Key Applications: Electronic Test & Measurement, Programmable Logic Controllers/ Distributed Control Systems | |||||||||||
| ||||||||||||
Development Tools
- PC with a USB port and Windows
XP, Windows Vista (32-bit), or Windows 7 (32-bit)
- EVAL-CN0194-SDPZEVAL-CN0194-SDPZ circuit evaluation board
- EVAL-SDP-CB1ZEVAL-SDP-CB1Z SDP evaluation board
- Blackfin Processor ADSP-BF527
- USB 2.0 Interface to PC
- JTAG header footprint
- 32MB SDRAM
- 2 x Small Footprint 120 Pin Connectors
- Configurable Peripheral Interfaces - SPI - SPORT - I2C - GPIOs - Parallel - Timers
- CN-0194 evaluation software
- Power supply: +6 V, or +6 V “wall wart” (EVAL-CFTL-6V-PWRZEVAL-CFTL-6V-PWRZ)
- Low distortion signal source, such as Audio Precision System Two 2322
Technical Documents
Learning Center
Design Elements
Video
| Video 1 | Video 2 |
|---|---|
Kit Features
Key Features for EVAL-CN0194-SDPZEVAL-CN0194-SDPZ Evaluation Board are as below:
- Provides galvanic isolation for high speed, high accuracy, simultaneous sampling analog-to-digital conversion applications
- The 16-bit AD7685 PulSAR ADC is versatile and allows monitoring of multiple channels through daisy chaining
- Features for AD7685AD7685:
- 16-bit resolution with no missing codes
- Throughput: 250 kSPS
- INL: ±0.6 LSB typical, ±2 LSB maximum (±0.003% of FSR)
- SINAD: 93.5 dB @ 20 kHz
- THD: −110 dB @ 20 kHz
- Pseudo differential analog input range 0 V to VREF with VREF up to VDD
- No pipeline delay
- Single-supply operation 2.3 V to 5.5 V with 1.8 V to 5 V logic interface
- Serial interface SPI
-/QSPI
-/MICROWIRE
-/DSP-compatible
- Daisy-chain multiple ADCs, BUSY indicator
- Power dissipation: 1.4 μW @ 2.5 V/100 SPS, 1.35 mW @ 2.5 V/100 kSPS, 4 mW @ 5 V/100 kSPS
- Standby current: 1 nA
- An input circuit based on the AD8615AD8615 op-amp level shifts, attenuates, and buffers a ±10 V industrial signal to match the input requirements of the ADC
- The flexible circuit includes a precision ADR391ADR391 reference and two quadchannel ADuM1402 digital isolators to provide a compact and cost effective solution to a popular industrial data acquisition application
Kit Contents
The Analog Devices EVAL-CN0194-SDPZEVAL-CN0194-SDPZ kit is supplied with below contents:
- Evaluation Board





