| BUY NOWBUY NOW | Development Tools | Technical Documents | Video | Features | Kit Contents | 
Kit Overview 
 The universal serial bus is rapidly becoming the standard interface for most PC peripherals. It is displacing RS-232RS-232 and the parallel printer port because of superior speed, flexibility, and support of device hot swap. There has been a strong desire on the part of industrial and medical equipment manufacturers to use the bus as well, but adoption has been slow because there has not been a good way to provide the isolation required for connections to machines that control dangerous voltages or low leakage defibrillation proof connections in medical applications. 
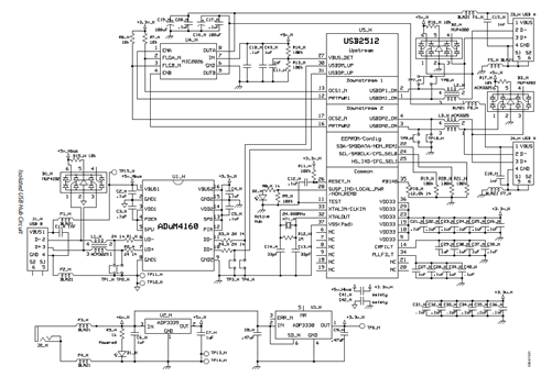
 The goal of the application circuit (EVAL-CN0158-EB1ZEVAL-CN0158-EB1Z) is to isolate a hub as if it were a full speed peripheral device. The hub or host function requires that 2.5 W of power be available to each downstream port. Power to run the downstream side of the isolator and power the hub and ports is provided as part of the solution. 
 In this USB Hub Isolator Circuit (EVAL-CN0158-EB1ZEVAL-CN0158-EB1Z), the ADuM4160ADuM4160 is designed primarily as an isolation element for a peripheral USB device. However, there are occasions when it is useful to isolate a host device. Several issues must be addressed to use the ADUM4160BRWZ.ADUM4160BRWZ. for this application. Whereas the buffers on the upstream and downstream sides of the ADuM4160 are the same and capable of driving a USB cable, the downstream buffers must be capable of adjusting speed to a full or low speed peripheral that is connected to it. 
 Unlike the case of building a dedicated peripheral interface where the speed is known and not changed, host applications must adapt. The ADuM4160ADuM4160 is intended to be hardwired to a single speed via pins; therefore, it works when the peripheral plugged into its downstream side is the correct speed, but it fails when the wrong speed peripheral is attached. The best way to address this is to combine the ADUM4160BRWZ.ADUM4160BRWZ. with a hub controller. 
 The upstream side of a hub controller can be thought of as a standard fixed speed peripheral port that can be easily isolated with the ADuM4160ADuM4160, whereas the speed of the downstream ports is handled by the hub controller. The hub controller converts peripherals of different speeds to match the upstream port speed. 
 Key Applications: Medical and industrial applications  | ||||||||||||
  | ||||||||||||
Development Tools
- USB port hub connection with an upstream-downstream data path
 - ADUM4160BRWZ.ADUM4160BRWZ. isolated USB hub (EVAL-CN0158-EB1ZEVAL-CN0158-EB1Z)
 - ADuM4160 evaluation board (EVAL-ADUM4160EBZEVAL-ADUM4160EBZ)
 - Three USB cables
 - A high speed digital oscilloscope
 
Technical Documents
Learning Center
Design Elements
| Type | Description | 
|---|---|
| Layout | ADI: Layout File for EVAL-CN0158-EB1Z | 
| BOM | ADI: BOM File for EVAL-CN0158-EB1Z Evaluation Board | 
| Simulation Model | ADI: IBIS Model for ADuM4160 (All Speed Grades) | 
Video
Kit Features
- The ADUM4160BRWZ.ADUM4160BRWZ. combines with an SMSC USB2512 two-port USB hub controller for
- directly isolating, in the upstream, the USB D+ and D− lines of a hub chip, allowing the hub to manage the downstream host port activity
 - implementing an automatic scheme for data flow of control that does not require external control lines.
 - providing medical grade isolation
 - allowing creation of one or more host ports that meet the USB-IF certification standards.
 
 - Supporting flexible power configurations
 - Full featured, supporting channel by channel current limiting through a MIC2026-1BMMIC2026-1BM power distribution switch and sufficient offline regulated power to provide 2.5 W to each downstream channel
 - Support peripheral devices running at one of three speeds, low (1.5 Mbps), full (12 Mbps), and high (480 Mbps
 - The peripherals downstream require full cable power to operate
 
Devices Used for the EVAL-CN0158-EB1ZEVAL-CN0158-EB1Z Evaluation Board
Features of ADuM4160ADuM4160 USB Digital Isolator: 
  | Features of ADP3339ADP3339 ANYCAP 
 
 Features of ADP3330ADP3330 ANYCAP 
  | 
Kit Contents
The Anaog Devices EVAL-CN0158-EB1ZEVAL-CN0158-EB1Z supplied with below contents:
- Evaluation Board
 
			    




