| BUY NOWBUY NOW | Development Tools | Technical Documents | Video | Features | Kit Contents |
Kit Overview
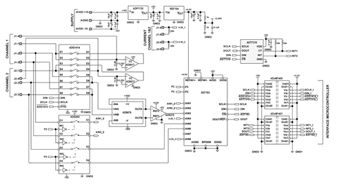
The EVAL-CN0209-SDPZEVAL-CN0209-SDPZ provides a fully programmable universal analog front end (AFE) for process control applications. The following inputs are supported: 2-, 3-, and 4- wire RTD configurations, thermocouple inputs with cold junction compensation, unipolar and bipolar input voltages, and 4 mA-to-20 mA inputs.
Today, many analog input modules use wire links (jumpers) to configure the customer input requirements. This requires time, knowledge, and manual intervention to configure and reconfigure the input. This circuit provides a software controllable switch to configure the modes along with a constant current source to excite the RTD. The circuit is also reconfigurable to set common mode voltages for the thermocouple configuration. A differential amplifier is used to condition the analog input voltage range to the Σ-Δ ADC. The circuit provides industry-leading performance and cost.
Because of the voltage gain provided by the AD8676AD8676 and AD8275AD8275, the design is particularly suitable for small signal inputs, all types of RTDs, or thermocouples. The AD7193AD7193 is a 24-bit Σ-Δ ADC that can be configured to have four differential inputs or eight pseudo differential inputs. The ADuM1400ADuM1400 and ADuM1401ADuM1401 provide all the necessary signal isolation between the microcontroller and the ADC. The circuit also includes standard external protection and is compliant with the IEC 61000 specifications.
This circuit uses the EVAL-CN0209-SDPZEVAL-CN0209-SDPZ circuit board and the EVAL-SDP-CB1ZEVAL-SDP-CB1Z System Demonstration Platform (SDP-B) (Should be purchased separately). The two boards have 120-pin mating connectors, allowing for the quick setup and evaluation of the circuit’s performance. The EVAL-CN0209-SDPZ board contains the circuit to be evaluated and the SDP evaluation board is used with the CN0209 evaluation software to capture the data from the EVAL-CN0209-SDPZ circuit board.
Key Applications: Electronic Test & Measurement, Programmable Logic Controllers/ Distributed Control Systems, Temperature Controllers | ||||||||||||
| ||||||||||||
Development Tools
- PC with a USB port and Windows
XP or Windows Vista
(32-bit) or Windows
7 (32-bit)
- EVAL-CN0209-SDPZEVAL-CN0209-SDPZ Circuit Evaluation Board
- EVAL-SDP-CB1ZEVAL-SDP-CB1Z SDP Evaluation Board
- Blackfin Processor ADSP-BF527
- USB 2.0 Interface to PC
- JTAG header footprint
- 32MB SDRAM
- 2 x Small Footprint 120 Pin Connectors
- Configurable Peripheral Interfaces - SPI - SPORT - I2C - GPIOs - Parallel - Timers
- CN0209 Evaluation Software
- Power supply: +15 V and –15 V
- RTD temperature sensor
- Thermocouple
Technical Documents
Learning Center
Design Elements
Video
| Video1 | Video2 |
|---|---|
Kit Features
Features of EVAL-CN0209-SDPZEVAL-CN0209-SDPZ Evaluation Board:
- The ADG1414ADG1414, a serially controlled octal SPST switch, is used to configure the selected measurement mode.
- Voltage Measurement
- This circuit board supports the measurement of unipolar and bipolar signal ranges up to ±10 V
- The AD8676AD8676 amplifier buffers the inputs before the gain stage.
- The AD8275AD8275 is used to level shift the input signal and provides gain so that it matches the input range of the AD7193BRUZ.AD7193BRUZ..
- The AD8275AD8275 output is biased with a common-mode voltage connected to its REF pin. This voltage is generated by the REF194REF194 precision 4.5 V reference.
- RTD Measurement
- The transducer is a 1000 Ω platinum (Pt) RTD (resistive temperature device)
- The most accurate arrangement is a 4-lead RTD configuration.
The AD8617AD8617 is a dual low noise amplifier so that it can drive both input channels available on the board and is configured as a current source when the RTD measurement mode is selected
- Thermocouple Measurement
- In a thermocouple application, the voltage generated by the thermocouple is measured with respect to an absolute reference, provided externally to the ADC.
The cold junction compensation is implemented using the ADT7310ADT7310 16-bit temperature sensor.
- The signal from the thermocouple is small, and to maximize the dynamic range in the circuit, the AD7193AD7193 is operated at its highest gain range of 128.
- The common-mode voltage for the thermocouple measurement is provided by the AD8617AD8617 amplifier.
- 4 mA-to-20 mA Current Measurement
- Regulator and Reference Selection
- The ADP1720ADP1720 acts as the 5 V regulator.
- The ADP1720 is a high voltage micropower linear regulator particularly suitable for industrial application
- The 4.5 V REF194REF194 acts as the reference and the E-grade device has an initial accuracy ±2 mV at 25°C and a drift of 5 ppm/°C maximum.
- It is a low dropout device and consumes less than 45 μA, with performance specifications over −40°C to +125°C
- The ADP1720ADP1720 acts as the 5 V regulator.
- Isolation
- The ADuM1400ADuM1400 and the ADuM1401ADuM1401 are quad-channel digital isolators based on Analog Devices’ iCoupler
technology.
- These are used to provide isolation between the field side and the system microcontroller, with an isolation rating of 2.5 kV rms
- Four wires are used through the ADuM1400, all for transmit (SCLK, DIN, ADG1414BRUZADG1414BRUZ, ADT7310).
- Four wires are used through the ADUM1401ARWZ.ADUM1401ARWZ.: one for transmit ( AD7193BRUZ.AD7193BRUZ.) and three for receive (INT1, INT2, DOUT). The DIN, DOUT, and SCLK lines are connected to the SPORT interface.
- The ADuM1400ADuM1400 and the ADuM1401ADuM1401 are quad-channel digital isolators based on Analog Devices’ iCoupler
Kit Contents
The Analog Devices EVAL-CN0209-SDPZEVAL-CN0209-SDPZ supplied with below contents:
- Evaluation Board





