| BUY NOWBUY NOW | Development Tools | Technical Documents | Video | Features | Kit Contents |
Kit Overview
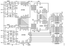
Lithium ion (Li-Ion) battery stacks contain a large number of individual cells that must be monitored correctly in order to enhance the battery efficiency, prolong the battery life, and ensure safety. The 6-channel AD7280A devices in the EVAL-CN0235-SDPZEVAL-CN0235-SDPZ circuit act as the primary monitor providing accurate voltage measurement data to the System Demonstration Platform (SDP-B EVAL-SDP-CB1ZEVAL-SDP-CB1Z) evaluation board, and the 6-channel AD8280AD8280 devices act as the secondary monitor and protection system. Both devices can operate from a single wide supply range of 8V to 30V and operate over the industrial temperature range of −40°C to +105°C.
The AD7280AAD7280A contains an internal ±3 ppm reference that allows a cell voltage measurement accuracy of ±1.6 mV. The ADC resolution is 12 bits and allows conversion of up to 48 cells within 7 μs. The AD7280A has cell balancing interface outputs designed to control external FET transistors to allow discharging of individual cells and forcing all the cells in the stack to have identical voltages.
The AD7280AAD7280A and AD8280AD8280, which reside on the high voltage side of the battery management system (BMS) have a daisychain interface, which allows up to eight AD7280A’s and eight AD8280’s to be stacked together and allows for 48 Li-Ion cell voltages to be monitored. Adjacent AD7280A's and AD8280’s in the stack can communicate directly, passing data up and down the stack without the need for isolation.
The master devices on the bottom of the stack use the SPI interface and GPIOs to communicate with the SDP-B evaluation board, and it is only at this point that high voltage galvanic isolation is required to protect the low voltage side of the SDP-B board. The ADuM1400ADuM1400, ADuM1401ADuM1401 digital isolator, and the ADuM5404 isolator with integrated dc-to-dc converter combine to provide the required eleven channels of isolation in a compact and cost effective solution. The ADuM5404 also provides isolated 5 V to the VDRIVE input of the lower AD7280A and the VDD2 supply voltage for the ADuM1400 and ADUM1401ARWZ.ADUM1401ARWZ. isolators.
This circuit uses the EVAL-CN0235-SDPZEVAL-CN0235-SDPZ circuit board and the EVAL-SDP-CB1ZEVAL-SDP-CB1Z System Demonstration Platform (SDP-B) evaluation board. The two boards have 120-pin mating connectors, allowing for the quick setup and evaluation of the circuit’s performance. The EVAL-CN0235-SDPZ board contains the circuit to be evaluated and the SDP-B evaluation board is used with the CN0235 evaluation software to capture the data from the EVAL-CN0235-SDPZ circuit board.
Key Applications: Battery Management, Metering & Energy Monitoring, Power Supplies | ||||||||||||
| ||||||||||||
Development Tools
- PC with a USB port and Windows
XP or Windows Vista
(32-bit), or Windows
7 (32-bit)
- EVAL-CN0235-SDPZEVAL-CN0235-SDPZ circuit evaluation board
- EVAL-SDP-CB1ZEVAL-SDP-CB1Z SDP-B evaluation board
- Blackfin Processor ADSP-BF527
- USB 2.0 Interface to PC
- JTAG header footprint
- 32MB SDRAM
- 2 x Small Footprint 120 Pin Connectors
- Configurable Peripheral Interfaces - SPI - SPORT - I2C - GPIOs - Parallel - Timers
- CN0235 SDP evaluation software
- Power supply: +6 V (EVAL-CFTL-6V-PWRZEVAL-CFTL-6V-PWRZ) or +6 V “wall wart”
- Li-Ion batteries or precision dc supply
Technical Documents
Learning Center
Design Elements
| Type | Description |
|---|---|
| Schematics | ADI: Schematics for EVAL-CN0235-SDPZ Evaluation Board |
| Layout | ADI: Layout for EVAL-CN0235-SDPZ |
| BOM | ADI: Bill Of Material (BOM) for EVAL-CN0235-SDPZ Evaluation Board |
Video
Kit Features
Devices Used for the EVAL-CN0235-SDPZ Evaluation Board | |
|---|---|
Key Features for ADuM1400ADuM1400:
| Key Features for AD7280AAD7280A:
|
Key features for AD8280AD8280:
| Key Features for ADuM5404:
|
Kit Contents
The Analog Devices EVAL-CN0235-SDPZEVAL-CN0235-SDPZ kit is supplied with below contents:
- Evaluation Board





