Hi there,
I am creating a pcb. Originally, I was going to make all off these by hand, but decided to change my mind for time reasons and as there is VAC involved, so i need to be extra careful.
I have the circuit tested and it works, it is on a plastic lid within a box whilst I am stress testing it. The goal is to make a pcb which will switch a dual latch relay.
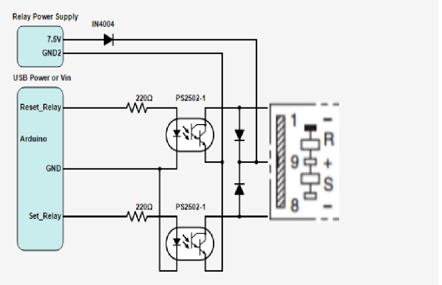
This is my diagram I am using:
This is what I have done as far as a schematic is concerned. It is almost although but not quite.
This is what I have done as far as designing the board:
I am open to any tips or suggestions. I also just had a couple of questions.
1. Do i have to try and find the actual name of the resistors and diodes that I will solder in or for small components like that, do the PCB makers sometimes add them. For example, can I ask for a small generic resistor taht is 220 ohms (so that it fits better than if I soldered a resistor between two points.
2. I have a feel that I can solve the arduino ground and the relay ground issues with something thats called a ground plane. How would I do this? If this was a 1 layer board, would I just make the bottom side the ground plane or something. I am not sure how this works.
3. I measured out and created my dual altch relay part except I am not sure if i have done it correctly. The rectangle isnt accurate, but all of the relay pins should be correctly placed. However, it wont let me move the relay within the schematic or the board. I am not sure why.
4. For the optocouplers I used a design i found within the libraries and renamed it to have the same name of the opto I have in bulk. Should i create a custom piece for my optocouplers or are they all similar size and I can just use what I have.
5. Should I set it out a different way?
6. Those diodes are hard to place, is there any smaller ones that will function the same that people would recommend.
7. MOST IMPORTANT***
I need some AC lines for the relay. They run sideways, so each relay state has 2 pins. 2 for NO 2 for NC and 2 for....the third one. what is the best way to do this so it is safe and efficient? The goal is to run AC lines into say a 3 point screw terminal thingy.
Thank you in advance for your time. My smart house is upon me.
Mikie


