LinkSwitch-II isolated 4.2 LED driver

Operation
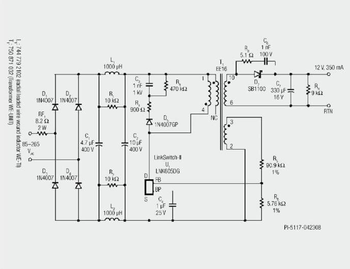
Figure 3.269 provides the schematic for a universal input, 12 V, 350 mA CV/CC power supply using the LinkSwitch-II product LNK605DG (U1) in a flyback configuration. Typical applications include LED drivers or battery chargers requiring a CV/CC output characteristic. Integrated circuit U1 consists of a power switching device, an oscillator, a CV/CC control engine, and startup and protection functions. The CV feature provides output overvoltage protection (OVP) in case any LEDs have open-circuit failures.
Diodes D1, D2, D3, and D4 rectify the AC input, which gets filtered by bulk storage capacitors C1 and C2. Inductors L1 and L2, with capacitors C1 and C2, form pi (π) filters which attenuate differential-mode EMI. This configuration, along with Power Integrations “transformer E-Shield” technology, enables compliance to EMI standard EN55015 class B, with 10 dB margin, without the need for a Y capacitor. Resistors R1 and R2 dampen ringing and improve EMI immunity. Fusible, flameproof resistor RF1 limits inrush current.
Device U1 is completely self-powered from the BYPASS (BP) pin and decoupling capacitor C4.
Fig 3.269 Schematic of a 4.2 W LED driver using LNK605DGLNK605DG
One side of T1’s primary winding receives the rectified, filtered input. The MOSFET in U1 drives the other side of the primary. The RCD-R clamp formed by D5, R3, R4, and C3 limits any drainvoltage spikes caused by leakage inductance. Traversing from no load to full load, the controller within U1 first operates in the CV region, where it regulates the output voltage by ON/OFF control. It maintains the output voltage level by skipping switching cycles as needed, and maintains regulation by adjusting the ratio of enabled cycles to disabled cycles. This also optimizes the efficiency of the converter over the entire load range. At light loads the current limit is reduced to decrease the transformer flux density, which reduces audible noise and switching losses. As the load current increases, the current limit also increases, resulting in 80 fewer and fewer cycles being skipped.
Once U1 detects the maximum power point (i.e., the controller 60 stops skipping cycles), the controller enters CC mode. Any further increase in demand for load current causes the output voltage to drop. This drop in output voltage, detected on the FB pin, causes the switching frequency to be linearly reduced, ensuring constant output current.
Diode D7 (a Schottky-barrier diode chosen for efficiency) rectifies the secondary output while C7 filters it. Capacitor C7 has a low ESR which enables the circuit to meet the required output voltage ripple requirement without using an LC post filter. Resistor R8 and capacitor C6 reduce high-frequency conducted and radiated EMI.
Fig. 3.270: Full load efficiency
Key Design Points
The IC package provides extended creepage distance between high and low voltage pins (at both the package and the PCB), required in very humid or polluted environments to prevent arcing and to further improve reliability.
• Place C4 as close to the BYPASS pin as possible!
• Feedback resistors R5 and R6 have 1% tolerance values to assist in centering both the nominal output voltage and the CC regulation threshold tightly.
• The bias winding is optional (not used in this design), and lowers no-load power consumption as well as increase high input line efficiency.
Fig. 3.271: Conducted EMI, 230 VAC Input, EN55015 B Limits, Output RTN Connected to PE
III ApplicationsTransform
| Transformer parameters | |
| Core material | PC44, gapped for ALG of 139 nH/t2 |
Bobbin | Horizontal, 10 pins, EE16 |
Winding details | Shield: 16T x 2, 32 AWG Primary: 100T, 33 AWG Feedback: 13T, 24 AWG Secondary: 14T, 24 TIW |
Winding order | Shield (1-NC), Primary (4–1), Feedback (3–2), Secondary (10–6) |
Primary inductance | 1,545 mH, ±10% |
Primary resonant frequency | 500 kHz (minimum) |
Leakage inductance | 70 μH (maximum) |
Transformer Parameters: (AWG = American Wire Gauge, TIW = Triple Insulated Wire, NC = No Connection) | |
Tab. 3.20: Transformer parameters
-Application Notes & Technical Reports-
-follow us on element14-

