The Forward Converter Basic Construction and Function | ![]() |
Figure 3.179 shows the basic construction of a forward converter. Whereas the energy is temporarily stored with the flyback converter before it is transferred to the secondary side, in the forward converter, energy is transferred directly between the primary and secondary sides.
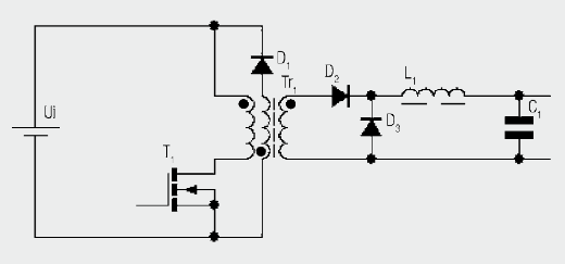
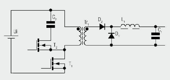
Fig. 3.179: Circuit diagram of a forward converter
As an aid for understanding, the individual switching states in the steady state system are examined. With the switch T1 closed, there is the same polarity at both dots of the transformer circuit diagram so that the diode D2 is conducting. In accordance with the function of the transformer (Chapter I/1.9) the current transformed from the secondary side flows on the primary side and the linearly increasing magnetizing current.
The transformed input voltage is applied to the secondary winding. This serves to charge the choke. A linearly increasing current flows through the choke and the load.
If the switch T1 is now opened, the current cannot continue to flow on the primary side. The polarity in the magnetic components reverses so that D2 is blocked on the secondary side. The choke L1 now transfers the stored energy to the load (or the output capacitor) via D3. The current through the choke again decreases linearly.
The core of the transformer has been magnetized by the magnetization current. The remanence of the core material would cause the core to saturate within a few switching cycles. So it has to be demagnetized after each switching period. Various techniques have been used for this purpose. The simplest option is presented in Figure 3.179. During the shutdown phase the magnetizing current is fed back via diode D1 through the auxiliary winding. The number of turns used for the auxiliary winding is usually the same as that used for the primary winding. This means that the same time is required for demagnetization as for magnetization. The converter can therefore be driven at a maximum duty cycle of 50%.
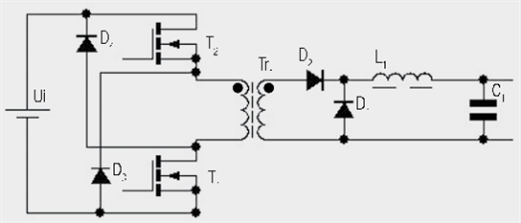
Further possibilities for demagnetization are presented by the forward converter with two switches (two-switch forward) (Figure 3.180) and the forward converter with active clamping (active-clamp forward) (Figure 3.181). In the case of the two-switch forward, the core is demagnetized via both diodes so that no auxiliary winding is required. For the active-clamp forward, the capacitor on the transformer generates a higher negative voltage, so that the demagnetization is achieved in a shorter time. This means that duty cycles higher than 50% are possible.
Fig. 3.180: Circuit diagram of a 2-switch forward converter
Fig. 3.181: Circuit diagram of a forward converter with active clamping
Additional means of demagnetization are presented by Severns (2000).
Transformer design and defining inductance
As previously mentioned, the forward converter behaves like a step-down converter with pre-switched voltage transformation. The following relationship is therefore given between the turns ratio and the duty cycle:
The number of primary turns can be defined for a particular core with the main transformer formula:
The effective currents through the transformer are given by:
This allows the wire thickness for the windings and the copper losses to be determined. Another auxiliary winding may have to be fitted depending of the demagnetization circuit. As it is only the magnetizing current that flows through it here, a relatively fine wire is sufficient. The same approach is taken towards dimensioning the output choke as with the step-down converter. The same relationship exists between the ripple, frequency and inductance:
The effective current through the choke is equal to the output current. The peak value is equivalent to the output current plus half the ripple current:
Ieff,L = effective current through the choke
A standard inductance can now be selected with these data.
-Application Notes & Technical Reports-
-follow us on element14-










