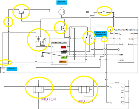
What do I need?
I am told that I need some transitors. I have a 12v powerpack and 2 x12v motors. How do I set this up so that I don't blow-up the RPi and that I can control the motors through the GPIO?
I have a gertboard on the way but I would like to see if I can do it without it first.
I have little knowlegde about transitors and electronics but I do know how to build circuits.








