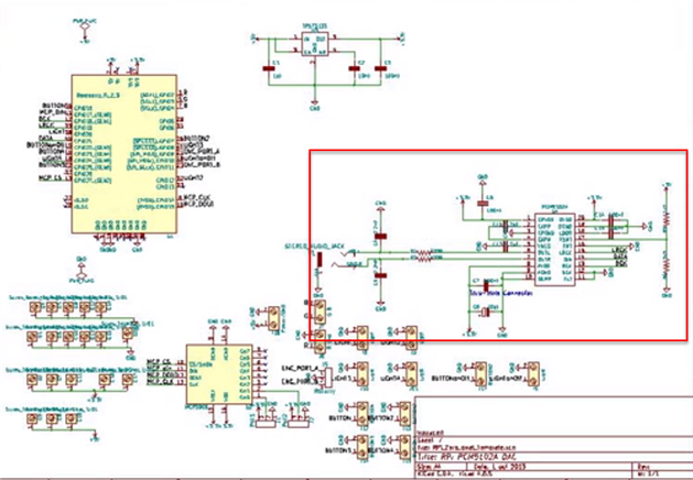
Hi all! I'm new to Raspberry Pi and am interested in using it musically and making travel and performance much easier. Have you guys seen this audio HAT on Kickstarter? It seems nice but I am wondering what others think and ways you think I would be able to use it. Any feedback is appreciated!






