Introduction
The modulation capability of the instrument virtually turns the instrument into a voltage amplifier with gains of 0.5, 1 or 2. As previously shown in the regulation tests, during modulation the instrument samples the input signal at 1 kHz. To show the modulation feature applied to a more realistic application I decided to use it to build a temperature control system
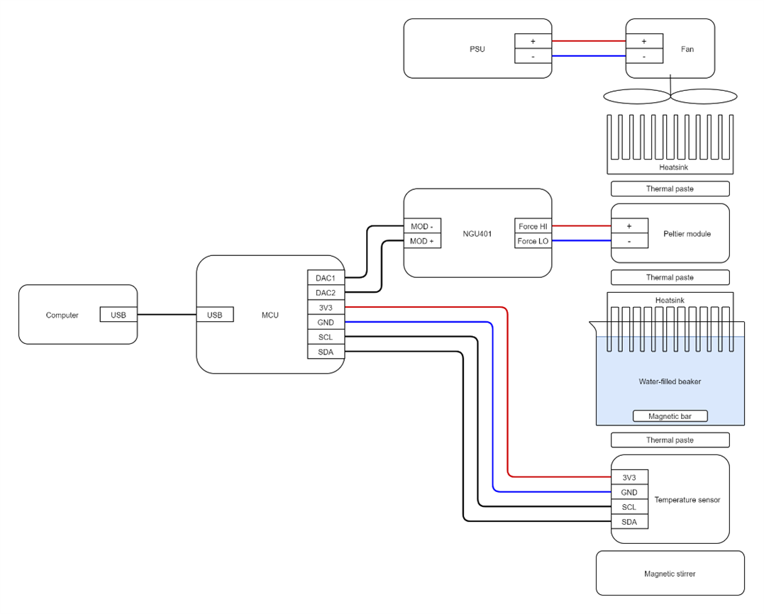
Setup
The system was made of a beaker filled with ~300 ml of water whose temperature was regulated with a Peltier device that was sandwiched between two heatsinks. One heatsink was submerged into water to transfer heat from or to the water, while the other was kept at ambient temperature through forced convection. The temperature was measured at the bottom of the beaker with a TI TMP116N sensor, which was connected through I2C to an ESP32. The ESP32 read the temperature and based on the reading and the setpoint generated through a pair of DACs the analog output that was fed into the SMU modulation input. Depending on which MCU DAC port was set to 0, the ESP32 was able generate positive and negative voltages. This was specially important because what side of the Peltier cools and what side heats depends on the voltage polarity. As the DAC voltage could only go from 0 to ~3.05 V, I set the SMU modulation gain to 2, so that I could source ~-6.1 V to ~+6.1 V (which still was a bit low). The beaker temperature gradient was kept low by stirring the water with a magnetic stirrer that was used to rotate a magnetic bar within the beaker. The generated rotating magnetic field did not cause any false reading when used at its lowest rotational speed. To record the temperature and the setpoint data I connected the MCU to a computer, which logged the data with Tera Term (an open source terminal program).
Results
To test the performance of the PI controller I increased and decreased the setpoint temperature by 5 ºC within the 15 ºC and 30 ºC range every 30 min. After a bit of tweaking of the proportional and integration constants I was able to get the following result:
As it can be seen, there still was some overshooting, but it was never my intention to tweak the system to its optimum.
Conclusions
The modulation operation mode has the potential to be used in many creative ways, and makes it possible to control the voltage of the instrument without SCPI commands. Here I used an MCU to regulate the temperature of a water-filled beaker, but the control system could also have been implemented in a completely analog way, as long it could be correctly sampled at 1 kHz. This feature turns the SMU into an amplifier that can be easily interfaced to analog circuits.
			    


Top Comments