Introduction
DC-DC converters are devices that convert a source at one DC voltage into another. They can be classified in many ways, such as between linear and switching, step-up and step-down, based on their topology, and so on.
Depending on the application one may prioritize different figures of merit. For instance, for IoT applications the efficiency is one of the most critical figures, as it affects the life of the battery, while for other applications, the quality of the output could be more important. These two figures can be relevant when deciding what type of converter to use, a switching regulator offers high efficiency but a noisier output, while a linear converters sacrifices efficiency for higher quality output.
In this post I will show how I measured the efficiency and output voltage of a step-down converter using a Rhode & Schwarz NGU401 and a Keithley 2450.
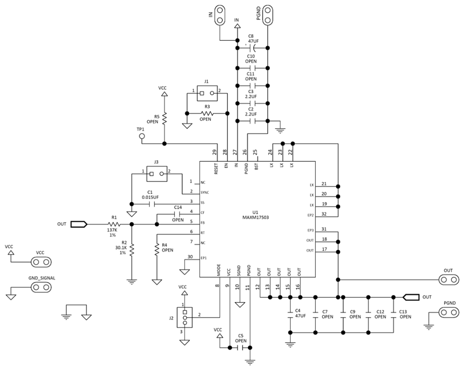
Maxim Integrated MAXM17503
The Maxim Integrated MAXM17503 is synchronous step-down DC-DC power module. It operates at input voltages of 4.5 V to 60 V, can deliver up to 2.5 A and can reach efficiencies higher than 90%. The module can be configured to operate in 3 modes: pulse-width modulation (PWM), pulse-frequency modulation (PFM) and discontinuous conduction mode (DCM).
The PWM mode has low efficiency at light currents, but switches at a constant frequency. This is useful in applications sensitive to switching frequency changes.
The PFM mode is efficient at very light loads, but at the cost of a lower quality of the output. It also does not keep the switching frequency constant.
The DCM mode features constant frequency switching and provides a light load efficiency in-between the PWM and PFM mode.
To evaluate the MAXM17503 I used the MAXM17503EVKIT evaluation kit, which is a kit that configured to operate at a switching frequency of 500 kHz and to produce a 5 V output. The kit provides configuration jumpers and makes it possible to test the IC on PWM, PFM and DCM operation modes (J2).
The evaluation kit datasheet provides efficiency and Vout plots for different Vin, Iout and modes of operation.
Even though the datasheet plots show the efficiency and Vout at different conditions, they still have some shortcomings:
- The Iout scale is linear, so it is hard to visualize what occurs at very low currents.
 - The efficiency at Iout < ~100 mA is not plotted.
 - It is not clear what happens at Vin values not shown in the plots (i.e., <12 V or >48 V).
 - The poorly selected Vout scale makes it impossible to compare the effect of Vin in the PWM and DCM modes. These plots also do not show if there are any differences between these two modes.
 
Let’s make some measurements to get a better picture of how the operation mode, Vin and Iout affect efficiency and Vout.
Measuring Setup
The efficiency and voltage output of the device can be easily measured with a power supply and an electronic load, but this approach does not provide much current dynamic range. By adding more instruments and complexity it is possible to overcome these limitations, but probably the easiest way is with a pair of SMUs.
To make the measurements I will use the Rhode & Schwarz NGU401 and a Keithley 2450. The 2 SMUs have different current and voltage limits, so its important to check that to decide which one should source and which one should sink.
The voltage limits are ±20 V (⩽ 3A) for the NGU401 and ±200 V (⩽ 0.1 A) for the 2450. While the current limits are ±8 A (⩽ 6 V) for the NGU401 and ±1 A (⩽ 20 V) for the 2450.
Considering that the MAXM1703EVKIT can source up to 2.5 A, it made sense to use the NGU401 as a sink and the 2450 as a source.
To get accurate measurements at high currents, the device was connected using 4-wire connections at the input and output.
SMU Control
Both SMUs can be programmed to perform sweeps automatically, but I decided to program the controller to perform the sweeps manually, to keep the synchronization of the instruments simple.
I wrote the control program in Python and used PyVisa to control the SMUs. The program swept Vin from 6 V to 20 V and at Iout from 25 µA to 2.5 A.
Vin was swept in the inner loop and Iout in the outer loop so that the power consumption changed slowly (as it depends on Iout). Vin was swept linearly and Iout exponentially using 50 steps for each sweep. I gave 2 s to the instruments to change sourcing/sinking settings and stabilize the control loop. The measured data was stored in a file for offline analysis.
Characterization
The electrical efficiency is defined as:
Where η is the efficiency, Pin the supplied electrical power and Pout the output electrical power.
Let’s take a look at the efficiency plots:
As expected, the PFM mode has the highest efficiency, followed by the DCM and PWM mode. At Vin close to 6 V, the DCM efficiency is almost identical to the PWM mode efficiency, but as Vin rises the efficiency difference between the two modes increases. The efficiency of the PFM mode on the other hand tends to be much higher for almost any Vin, Iout point.
Not all regions could be probed, the regions in white could not be sourced because they require Iin > 1 A.
One limitation of the efficiency plot is that it does not show if at some point Pin stops decreasing as Iout decreases. To get a better picture on what happens at very low currents I plotted the Pin.
For all operation modes Pin tended to reach a minimum as Iout decreased. This minimum was reached at ~5 mA in the PWM, at ~200 µA in the DCM and at ~75 µA in the PFM mode. The minimum reached was also not identical for every mode, for the PWM Pin was in the order of 10s and 100s of mW, for the DCM in the order of 10s of mW, and for the PFM mode in the order of just a few mW.
Finally, let’s take a look at Vout:
For the PWM and DCM mode the Vout deviation was minimal, while for the PFM mode it varied up to ~100 mV.
Conclusion
A second NGU401 SMUs would have allowed me to test the complete operational range below 20 V and made the programming of the SMUs easier (as the 2450 and NGU401 are programmed differently). But as resources are usually limited, one has to figure out how to make the best of what one's got. Here I showed how 2 very different SMUs could "work together" to characterize a step-down converter. A key factor to get the most of the instruments is to understand well their capabilities. Had I used the NGU401 as source and the 2450 as sink the regions that I would have been able to probe would have been completely different.
The MAXM17503EVKIT supports a Vin up to 60 V and a Iout up to 2.5 A, so I was not able to test it on its full range of capabilities. I chose to evaluate it below 20 V because above 20 V the 2450 can only source up to 100 mA. But even below the 20 V not all regions could be evaluated as at high Iout and low Vin the the 2450 hit its 1 A current limit.
			    






