element14 Community
element14 Community
    Register Log In
  • Site
  • Search
  • Log In Register
  • Community Hub
    Community Hub
    • What's New on element14
    • Feedback and Support
    • Benefits of Membership
    • Personal Blogs
    • Members Area
    • Achievement Levels
  • Learn
    Learn
    • Ask an Expert
    • eBooks
    • element14 presents
    • Learning Center
    • Tech Spotlight
    • STEM Academy
    • Webinars, Training and Events
    • Learning Groups
  • Technologies
    Technologies
    • 3D Printing
    • FPGA
    • Industrial Automation
    • Internet of Things
    • Power & Energy
    • Sensors
    • Technology Groups
  • Challenges & Projects
    Challenges & Projects
    • Design Challenges
    • element14 presents Projects
    • Project14
    • Arduino Projects
    • Raspberry Pi Projects
    • Project Groups
  • Products
    Products
    • Arduino
    • Avnet & Tria Boards Community
    • Dev Tools
    • Manufacturers
    • Multicomp Pro
    • Product Groups
    • Raspberry Pi
    • RoadTests & Reviews
  • About Us
    About the element14 Community
  • Store
    Store
    • Visit Your Store
    • Choose another store...
      • Europe
      •  Austria (German)
      •  Belgium (Dutch, French)
      •  Bulgaria (Bulgarian)
      •  Czech Republic (Czech)
      •  Denmark (Danish)
      •  Estonia (Estonian)
      •  Finland (Finnish)
      •  France (French)
      •  Germany (German)
      •  Hungary (Hungarian)
      •  Ireland
      •  Israel
      •  Italy (Italian)
      •  Latvia (Latvian)
      •  
      •  Lithuania (Lithuanian)
      •  Netherlands (Dutch)
      •  Norway (Norwegian)
      •  Poland (Polish)
      •  Portugal (Portuguese)
      •  Romania (Romanian)
      •  Russia (Russian)
      •  Slovakia (Slovak)
      •  Slovenia (Slovenian)
      •  Spain (Spanish)
      •  Sweden (Swedish)
      •  Switzerland(German, French)
      •  Turkey (Turkish)
      •  United Kingdom
      • Asia Pacific
      •  Australia
      •  China
      •  Hong Kong
      •  India
      •  Japan
      •  Korea (Korean)
      •  Malaysia
      •  New Zealand
      •  Philippines
      •  Singapore
      •  Taiwan
      •  Thailand (Thai)
      •  Vietnam
      • Americas
      •  Brazil (Portuguese)
      •  Canada
      •  Mexico (Spanish)
      •  United States
      Can't find the country/region you're looking for? Visit our export site or find a local distributor.
  • Translate
  • Profile
  • Settings
RoadTests & Reviews
  • Products
  • More
RoadTests & Reviews
RoadTest Forum re: Why Wasn't There More Interest: Silicon Labs Bluetooth Design Kit
  • Blogs
  • RoadTest Forum
  • Documents
  • RoadTests
  • Reviews
  • Polls
  • Files
  • Members
  • Sub-Groups
  • More
  • Cancel
  • New
Join RoadTests & Reviews to participate - click to join for free!
Actions
  • Share
  • More
  • Cancel
Forum Thread Details
  • Replies 46 replies
  • Subscribers 2662 subscribers
  • Views 5414 views
  • Users 0 members are here
  • scasny
Related

re: Why Wasn't There More Interest: Silicon Labs Bluetooth Design Kit

rscasny
rscasny over 6 years ago

This one puzzles me. I only received 19 applications for this roadtest: Silicon Labs Bluetooth Design Kit

 

I'm not sure why I received a low level of interest.

 

Any Idea why?

  • Sign in to reply
  • Cancel

Top Replies

  • rscasny
    rscasny over 6 years ago in reply to station240 +9
    Paul, I appreciate your participating in the discussion. But let's keep it professional and avoid calling people names. People are chosen based upon their application, as well as their participation in…
  • thebluephoenix
    thebluephoenix over 6 years ago +8
    I think majorly it was because - - its based on 8051, which many might consider antique. Well, they are ignoring the fact that silicon labs has made it so much more faster, i can't wait to test it. - its…
  • michaelkellett
    michaelkellett over 6 years ago in reply to kas.lewis +8
    I think some of your responses to Gough are, to put it mildly, somewhat intemperate. You can disagree with him (and me) without being rude. Actually I think Gough's post is pretty much spot on - to do…
  • michaelkellett
    michaelkellett over 6 years ago

    One reason I can think of is that the Bluetooth module is paired with the support board which is based on an 8051 processor.

    This isn't exactly mainstream.

    8051s were OK in their day and the Silabs ones are quite quick (for an 8051) but they not in the same league as modern ARM based parts like ST's STM32Gxx or STM32Lxx (or even SIlabs' ARM based parts.)

     

    MK

    • Cancel
    • Vote Up +4 Vote Down
    • Sign in to reply
    • Cancel
  • shabaz
    shabaz over 6 years ago

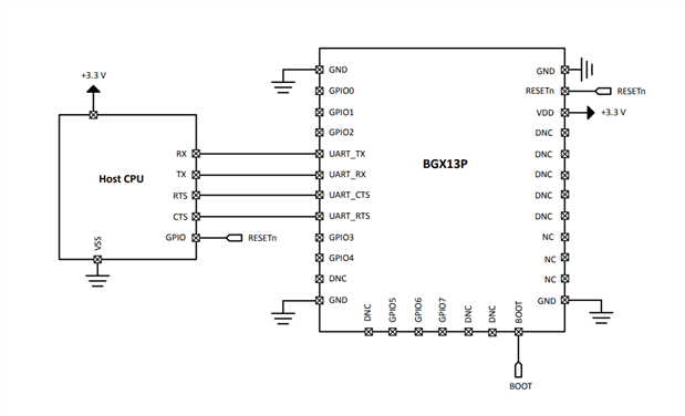
    BLE is a great problem-solver, and this kit seems ideal for those wanting to use BLE in an easy way.

    Maybe people didn't understand, that this kit contains a module that has a simplified connection (UART) that can be connected to (say) existing microcontrollers, to extend a design into something that is BLE-capable. The module even looks hand-solderable.

    image

    As well as new products, it has great applications to retrofit BLE into products - e.g. if a customer now wants to have configurability via a PC or mobile. Can't stand products with awkward button-press combinations to configure them... I have a speaker/mic for my PC/phone, this should be a trivial product, but it is so complicated to remember the button-press combinations (and how long to press buttons for), I had to write and print an instruction sheet and stick it to the back of it..

    • Cancel
    • Vote Up +6 Vote Down
    • Sign in to reply
    • Cancel
  • shabaz
    shabaz over 6 years ago in reply to michaelkellett

    I reckon it would have got a lot more interest if they'd designed the board to plug on an Arduino or something.

    Right now, people would have to want to use both boards (or recognise that the Bluetooth board can be paired with whatever their favourite microcontroller is).

    • Cancel
    • Vote Up +5 Vote Down
    • Sign in to reply
    • Cancel
  • BigG
    BigG over 6 years ago in reply to shabaz

    Exactly.

     

    This is an established segment within BLE modules whereby they operate in this particular way, i.e. via an AT command set or equivalent and they typically act as a wireless serial bridge. Some examples:

    Laird Connectivity do it with their modules: https://www.lairdconnect.com/wireless-modules/bluetooth-modules

    some of the Microchip BLE modules e.g. RN4870/1 https://www.microchip.com/wwwproducts/en/RN4871

    Adafruit do it with their Bluefruit module https://www.adafruit.com/product/2633

     

    Another thing worth noting is that Silicon labs have also launched a new range of BLE 5.1 devices which can be developed using their IDE (I believe you can modify this device or the accompanied board's firmware using same IDE). So I view it as a good way to get started with their products and development ecosystem.

    • Cancel
    • Vote Up +5 Vote Down
    • Sign in to reply
    • Cancel
  • Gough Lui
    Gough Lui over 6 years ago

    I suspect one of the reasons is that with any of these sorts of development boards, for people who may not be familiar with the toolchain, APIs and IDE used by a given company's products, it can be a rather steep learning curve that takes quite a bit of time. Depending on the value of the product to their needs, this time investment might not be justified, especially if they have a lot of other things going on - e.g. for academics such as myself, it's basically the middle of grant application season (amongst other distractions). After the amount of head-scratching I did for the last BLE-board I reviewed (Cypress EZ-BT Mesh), I'm not sure I'm quite the right person to take on the challenge either ...

     

    - Gough

    • Cancel
    • Vote Up +3 Vote Down
    • Sign in to reply
    • Cancel
  • easyejl
    easyejl over 6 years ago

    I had pondered it, but already had/have too much else going on. I also couldn't come up with a really specific cool testing/usage scenario that would be something I'd want to make anyway, which sort of is my requirement to apply. If I don't have something i'd want to build for myself using it anyway, it's a bit more likely I won't put the time I need into it being thorough.

    • Cancel
    • Vote Up +3 Vote Down
    • Sign in to reply
    • Cancel
  • 14rhb
    14rhb over 6 years ago

    I ponder for you this question....

     

    I saw this appear for roadtesting and thought about applying. Straight away that sounds a bit undecided doesn't it?

     

    The reason I had reservations is eluded to by Gough Lui regarding the steep learning curve. I've roadtested a few boards now and it can be quite random whether the experience is a fun, learning activity with a great outcome or something filled with trouble and plenty of investigation and nights of worry, finally ending in an embarrassing write up. Obviously I'd expect this Silicon Labs to be the former case image. It is that uncertainty, even after reading the great promotional videos and literature whilst preparing an application, that has made me sit on the fence for this roadtest. Whilst sitting on the fence I ended up doing the Maxim MAX32650-EVKIT which has turned out to be a great bit of fun (roadtest report to follow soon).

     

    Sometimes if someone from the company is available on E14 they could be on standby to say 'hello' and answer questions on the roadtest page prior to applications being submitted, I recall this does sometime happen, and appears to be greatly appreciated. In this case I could have asked about the required IDE and drivers. They could also be there should that initial critical install fail once the roadtest has been received; usually the forums are great also IMO but someone on E14 might just help. As the roadtest closing date looms they would be able to drum up additional interest if necessary by posting interesting information about their product? Another approach on some items that you suspect will be less uptake on would be to ask the sponsot to run a webinar prior to show off the unit and take questions. It could form a good basis for who to choose?

     

    Obviously some roadtest products attract hundreds of applications and there is no need for the online mentor, but some might just benefit IMO.

    • Cancel
    • Vote Up +4 Vote Down
    • Sign in to reply
    • Cancel
  • neuromodulator
    neuromodulator over 6 years ago

    I was interested in the EFM8, but not so much in the bluetooth module. Since I'm currently short in time, and the price of the board is low, I decided to buy one instead (a laser bee), and learn how to program these at my own pace.

    • Cancel
    • Vote Up +5 Vote Down
    • Sign in to reply
    • Cancel
  • clem57
    clem57 over 6 years ago

    I speak for myself, but other folks may chime in as they wish. For me it is an ROI problem here.

    1. Does it spark MY interest. In this case it did for the use case described by shabaz. But does it meet other criteria
    2. For the product costs, does it fit? I try not to work with a RT that is too expensive or too low cost. Why would I invest too much time when I can just buy and use as I wish. On the other hand if expensive can I justify enough time to such an expensive equipment
    3. Do I have a unique idea or proposition? This product may have interesting use cases, but I could not see/do them.
    4. Time available? Not enough since I am in a RT that will be heavy time usage. I Could not commit even with a help from Randy! It would not be fair to the vendo

     

    So even when #1 looks good, the other items have trumped my hand and I must sit this one out.

    Thanks Randy for asking!

    Clem

    • Cancel
    • Vote Up +2 Vote Down
    • Sign in to reply
    • Cancel
  • shabaz
    shabaz over 6 years ago in reply to clem57

    Hi Clem,

     

    Sorry to hear that, I hope it all gets resolved soon.

    • Cancel
    • Vote Up +2 Vote Down
    • Sign in to reply
    • Cancel
>
element14 Community

element14 is the first online community specifically for engineers. Connect with your peers and get expert answers to your questions.

  • Members
  • Learn
  • Technologies
  • Challenges & Projects
  • Products
  • Store
  • About Us
  • Feedback & Support
  • FAQs
  • Terms of Use
  • Privacy Policy
  • Legal and Copyright Notices
  • Sitemap
  • Cookies

An Avnet Company © 2026 Premier Farnell Limited. All Rights Reserved.

Premier Farnell Ltd, registered in England and Wales (no 00876412), registered office: Farnell House, Forge Lane, Leeds LS12 2NE.

ICP 备案号 10220084.

Follow element14

  • X
  • Facebook
  • linkedin
  • YouTube