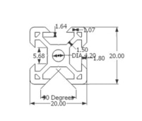
I've been looking online and excluding adds from 80/20 and promotional videos I cannot find much on using aluminum extrusions. I'm building a CNC mill (technically rebuilding a terrible wood version) and I'm just wondering if anyone here knows the basics of using t slot extrusions. I know it should be simple, but there are dozens of various connecting devices and I'm not entirely sure each works, especially the cheap ones which are the ones I'm looking at. I just need to connect some 45mm extrusions end to end, side to side, and attach a couple plastic parts along the sides. Anyone now the simplest, easiest way to do this?
Thank you and have a nice day.



