Hi all,
I have had an STM32F411 Disco board for a while now along with the baseboard.
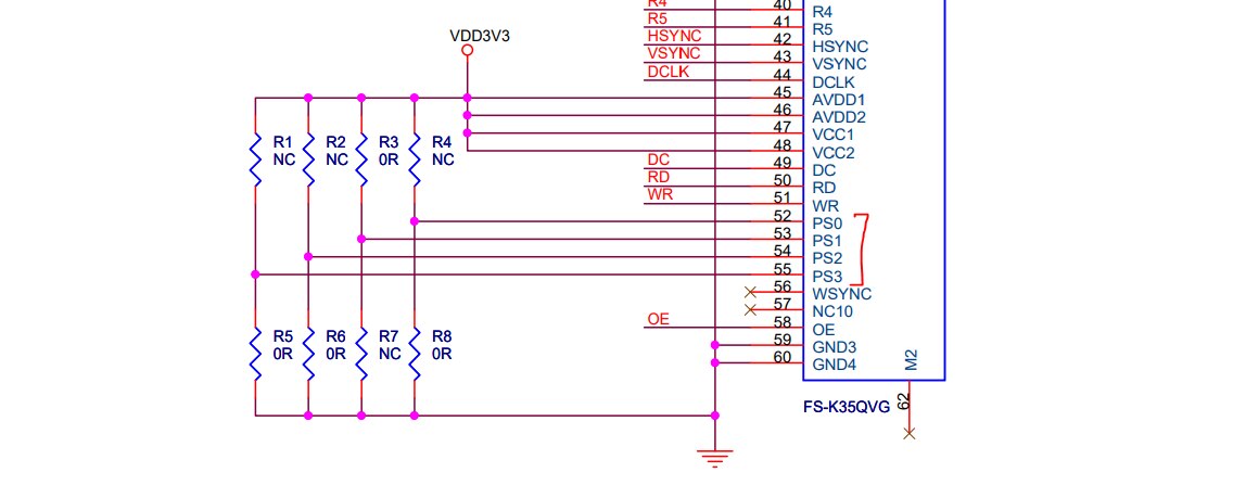
I have only just recently hooked up the STM32F4DIS-LCDSTM32F4DIS-LCD TFT display only to find out that the example code that can be downloaded is not compatible with my controller.
Unless I'm mistaken, the F411 controller seems to be incompatible with the TFT display.
From the reference manual, the F411 lacks an FSMC which is what is used in the example (The F407 controllers which are the basis of another discovery board do have an FSMC).
I want to begin using the LCD, so my solution is easy - Get the F407 controller.
But I was wondering if an alternate solution to the FSMC is possible and viable with the F411 controller? e.g. Bit banged GPIO interface
Has anyone attempted this with the disco boards or has anyone got a completely different solution
Cheers
Rich




