I have recently been experimenting with the L4971 DC to DC Buck Switching Regulator IC.
I discovered this IC chip when a number of them were salvaged from a power supply board. My question involves the interpretation of the unusual way that the schematic for a test circuit is drawn in the manufacturer's data sheet. (see above link) and the reason for this peculiar design feature.
Here is the schematic as drawn on page one of the L4971 data sheet:
As you can see the negative rail enters the schematic at the bottom left as is conventional and carries across the page to the bottom right. There are three components that connect directly to the negative rail and then a secondary negative rail is drawn from a connection at the bottom right and back towards the left onto which the ground connections from the chip itself as well as a couple of other components are attached.
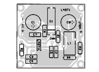
The Data Sheet also provides a template for a circuit board:
The board does reflect the drawing of the schematic as it has two large negative rail pads on the upper and lower sections of the circuit board with a narrower, though still substantial, trace between them.
How does this particular design help the function of this switching regulator and why is it important enough to require the unusual reflection in the drawing of the schematic?
The Data sheet doesn't seem to cover this intricacy of the design. Any insights that anyone might have will be appreciated.
John



