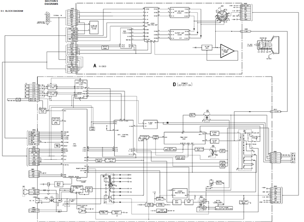
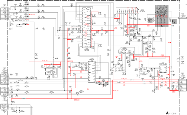
hi i dont know much about crt tubes at all but im looking to build a crt arcade unit but alot of crt tvs and screens i find seem to be completly useless i was hoping there might allready be an option but would there be any point in trying to create a crt driver board or the deflector circut ? (to controll the yolk and electron gun )that accepts av and rgb inputs.
hoping this isnt a fools idea

