Introduction
Sometimes it’s useful having the ability to generate signals with sharp edges! It can be handy for time-domain reflectometer (TDR) experiments or for checking test equipment. I wanted it for testing probing techniques, and also for triggering equipment under test. This blog post describes an attempt at gaining this capability. This is a very quick project that can be assembled in a day.
How does it work?
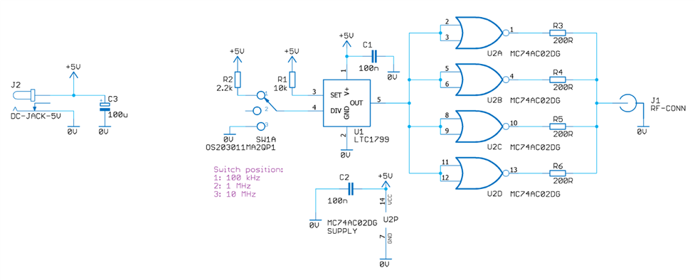
There are lots of good ways to make high-speed transitions, the method I used is fairly typical, to achieve edge times under 1 nanosecond. It relies on using 74AC series logic which is speedy! The circuit consists of an oscillator connected to four logic gates in parallel for greater output current capability.
The oscillator, U1, is connected to a switch and generates switchable 100 kHz, 1 MHz, and 10 MHz outputs. The values can be changed by modifying the value of R1. R1 could be a potentiometer if an adjustable capability is needed.
The output goes to four logic gates being used as buffers. The outputs are paralleled with 200-ohm resistors, to approximate a 50-ohm output impedance. The output connector J1 provides the square wave signal to the outside world.
Building It
Due to the high-speed transitions, I decided to build it on copper-clad board using surface-mount parts, but all the parts are still fairly large and easy to hand-solder. Anyway, there is a printed circuit board (PCB) design for it (files attached to the bottom of this blog post) but I have not tested it.
Everyone has their favourite prototyping methods, I find that adhesive copper tape on top of Kapton tape is useful for supply rails. I used a craft knife to cut out the copper-clad layer to make the pad for the centre pin of the output connector (SMA connector). The logic IC was placed right-way up on top of Kapton tape - this is a minor alternative to the 'dead bug' (upside-down IC) approach that can make it hard to follow IC pinouts back-to-front.
I tried to make the output as nice as I could by using same-length wires for each of the four logic gate inputs. I don’t know if this makes any difference. It is inaccurate anyway because the metal leads inside the plastic package of the IC are of slightly different lengths too.
For the output connections from the logic gates, I tried joining them with equal distance too, over the top of the chip since that was convenient. The four output resistors are vertically mounted as shown in the photo below. The wire length from there to the output connector needs to be kept short.
For the PCB design, I again tried to keep the signals at the same length. Since I have not built the PCB version, I cannot be sure that it with work as well or better/worse than the prototype (Edit: the PCB version has now been built, and it performs better).
Parts
All resistors are 0805 sized (0603 will fit) and the ceramic capacitors are 0603 sized. The DC barrel socket is FC68148FC68148 (others might fit too), and the 3-way switch is part code OS203011MA2QP1OS203011MA2QP1. Most PCB mount SMA connectors will fit, such as 3-1478978-13-1478978-1 . A suitable case is Hammond 1593KGY 1593KGY or 1593KBK 1593KBK but the board is tiny (50 x 50 mm, or 50 x 28 mm if the unused portion is cut off) so it can potentially fit lots of different enclosures.
I used 1% thick film resistors everywhere (I’m mentioning this just in case that makes a noticeable difference to the output – I don’t know), except for R1 which sets the timing – that was a more accurate and more temperature-stable thin film resistor.
The particular logic IC that I used was a Fairchild 74AC02 part in SOIC size. It is not available anymore, but I think the On Semi MC74AC02DG MC74AC02DG should be identical or have no significant difference (Edit: with the On Semi part mentioned, the PCB version achieved 500 ps rise time, and 420 ps fall time).
Trying It Out
I connected the output to a ‘scope and set it to 50-ohm input. The trace below shows the result, and the automated measurement at the bottom of the screenshot shows that the rise time was in the ballpark of 550 picoseconds. The fall time was slightly slower, it measured at around 750 picoseconds.
The ‘scope screenshot below shows the edge ripple zoomed in for the rising and falling edges:
Summary
At very little cost, a tool for fast edged square wave generation can be created, using 74AC logic gates and not much else. It has test uses, but perhaps one day it could even be used for high-speed photography experiments, by rapidly illuminating an object toward an open shutter.
The 550 picosecond rise time and 750 picosecond fall time that was achieved certainly isn’t state-of-the-art, but it’s the fastest edged simple tool that I have for now, and it will come in handy for experiments. In comparison, it is about ten times faster than the HP 811x series of pulse generators, but they are ancient (still expensive on eBay though!). The circuit was designed to use the parts that I had at hand, but it is easy to modify and select a different 74AC series logic gate to experiment or to change out the oscillator for something else.
Thanks for reading!
Update April 2021
The PCB version was assembled, using the more recent On Semi MC74AC02DGMC74AC02DG part, and performance improved, to 500 ps rise-time, and 420 ps fall-time.







Top Comments
-
genebren
-
Cancel
-
Vote Up
+6
Vote Down
-
-
Sign in to reply
-
More
-
Cancel
Comment-
genebren
-
Cancel
-
Vote Up
+6
Vote Down
-
-
Sign in to reply
-
More
-
Cancel
Children