Introduction
I like building battery-powered circuits, but always in the back of my mind is the thought that I really ought to provide a ‘low-battery’ indication! Since it isn’t usually a core feature of the project, it often gets forgotten. This ultra-short blog post describes my attempt at a generic low-battery indicator that could (hopefully) be reused for many projects.
What does it do?
This circuit alerts the user when the battery needs changing or charging. I have chosen the simplest way of determining that the battery capacity is low, and that’s using the battery terminal voltage.
A couple of circuits are described here. One of them lights up a warning LED whenever the voltage drops below a certain value. The other circuit can be used to replace the typical power-on LED. The behavior, in that case, is to use the LED as a normal power-on indicator, but begin to flash when the battery voltage is low. In other words, the LED should permanently light up when the circuit is powered on and the battery is good. When the battery is bad, the LED should flash.
The design here avoids using a microcontroller, but if a microcontroller exists in the project then using that could be the most economical and effective way, especially if a comparator or other analog input peripheral is built-in to the microcontroller chip. The circuits in this blog post are more useful for a purely analog design, especially low-noise projects.
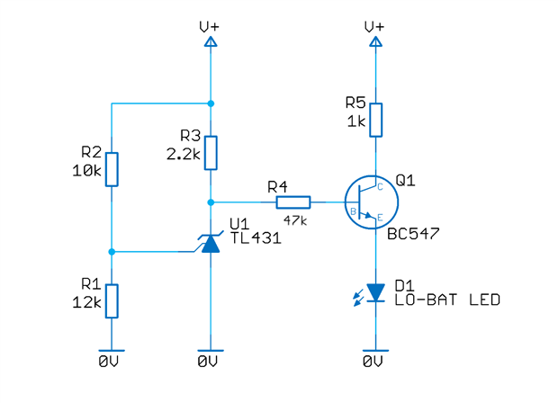
Basic Circuit
There are many ways to implement a low-battery indicator circuit. This circuit is very low-cost, it uses the TL431 integrated circuit, which costs as little as $0.10 in quantities of a few hundred. The TL431 is a component with dozens of example use-cases, it's extremely versatile, and comes in more than half a dozen different packages, from through-hole varieties to surface-mount SOT-23.
The programmed voltage is achieved using the potential divider circuit created by R1 and R2. The entire circuit is fairly accurate while still being low-cost, based on the premise that modern resistors are low-cost and accurate too, and that combined with the TL431 internal reference voltage (2.5V) should work for providing a low voltage indicator that is ‘good enough’.
The formula for calculating the resistor value is:
where Vref is 2.5V and Vcutoff is the desired threshold voltage for the alert indication. There is an Excel file attached to this blog post below, which can be used to quickly calculate the right resistance values.
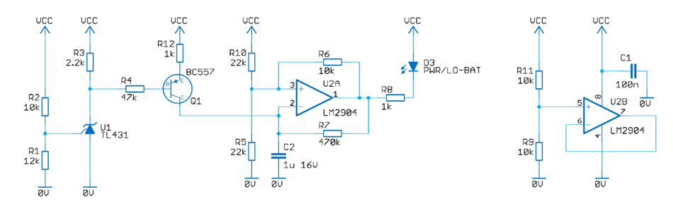
Flashing LED Circuit
The circuit here keeps the low-cost theme going, by using a jellybean op-amp to implement a flashing LED.
Reading from right-to-left, op-amp U2B is unused (you could use a single op-amp chip if desired, but the LM2904 dual op-amp is cheap!). Next, op-amp U2B implements an oscillator circuit and the LED blinking rate can be varied by adjusting C2 or R7. The values in the diagram will implement a slow 1 Hz blink rate.
The circuit on the left is identical to the earlier simpler circuit, except that a PNP transistor is used to gate the oscillator. When the voltage is higher than the programmed threshold, transistor Q1 conducts and the oscillator does not run and the LED stays lit. When the voltage is lower than the threshold, the capacitor C2 can charge/discharge and the LED will blink. I like this circuit because it saves having to drill two holes for a power-on LED and a low-battery LED!
Circuit Adjustments
The circuit can function from 3V up to 26V or even higher (depending on the chosen op-amp). Here’s the detail on the adjustments that should be done to suit any particular needs.
Firstly, size the LED resistor (R5 or R8, depending on if you're using the simple or the flashing LED circuit) appropriately. The value in the diagram (1k) will probably work across the entire 3-26V range, but the LED may be extremely brightly lit at very high voltages, and dimly lit at very low voltages. 1k ohm is a good starting point. High-efficiency red LEDs are a good choice too.
Next, change the value of resistor R1, to suit the desired low-voltage indication threshold, using the formula mentioned earlier. There is a downloadable Excel file attached to this blog post, to make the calculation easier.
To change the blink rate, R7 can be modified. A lower value will result in a faster blink rate. A smaller capacitance value for C2 will also result in a faster blink rate.
Summary
These were a fairly trivial couple of circuits, but it solves what is perhaps a common problem, and it will hopefully enable battery-powered projects to be a bit more complete!



Top Comments