Greetings!
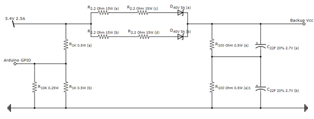
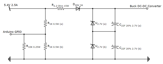
I have questions about a supercapacitor charging circuit that I hope the community can help answer. I've included two of my schematics below. This circuit is to keep a Raspberry Pi 3 Model B running long enough to safely shutdown when power is cut. I have an Arduino watching the input voltage presence and the voltage level coming from the supercaps. (Sorry for not including the voltage divider to the Arduino analog pin on the superconductor side, the resistors are 100K and 1M)
Essentially the Arduino waits for the the supercaps to charge up to 5 volts then toggles a solid state relay to turn on the RPi. When the voltage is cut or it detects a bad voltage drop from the supercaps it tells the RPI to shutdown via a GPIO. There is another GPIO line coming from the RPi that tells the Aruidno when the RPi is off so it can turn off the relay.
I have two 22F 2.7V superconductors in series to create 5.4V. I have a 6V 2.5A DC power supply dialed down to 5.4V via 3A capable buck converter.
Here is the math I did to come up with the resistance needed in front of the supercaps to not nuke my power supply. I also have two schottky diodes in series with the resistors.
5.4V / 2.5A = 2.16 Ohms
5.4V x 2.5A = 13.5W
Right now I have this charging up nicely and running the Arduino Uno for an impressive amount of time.
Questions:
- Currently I am using resistors in parallel, is that over kill? It just felt good to me.
- What schottky diode would you recommend? I am only using a 40V 5A diodes because that is what I have on hand.
- If I do need to use parallel resistors, do I need two schottkys or would one be enough?
- Do you think my supercaps will be enough? I also have two 50F 2.7V in my parts bin.
- Anything else I am missing with this circuit?
Single resistor:
Parallel Resistors:
Message was edited by: Jeremy Morgan (added Raspberry Pi version)


