Hi,
Hope this post find you well.
My intention is to make an 3-phase power calibrator !
Similar to this link, https://us.flukecal.com/products/ele...wer-calibrator
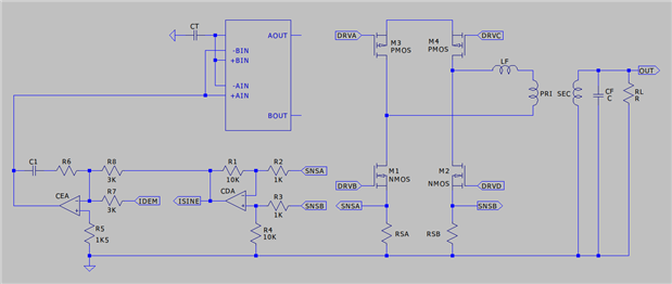
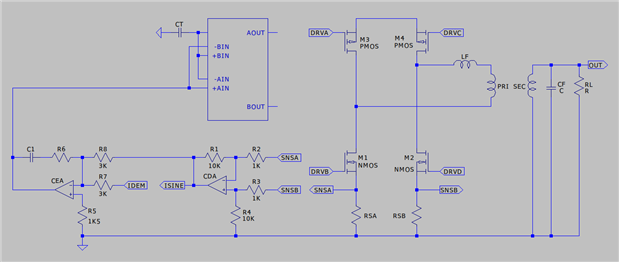
My current AMP design might be class AB type.
I am not worried to much about PWM generation ruther I am thinking how can I move class AB to Class D amplification.
A lot of the design effort relates to maintaining linearity and avoiding crossover distortion.
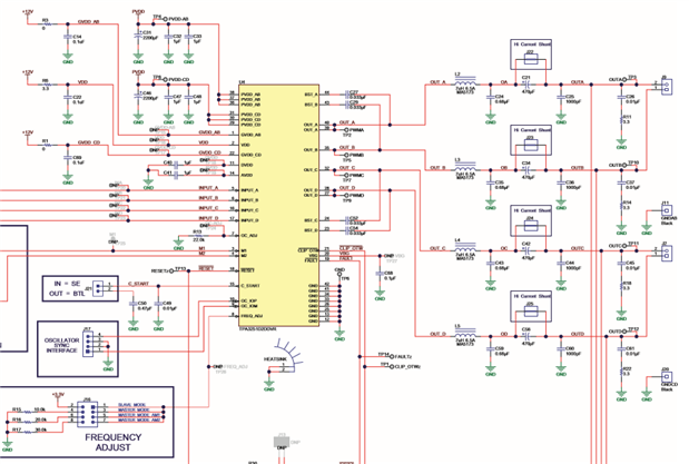
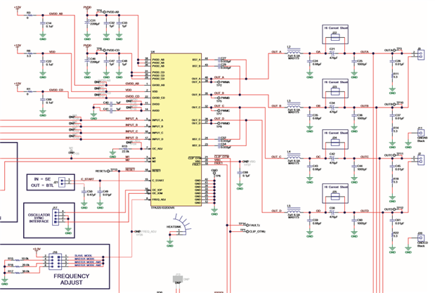
2 amplifiers( current, voltage) output will feed to CT and PT! Lets consider load will be connected in their output!
REQUIRMENTS :
1. The amp input should be plus and minus 7volt AC, 45-65Hz( 1 Hz has been converted to 1024)
2. Amp operating voltage should be more or less 24v.
3. 2 channel signal (not sure PWM) should be use , one for current, one for voltage.
4.Can run current transformer(input 16.5 V/1.5 A) and potential Transformer (input15v/2A). PT output may be 15VAC.
5. If possible both voltage and current amplification is required in one IC.
6. Both positive and negative half signal should be amplify


