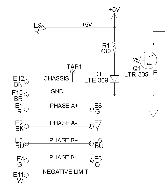
I have a stepper motor (multi-axis' in fact) that provides a limit signal (E11 NEGATIVE LIMIT) that is open collector output:
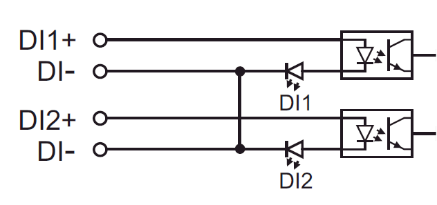
I need to connect that signal to an opto-isolated 24V digital input (no internal pull-up resistor I assume):
Currently there is a circuit board installed that does this, and that contains:
- A regulator IC for 5V
- A pullup resistor circuit to 5V.
- An IC (ULN2003 Darlington Array) to up the voltage to 24V and
- An IC (Philips 74HC14N74HC14N HEX INVERTING SCHMITT TRIGGER to invert the signal (to active high instead of active low I assume)
I want to eliminate this custom made circuit board and use "industrial-strength" off-the-shelf DIN rail mounted items to interface the motor limit output with the digital input.
I'm a mechanical engineer and am kindly requesting some advice how to do this professionally, without custom circuitry.
Thanks in advance.
Tom.


