I'm Road Testing the Rohm SensorShield-EVK-003 (Arduino Compatible) and the sensors that come with it. In this post, I'm investigating how the pins and jumpers of the shield match to an Arduino UNO |
I couldn't find a readable schematic of the SensorShield. This picture is published on ROHM's website:
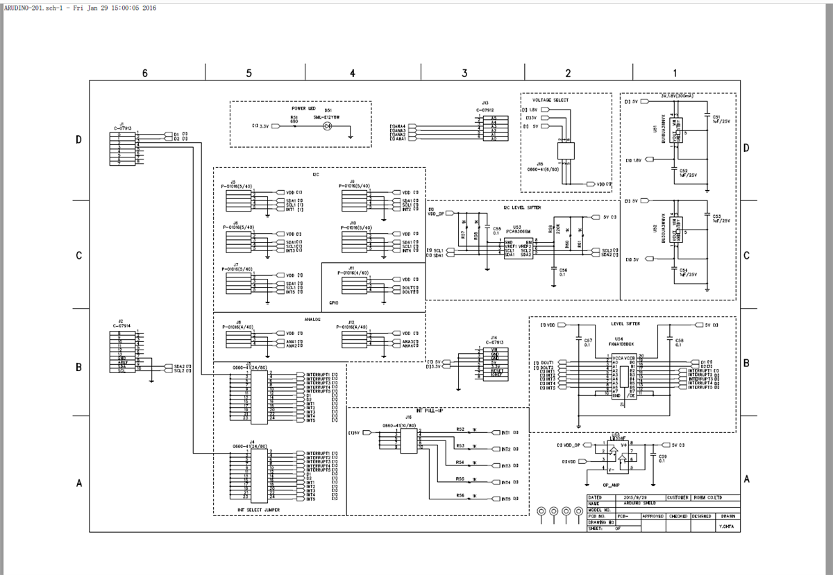
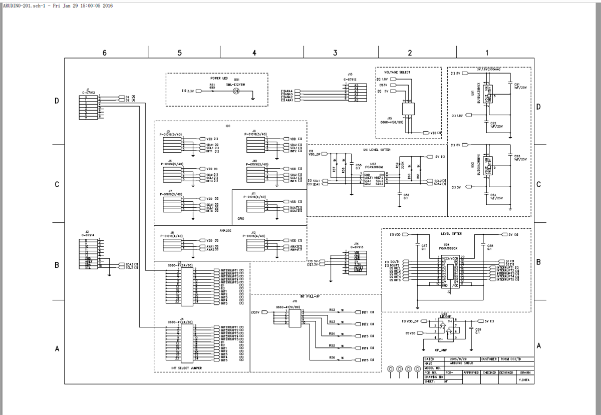
Edit: I could. I found a pdf with the schematic for shield and sensor boards.
It's not available from the current SensorShield page. If you google for version 001, you land on a ROHM product page that has the schematic of that version.
I don't know what changed between version 001 and 003.
To test the trigger functionality of the Colour Sensor BH1749NUC, I need to know how the docking places for the i2c sensor evaluation boards are linked to the Arduino pin-out.
Also how the interrupt jumpers of J1 and J3 work. So I used my meter to buzz that part of the shield out.
On the drawing at the start of this blog you can see my notes of how they are interlinked.
I admit that the notes may be even more difficult to interpret than the schematic.
Post a question below if you're looking for a particular situation.


