Background story
A while back I was lucky enough to stumble upon a poor HP 33120A hiding in the e-waste from a lab that was being cleared out. It had a strip of masking tape covering the display telling everyone that the unit was not working, at all! So I asked them about it and just got the answer that it was 30 years old and not worth repairing. I protested that they couldn't just be throwing away nice HP gear, at least they could try to repair it? "Take it if you want it!", they told me and left. I guess no one wanted them after someone had already replaced them with GW Instek SFG-2120 units, maybe they were just waiting for an opportunity to clear out the old HPs?
Initial functional checks
When I got the unit home I immediately tried to figure out how broken it actually was. The unit powered on without complaints, but there was no output on my scope. After I had looked a while for an Output Enable-key I couldn't find, I learned that it defaults to outputting a 1 kHz sine with an amplitude of 100 mV peak-to-peak (into 50 ohm) when you power it on. So the output was enabled and something was broken. The next step was to locate the service manual, which I probably shouldn't be too surprised that Keysight had available for download on the 33120A product page.
Running a self-test
From the service manual I found out that holding down Shift while powering the unit on would run a self-diagnostics test. The test passed without any complaints, a good sign!
The VFD is nice and bright too, telling me that this HP haven't seen much use.
Checking the outputs
I unplugged the unit and checked the output resistance to ground with an ohmmeter, assuming that it's terminated with 50 ohm, but it just read open circuit. While I was at it I also checked the sync output, which read about 130 kilo ohms. I think it should be in the 10-100 kilos of ohm range for a digital output, so that reading seemed good to me. Now that I'm thinking that the sync output isn't broken I checked the output from it with my buddy Rigol again and saw a 1 kHz square wave, with the instrument set to output a 1 kHz sine.
The sync signal even followed along as I changed the frequency on the function generator. This is promising because the sync output is generated from the signal output by a comparator in this mode, meaning that somewhere inside the output signal is being generated.
Going backwards from the output
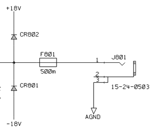
To double check my assumptions about the output termination I went to the schematics in the service manual to see if it was indeed terminated with 50 ohm. To my surprise I saw that there was a fuse on the output, with diodes for voltage protection.
The first point in the service manual's operating checklist for when the output is inoperative is to check if the output reads over 100 ohms, if it does you should check fuse F801.
F801 is a 0.5 A fuse and CR801 together with CR802 protect against over- and under-voltage on the output. The 50 ohm terminator I was trying to see with the ohmmeter is behind a switchable attenuator, where it is connected to the output of an amplifier and is made out of eight 100 ohm resistors (four parallel circuits of two resistors in series). Using my ohmmeter I could confirm that the fuse was indeed open.
Using the scope to look for a signal
Since F801 is the last component before the output I hooked onto one side of it with my oscilloscope probe, but there was no output. However, much to my delight, there was a signal when I hooked the probe onto the other side of F801! For some reason it's never the first side you try?
The 1 kHz sine was indeed being generated!
Replacing the fuse
After I figured out how to remove the handle and bought the correct size torx bits, opening up the unit was very easy. The whole cover slides off after the rear bumper is removed. Replacing the fuse was very easy since the PCB is exposed on the underside and doesn't have to be removed.
| {gallery} Soldering in a new fuse |
|---|
The fuse inside the HP. |
The pins were easily accessible from the underside of the unit. |
The new 0.5 A ultra fast Littelfuse fuses. |
The solder sucker left a mess, but it's now ready for a new fuse. |
New fuse soldered in! |
Legs snipped and board cleaned with IPA. |
A brand new fuse, looking dapper while being a proper short! |
Checking if the unit was repaired
Hooking the BNC cable from the function generator into a T-splitter together with a 50 ohm terminator my buddy Rigol now showed the correct amplitude, 100 mV peak-to-peak. The different waveshapes all looked fine too, changing the frequency worked too.
Happy little yellow worm!
The modulation works too! The FFT function of my Rigol isn't very good, but it's good enough to at least show an amplitude modulated carrier with its two side bands. They are spaced 100 Hz from the carrier, meaning that the carrier is indeed AM modulated with a 100 Hz sine.
Checking the attenuator
As I mentioned previously there is an attenuator between the output amplifier and the output protection. Knowing that someone had been feeding the HP with a high enough voltage to trigger the over-volt protection, and with a large enough current to blow the fuse!, I was a bit concerned about the attenuator's well-being. The service manuals lists a few amplitudes to check in order to verify the instrument's performance, both when terminating into 50 ohm and a high impedance. Going through them I'm now very aware that none of my 50 ohm terminators are very good or agree with each other. However the high impedance tests showed that the voltage amplitudes were spot on, so I can only assume they would be with a good 50 ohm terminator too.
While doing the test I also learned that the function generator can be put into a DC volts mode and output +/-10 V into a high impedance, how neat is that?! That feature would probably be great for controlling a DIY current source/sink.
Conclusion
I'm very happy that I could give the instrument a new lease on life after its owners didn't want it and it will be replacing my old analog function generator. While this repair turned out to be almost disappointingly simple, I still hope it was interesting for the fault finding process, even if that was a short one.














Top Comments