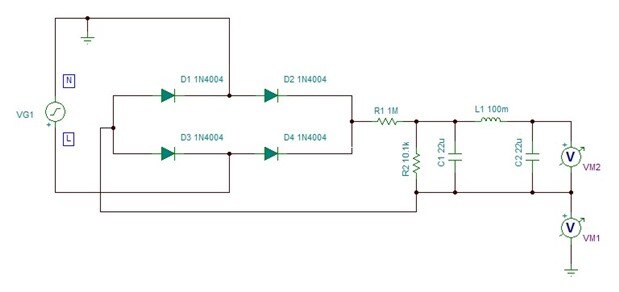
I built a circuit board to measure 120VAC using a Raspberry PI. I have a bridge rectifier and voltage divider. All using surface mount 1206 parts. Everything works well. When I put a voltmeter on the test point it shows 1/100th the line voltage in DC. However, when I actually look at it on a scope, I see that the ripple is 0 to 1.2v, essentially the full rectified voltage. The filter isn't doing hardly anything.
I'm trying to keep is all as small as possible so I'd like to stick with 1206 package for the filtering capacitors especially since the PCB has already been manufactured using these. I did use a through hole for the inductor it has 5mm lead spacing. Can someone recommend what capacitor and inductor values to use to get a cleaner DC(ish) voltage. The voltage divider is before the filtering so using low voltage capacitors are not a problem.
I was using 1000pF on C1 and 2200pF on C2 and 100mH for the Inductor. Below is the layout:
>-------- L1 ---------->
| |
C1 C2
| |
>----------------------->
Any help would be GREATLY appreciated...

