Abstract
This is a proposal for a distributed network of air quality sensors. In this document, I will write down details for making a sensor that can be installed on cars, but in the future handlebar-mounted and armband versions of the sensor can be designed.
The sensor is battery-free and harvest energy from car radiator heat by means of a Peltier cell. Data is transferred to a smartphone through a Bluetooth Low Energy link. The smartphone internet connectivity is leveraged to push data to a cloud service.
Data from all the installed sensors can be analyzed at home thanks to a plugin that will be developed as part of this project. Plugin will pull data from the cloud and make automation decisions thanks to the power and flexibility of the OpenHAB platform
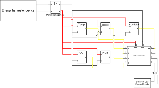
Architecture overview
Figure 1 - System architecture
Sensor
The air quality sensor is made of the following main components
- 1. a low-power microcontroller, like the Texas Instruments MSP430 series microcontroller
- 2. a Bluetooth Low Energy module, like the Texas Instruments LMX5252 module
- 3. a dust sensor module, like the Sharp GP2Y1010AU0F, which features a low power consumption
- 4. a N02 sensor, like the MiCS 2710 NO2 gas Sensor
- 5. a C0 sensor, like the Figaro TGS 2442 CO gas sensor
- 6. a humidity sensor
- 7. a temperature sensor
- 8. a Peltier element for energy harvesting. The use of energy harvesting makes the sensor installation absolutely unobstrusive
Figure 2 - Sensor schematic
Figure 3- Sensor electrical components and connections
Sensor will be enclose in a box designed to be easily fixed to the radiator grid
Figure 4 - Sensor case rendering
Figure 5 - Mounting position
Smartphone runs an application that
- 1. pushes data to the cloud
- 2. shows sensor current readings
- 3. show sensor readings history
There are other products (like the Air Quality Egg) that make air quality data available on the cloud, so it would be advisable that data coming from car sensors contribute to enrich the amount of information available is these repositories instead of creating a new one
Data fusion
At home, a BeagleBone board runs OpenHAB gathers data from the cloud infrastructure by means of a plugin developed as a part of this project. The plugin leverage web API to read data from the cloud. Data will then be available in the OpenHAB platform and processed using all the facilities available in such a powerful automation system.
The OpenHAB could also get additional information from other sources to enrich air quality data. For example, reading
- weather data
- forecasts
- air quality measurements provided by fixed stations and from the Air Quality Egg project devices
can help select the best time of day when an outdoor training session is advisable because both weather and air quality are good. Note that it is possible to detect time-dependant trends in the air quality. For example, air quality is likely to get worse during rush hours
With OpenHAB automation mechanism, user can get a tweet when air quality is good enough to have some outdoor training or suggest that it's better to stay at home (in that cause ventilators could be switched off to prevent polluted air from entering the house)
Thanks to air quality maps, a family could also plan the path with the best air quality for the Sunday bike trip with the children.





Top Comments
-
nikil511
-
Cancel
-
Vote Up
0
Vote Down
-
-
Sign in to reply
-
More
-
Cancel
Comment-
nikil511
-
Cancel
-
Vote Up
0
Vote Down
-
-
Sign in to reply
-
More
-
Cancel
Children