Introduction
This design challenge is about polymer capacitors - highlighting their features and applications. It is quite different to be focusing on a passive component in a design challenge, but it is a good exercise to become more familiar with polymer capacitor performance.
This is a sketch of a typical polymer capacitor structure.
Aluminum polymer capacitors have some great features that distinguish them from other capacitor technologies:
- They don't have liquid electrolyte that can dry out - so they have a long life span
- When they fail, the failure mode is benign, unlike some capacitors that catch fire
- They have low internal series resistance which helps handle high ripple currents
- They can have low series inductance which improves performance
- Micro defects in the electrolytic layer tend to self-heal
- Their capacitance does not degrade with applied voltage
They also have some limitations:
- They are polarized and should not be subjected to reverse polarity
- They should not be repeatedly subjected to high rush currents above 10 A
This project will focus on a charge pump application and compare performance of polymer capacitors with MLCC capacitors.
The first video shows what came in the project kit from element14 plus a few measurements to get started:
The high ESR numbers were bugging me, so I measured the contact resistance of my tweezer probe - it was over 0.2 ohms, so the ESR measurements in the video are too high. Any ESR under 1 ohm will be inaccurately measured the way I was doing it.
I also just realized the scope was AC coupled which explains why the voltages were plus and minus and also why the Peak meter waveform didn't have a flat bottom.
In the next video I will try to get a better reading of ESR.
Technology
Physical capacitors have both resistance and inductance in addition to capacitance. The capacitance usually dominates,but the other parameters will affect performance.
Here is an equivalent schematic for any physical capacitor:
Usually the parallel leakage resistance (Rp) is very high and a little tricky to measure, but often it is so high it is negligible.
The inductance is usually very small and only plays a role at very high frequency or very high slew rates, so it is also usually negligible.
The series resistance (Rs) is the parameter that some technologies cannot get to be negligible. It can significantly affect capacitor performance when dealing with high frequency, high current noise. It is importance to understand which capacitor technologies have low ESR (equivalent series resistance) and which have high ESR, so it doesn't become a problem in any given circuit design. Polymer capacitors typically have a nice low ESR.
They also have other nice features:
Here are a couple of graphs that highlight advantages of polymer capacitors over MLCC capacitors:
This graph shows that polymer capacitors do not suffer as badly as MLCC capacitors at either high or low temperatures.
This graph shows that polymer capacitors have constant capacitance over their rated voltage range while MLCC capacitance falls as the voltage is increased.
This last graph shows a dramatic performance advantage for polymer capacitors versus MLCC capacitors near rated voltage, so that is what I want to test.
The Circuits
To test this I have designed a charge pump circuit as shown below:
With a 12 volt input the output of the charge pump should be close to 48 volts - with no load.
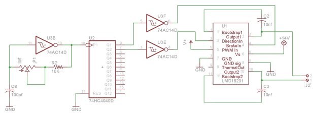
To drive this charge pump I designed a simple power oscillator:
I will only use one of the outputs from this H-bridge driver as the capacitors are polarized and the full bridge would reverse polarity.
I will make one charge pump with MLCC capacitors and one with polymer capacitors.
I think I will connect one output to each charge pump so I can monitor both circuits at the same time on the scope.
ESR
The PCBs
Here is what the oscillator looks like:
It uses an LMD18201 which is a 3 Amp H-Bridge.
Note the potentiometer which can adjust the frequency between 20 KHz and 1 MHz.
Here is what the MLCC charge pump looks like:
There is some extra circuitry on the card, such as a low voltage power oscillator and a high voltage output oscillator, which are not populated because I don't have the right parts in stock.
Here is what the polymer charge pump looks like:
It is a tight fit to install the polymer capacitors since the card was designed for 1206 footprints, but since there is no solder mask, there are enough traces in the right places and the spacing is just adequate.
I had measured the spacing before making the proposal for this project, but he spacing turned out even tighter than expected.
The Charge Pump Performance Tests
Here is a video comparing polymer capacitor charge pump performance versus an MLCC charge pump:
I discovered later that the glue gun heater resistance starts at 500 ohms when cold, then drops to 200 ohms as it heats up, but as it get even hotter the resistance climbs back to 350 ohms.
Update - I did a bit more testing:
I suspected the AC coupling of the scope was affecting the waveforms at these low frequencies and the ESR measurements were suspect because of lead resistance, so I re-did the tests and added a few more.
ESR
Capacitance
Performance Power Measurement
In the following 2 pictures I added a current meter on the output, instead of trying to measure the heater resistance, so I could get a power measurement.
As you would expect when the output voltage is the same, the output power is the same, but the input power is not the same.
Ripple Voltage
The following 2 images show the ripple voltages of the 2 circuits:
| Parameter | MLCC | Polymer Capacitor |
|---|---|---|
| Output Voltage (V) | 49 | 49 |
| Input Voltage (V) | 16 | 14.05 |
| Input Current (A) | .572 | 0.565 |
| Output Current (A) | 0.139 | 0.138 |
| Input Power (W) | 9.15 | 7.94 |
| Output Power (W) | 6.82 | 6.76 |
| Efficiency (%) | 74.5 | 85.2 |
| Ripple Voltage (Vp-p) | 2.91 | 0.5 |
Dscussion and Conclusions
Both the polymer capacitors and the MLCC capacitors were 10 mf capacitors rated for 50 Volts.
Under no load, both charge pumps achieved the same voltage boost. With 12 volts input they produced 47 volts output.
For the polymer capacitor charge pump:
- At 49 volts output with a glue gun heater load, the input power was 7.94 W and the output power was 6.76 W, providing an efficiency of 85.2%.
For the MLC capacitor charge pump:
- At 49 volts output with a glue gun heater load, the input power was 9.15 W and the output power was 6.82 W, providing an efficiency of 74.5%.
This means the polymer capacitor circuit requires 11% less power to generate the same output power.
To achieve 49 volts out, the MLCC circuit needed 2 more volts at the input which is a 13% increase in input voltage.
The output ripple voltage with the MLCC circuit is about 5 times higher than the polymer capacitor circuit, which could be important if this were used as a power supply.
With the same input voltage (12V) the polymer capacitor circuit generated about 6 more volts (under load) than the MLCC circuit, which is about 17% higher.
The charge pump circuit application shows that polymer capacitors can perform dramatically better than MLC Capacitors, especially when the working voltage is near the rated voltage of the capacitor.
A quick note about the circuit - it can perform better ( less droop) at higher frequencies because the charge transfer (current) will increase with frequency.
The objective of this project was to demonstrate that polymer capacitors can outperform MLCC capacitors in some applications, especially when operating with significant voltage on the capacitor and this goal was achieved.
This whole topic was not something I thought about in the past, but it has been surfacing more often recently and this project provided a great opportunity to explore polymer capacitor benefits. It took a while to get a handle on how and what to measure, but even poor measurement techniques were showing a performance edge for polymer capacitors in this application. It required a few re-tests to get to something I was happy with, but that is a good indicator that I was learning during the project.
Thanks element14 and Panasonic for organizing this interesting experimentation challenge.
Update:
This is a quick unboxing of the finisher prize:
Thanks again element14 and Panasonic for putting this challenge together.
Relevant links:
Experimenting with Polymer Capacitors: About the Competition












Top Comments