Introduction
A measurement amplifier is a piece of test equipment that can be used for, as the name suggests, measurement of signals. Usually it is combined with a multimeter or an oscilloscope to actually display the measurement or signal. A good use-case for such an amplifier is to measure noise on power supply rails.
A while back I hacked together an amplifier using a circuit board that was originally intended for a microphone amplifier. Although it functioned, that revision 1 design had limitations.
Since then, after some suggestions from jw0752 and others, I wanted to improve the design, improve the frequency response, add DC amplifier capability, selectable filtering, and also make the design easier to assemble, with reduced wiring.
I sketched up a revision 2 design but I never got around to building that. This blog post presents a revision 3 design. It is different enough that it deserves its own blog post to prevent confusion, but the first blog post Building a Measurement Amplifier can be consulted to see more detail about measurement amplifiers, and the discussions that resulted in the current design. Also, see jc2048 very nice discrete design Noise: Transistor Preamp 3 for more information about noise measurement amplifiers.
See the five-minute video for a quick explanation of the circuit, and a demonstration of it being used to measure the noise from a LD1117S50CTR LD1117S50CTR Low Drop-Out (LDO) voltage regulator.
This revision 3 design has a reasonable (I think) mix of features. It isn't entirely tested however, and there is tons that could be improved.
So far the main features are:
- AC or DC input, and AC or DC output
- DC input to 500 kHz frequency response flat to within about +- 0.15 dB
- AC input between 2 Hz to 500 kHz, has similar specification
- 100 Hz, 1 kHz and 10 kHz selectable low-pass filters
- Null adjust capability (for DC output mode)
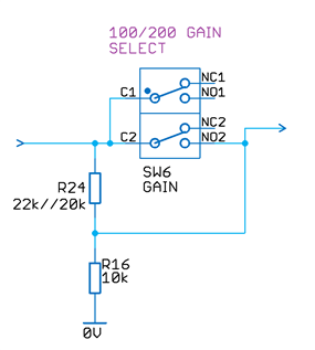
- Selectable gain (x100 or x200)
- Max input before clipping/distortion: 100 mVp-p (200 gain) or 50 mV p-p (100 gain) (higher may be possible but it wasn't tested)
- Zeroing button to settle quicker in AC output mode
- Low-Voltage indicator
- 2 x 9V PP3 supply
- Optional proto-board area for expanding the design
Block Diagram
The diagram below shows what was implemented. It is mostly self-explanatory (more detail in the next section).
Circuit Diagram
Here is the entire circuit (click to enlarge), but it is explained step-by-step.

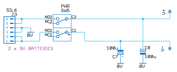
Power Entry
The circuit is powered from two 9V batteries, used to provide a positive and negative rail.
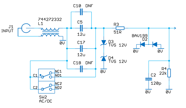
Input Stage
The input circuitry provides selectable AC or DC input, 22 kohm input impedance, and overload protection. I wanted to be able to use the measurement amplifier for monitoring AC noise on power supply rails, so overload protection was needed.
Capacitors C5 and C17 are paralleled for 24 uF of capacitance that can be shorted out for DC input mode. For monitoring noise on DC power rails, the AC mode should be selected.
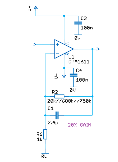
First Gain Stage
The first gain stage consists of a non-inverting amplifier with a gain of 20 (actually it's just slightly less than 20, to compensate for other losses and gains in the overall circuit). The design doesn't have any trimming resistors, so in places resistors need to be paralleled to provide the more unusual resistance values. Resistor R2 requires piggybacking of three resistors on top of each other, because I didn't put three footprints on the board unfortunately. Anyway, it's not hard to do with large 0805 sized surface-mount resistors. In theory R2 could have be replaced with a trimmer resistor but then things need calibration.
Although the two gain stages were supposed to use two OPA1611 op-amps for U1 and U2, I only had one, and global component shortages meant that I had to use an OPA211 IC instead for U1. They appear to be near-identical anyway.
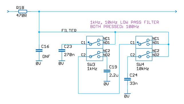
Filter Stage
Rotary switches can be expensive/awkward to use, so push-button switches were used throughout the design instead. This limited what I could do in terms of filtering capability, however it was possible to use two switches to provide three filtering settings. Resistor R18 and capacitor C16 create an RC filter. When either switch is pushed in, additional capacitors are paralleled with C16. The particular capacitor values result in selectable 1 kHz and 10 kHz filtering, or 100 Hz when both switches are pressed.
Attenuator
Resistor R24 is switched in/out of the circuit to optionally attenuate the signal by half, before the signal reaches the second gain stage. R24 consists of two piggybacked resistors.
Second Gain Stage
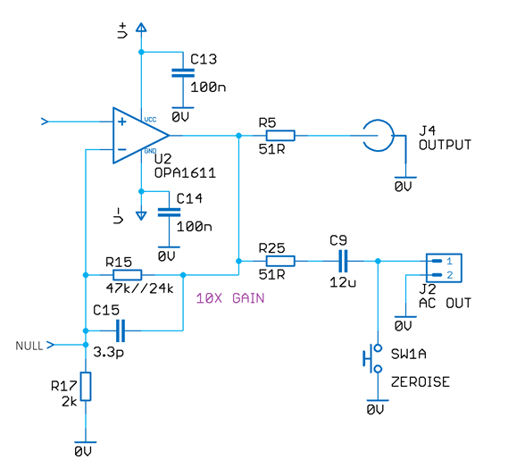
The second stage is fairly identical to the first, except for a different gain value of just over 10. To achieve the correct gain, resistor R15 is actually two piggybacked resistors.
The output from the second gain stage can be directly connected to a multimeter, or connected to an oscilloscope. R5 and R25 offer some protection against output short-circuits. A push-switch is used to short the AC output to ground, in order to more rapidly discharge the output capacitor, otherwise there could be a long wait before the circuit settles.
There's actually not much need for the AC output, since the DC output can be null-adjusted as discussed next.
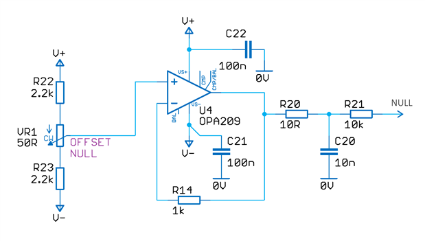
Offset Null
In order to operate in DC amplifier mode, it was desirable to be able to remove any offset when the input is at 0V. This is achieved with a potentiometer and unity gain buffer circuit. This circuit applies a small offset voltage to the second gain stage. In AC amplifier mode use, it is not critical to adjust the potentiometer, since the offset will get removed by the output capacitor.
I didn't have a 50-ohm variable resistor, so I used a 1 kohm one, and soldered a 22 ohm resistor (22 ohm or 47 ohm or thereabouts will do fine) across the two ends of it, on the underside of the board.
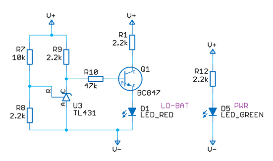
Low Power Indicator
The battery voltage is monitored using a TL431 IC. The IC acts as a shunt when the voltage across resistor R8 exceeds a threshold voltage (2.5V) that is hard-coded inside the IC. When the voltage reduces, the IC stops acting as a shunt and it causes enough current to flow into Q1 to switch on the LO-BAT LED.
Proto Area
It could be interesting to one day extend functionality, or apply this project for a different use-case. For that reason, there is space for soldering an optional SOIC footprint IC, and through-hole components, to patch in features or fix errors.
Circuit Board and Construction
The files are attached to the blog post, ready for sending to any PCB factory. Although this rev 3 board requires piggybacked resistors, I don't think it requires a re-spin because it is easy to do the piggybacking and doesn't merit creating a modified board layout.
The render here shows the top side of the board (there are no components on the underside).
It gets annoying having to use wires to attach switches and connectors, so I tried to put everything on the board. Apart from the AC output connector, and the battery connectors, everything is soldered to the PCB.
Enclosure
The board width is 160 mm, intended to slide into the same enclosure as the revision 1 measurement amplifier, Hammond 1455T16011455T1601 which is annoyingly expensive. I'd like to find a cheaper enclosure (it needs to be metal to provide shielding).
The diagram below shows the locations of the board holes and the connectors, LEDs and switch positions. The actual hole diameters for the switches depends on the switch cap diameter. Caps could be 3D printed, or low-cost ready-made caps from Aliexpress could be used, although they may require gluing on.
A PCB front-panel design could be used for eliminating the need to drill accurate holes. The PCB Gerber files for an example front panel are attached to this blog post, but I have not tried it, so there are no guarantees yet that it is alright. The underside of the front panel has a copper layer, with space to solder a wire from there to the PCB (since the surfaces of anodized enclosures are not conductive).
Frequency Response
Plenty of testing still needs to be done, however I wanted to check what the frequency response looked like. I applied a sine-wave signal using a function generator, and observed the input and output signals on an oscilloscope (8-bit, but set to high-res mode), for 'good-enough' measurements.
At first glance the response doesn't look very flat but actually the y-axis just covers a few percent. For a first attempt I think it's not bad, but it could be improved. Capacitors C1 and C15 may need adjusting; the output from the first op-amp stage would need to be observed on an oscilloscope, and then C1 would be selected. Then, once the response was flat, the output from the second stage would be monitored and C15 would be selected. Trimmer capacitors could be bodged into place if desired. The response is already flat to within a few percent, so I figured this part of the testing could be for future optimization.
Output Noise Performance
I don't currently have an enclosure for the project, so I placed it in a biscuit/cookie tin to provide shielding. A 50 ohm terminator was attached to the input, and the output was connected to an oscilloscope.
For all of the 'scope screenshots in this section, the timebase was set to 100 msec/div; there are ten horizontal divisions so 1 second of the output signal can be observed. The gain of the amplifier was set to 200.
The screenshot below shows the 'scope trace with the measurement amplifier set to its maximum bandwidth. The 'scope reported 11.4mVp-p, which with a gain of 200 is the equivalent of about 60uVp-p (or 6.5 uV RMS) of noise at the input, which is a lot.
The chart below helps interpret it, by trying to look at the contribution of different frequency content in the noise. The chart shows what would have been the output noise amplitude, if the output was filtered. Were the output to be filtered at 500 kHz, then the peak-to-peak noise would have been half, i.e. about 30uVp-p equivalent at the input. So, one improvement that would be very worthwhile, would be to include such a filter in the circuit.
The chart below is the same as above, but just zoomed into the 0-500kHz area of interest. Now it can be seen more clearly that there will be much reduced noise on the output if a filter is enabled for 10kHz or 1kHz.
And that's exactly what the 'scope trace shows, when the 10 kHz filter button is pressed. Now the output noise is under 2mVp-p, or just under 10uV equivalent noise at the input. That's a lot more usable!
In a similar vein, setting the amplifier filter to 1 kHz also results in reduced noise, 1.5mVp-p at the output, which is about 7.5uVp-p equivalent at the input:
These noise levels are not state-of-the-art, but I think acceptable for (say) typical power supply rail noise measurements.
Trying it out: 5V Regulator Noise Measurement
An LD1117S50CTR voltage regulatorLD1117S50CTR voltage regulator (it is similar to the popular LM1117 voltage regulator) was wired as advised in the datasheet. The 'typical' RMS noise is supposed to be around 150uV RMS according to the datasheet.
The output from the LDO was connected to the input of the measurement amplifier (set to AC mode), and the output of the measurement amplifier was connected to an oscilloscope.
The measurement amplifier was set to a gain of 100, and the 10 kHz filter setting was enabled (to compare more closely with the datasheet since that provided the noise specification with 10Hz to 10 kHz bandwidth).
As can be seen in the screenshot below, the automated oscilloscope measurement indicates that the RMS noise is 10.9mV, which divided by 100 is 109uV RMS. This seems reasonably close to the typical value in the datasheet.
A 'True RMS' multimeter could be used for this measurement if an oscilloscope was not handy. The U1282A multimeterU1282A multimeter has 20Hz (in practice usable down to 10 Hz) to 100kHz bandwidth for RMS measurements, but for a lower bandwidth, there are more options. The Tenma 72-2995 multimeterTenma 72-2995 multimeter should be usable from at least 45 Hz to 20 kHz; it is a very good range for price. Anyway, a true RMS multimeter is not needed here if a 'scope is available.
Summary
Although additional testing needs to be done, I think this revision 3 design looks acceptable enough to now start drilling a front panel, so I can give this project a proper enclosure.
EDIT: In the end, I used the Hammond enclosure and a very low-cost aluminium PCB front-panel, to save drilling and printing labels. It still needs plastic button caps from Aliexpress (search term for those is Button cap round inner diameter 2.8mm square ). See the comments below for more information on the front panel, etc., and the front panel files are also attached, in two versions (for different filter setting labels).
The final amplifier in use Magnetic Sensors, Swatch Watch and a Measurement Amplifier :
The BoM and PCB and front panel files are attached below in case anyone wishes to replicate or improve it!
Thanks for reading!

























Top Comments
-
shabaz
-
Cancel
-
Vote Up
+5
Vote Down
-
-
Sign in to reply
-
More
-
Cancel
-
Andrew J
in reply to shabaz
-
Cancel
-
Vote Up
+4
Vote Down
-
-
Sign in to reply
-
More
-
Cancel
-
shabaz
in reply to Andrew J
-
Cancel
-
Vote Up
+3
Vote Down
-
-
Sign in to reply
-
More
-
Cancel
-
Andrew J
in reply to shabaz
-
Cancel
-
Vote Up
+2
Vote Down
-
-
Sign in to reply
-
More
-
Cancel
Comment-
Andrew J
in reply to shabaz
-
Cancel
-
Vote Up
+2
Vote Down
-
-
Sign in to reply
-
More
-
Cancel
Children