element14 Community
element14 Community
    Register Log In
  • Site
  • Search
  • Log In Register
  • Community Hub
    Community Hub
    • What's New on element14
    • Feedback and Support
    • Benefits of Membership
    • Personal Blogs
    • Members Area
    • Achievement Levels
  • Learn
    Learn
    • Ask an Expert
    • eBooks
    • element14 presents
    • Learning Center
    • Tech Spotlight
    • STEM Academy
    • Webinars, Training and Events
    • Learning Groups
  • Technologies
    Technologies
    • 3D Printing
    • FPGA
    • Industrial Automation
    • Internet of Things
    • Power & Energy
    • Sensors
    • Technology Groups
  • Challenges & Projects
    Challenges & Projects
    • Design Challenges
    • element14 presents Projects
    • Project14
    • Arduino Projects
    • Raspberry Pi Projects
    • Project Groups
  • Products
    Products
    • Arduino
    • Avnet & Tria Boards Community
    • Dev Tools
    • Manufacturers
    • Multicomp Pro
    • Product Groups
    • Raspberry Pi
    • RoadTests & Reviews
  • About Us
    About the element14 Community
  • Store
    Store
    • Visit Your Store
    • Choose another store...
      • Europe
      •  Austria (German)
      •  Belgium (Dutch, French)
      •  Bulgaria (Bulgarian)
      •  Czech Republic (Czech)
      •  Denmark (Danish)
      •  Estonia (Estonian)
      •  Finland (Finnish)
      •  France (French)
      •  Germany (German)
      •  Hungary (Hungarian)
      •  Ireland
      •  Israel
      •  Italy (Italian)
      •  Latvia (Latvian)
      •  
      •  Lithuania (Lithuanian)
      •  Netherlands (Dutch)
      •  Norway (Norwegian)
      •  Poland (Polish)
      •  Portugal (Portuguese)
      •  Romania (Romanian)
      •  Russia (Russian)
      •  Slovakia (Slovak)
      •  Slovenia (Slovenian)
      •  Spain (Spanish)
      •  Sweden (Swedish)
      •  Switzerland(German, French)
      •  Turkey (Turkish)
      •  United Kingdom
      • Asia Pacific
      •  Australia
      •  China
      •  Hong Kong
      •  India
      •  Japan
      •  Korea (Korean)
      •  Malaysia
      •  New Zealand
      •  Philippines
      •  Singapore
      •  Taiwan
      •  Thailand (Thai)
      •  Vietnam
      • Americas
      •  Brazil (Portuguese)
      •  Canada
      •  Mexico (Spanish)
      •  United States
      Can't find the country/region you're looking for? Visit our export site or find a local distributor.
  • Translate
  • Profile
  • Settings
Test Instrumentation
  • Challenges & Projects
  • Project14
  • Test Instrumentation
  • More
  • Cancel
Test Instrumentation
Forum Project PITS Problem
  • Blog
  • Forum
  • Documents
  • Events
  • Polls
  • Files
  • Members
  • Mentions
  • Sub-Groups
  • Tags
  • More
  • Cancel
  • New
Join Test Instrumentation to participate - click to join for free!
Actions
  • Share
  • More
  • Cancel
Forum Thread Details
  • State Verified Answer
  • Replies 18 replies
  • Answers 10 answers
  • Subscribers 19 subscribers
  • Views 3643 views
  • Users 0 members are here
  • current pickup
  • comparator
  • scits
Related

Project PITS Problem

three-phase
three-phase over 7 years ago

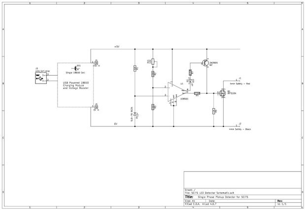
I have been trying to build up a Pick-up Indicator Test System (PITS) to detect the overcurrent indicator on protection relays I test, for the project14 test instrumentation.

 

Once  I figured out that there are some photo diodes that respond better to green LEDs than others, I managed to get the circuit working. However, I then decided to add an output indicator off the negated output of the AD8561 comparator chip I was using. After adding this, both outputs of the comparator remain low and the LED is on all of the time.

 

When I drop out R6, the 10k resistor to the pnp transistor base, the circuit starts to work again.

 

Anybody have any ideas what I am doing wrong? The only thing I can think of doing is to increase the size of R6, I had originally calculated this as 14k for a 1mA base current, but from my limited selection, 10k was the closest I had.

 

I also find that when turned on, the MOSFET has a resistance of 780 ohms, which seems a little high to me?

 

image

 

image

 

Kind regards

  • Sign in to reply
  • Cancel

Top Replies

  • jc2048
    jc2048 over 7 years ago +9 verified
    Your transistor is upside down - you've got the collector and emitter swapped. A transistor will work like that, but the gain is very much less than if you use it the right way round so you'd only ever…
  • Dudley
    Dudley over 7 years ago in reply to dougw +5 suggested
    better now?
  • three-phase
    three-phase over 7 years ago in reply to 14rhb +4 suggested
    Hello Rod, Many thanks for your help. I have read through the data sheet for the AD8561 and it does not say much about the outputs and if they are differential or inverse from one another. I have just…
  • three-phase
    0 three-phase over 7 years ago

    Now I am stuck, can I mark two answers as correct as Rod and Jon have both helped me out?

    • Cancel
    • Vote Up +3 Vote Down
    • Sign in to reply
    • Verify Answer
    • Cancel
  • jc2048
    0 jc2048 over 7 years ago in reply to three-phase

    I think it can only be one. I'd give it to Rod - he got there first.

    • Cancel
    • Vote Up +2 Vote Down
    • Sign in to reply
    • Verify Answer
    • Cancel
  • jc2048
    0 jc2048 over 7 years ago in reply to three-phase

    If it turned out you did need the hysteresis, the datasheet has a section explaining how to implement it.

     

    BTW there's nothing wrong with having the LED drive and MOSFET drive separate, indeed from a design point of view it's probably better - I just thought it was neat that with a 5V rail you could use the 3V drop of the LED to do the level translation up to the transistor and combine the two.

    • Cancel
    • Vote Up +3 Vote Down
    • Sign in to reply
    • Verify Answer
    • Reject Answer
    • Cancel
  • dougw
    0 dougw over 7 years ago in reply to Dudley

    Yes thanks...

    • Cancel
    • Vote Up +1 Vote Down
    • Sign in to reply
    • Verify Answer
    • Cancel
  • dougw
    0 dougw over 7 years ago

    I would flip Q2 (emitter to +5).

    That opamp may not drive high enough to fully turn on the FET.

    Switching R5 to be a pull-up instead of a pull down should help, but it may need to be adjusted to get the optimum thresholds.

    • Cancel
    • Vote Up +2 Vote Down
    • Sign in to reply
    • Verify Answer
    • Reject Answer
    • Cancel
  • 14rhb
    0 14rhb over 7 years ago in reply to jc2048

    Very kind but I'd give it to Jon for his great schematic and circuit knowledge image

     

    Or if you still can't decide, perhaps just forget marking any comments as correct, most readers should be able to follow the thread.

     

    Rod

    • Cancel
    • Vote Up +2 Vote Down
    • Sign in to reply
    • Verify Answer
    • Cancel
  • three-phase
    0 three-phase over 7 years ago

    With the helpful answers, I have made some adjustments and have a rudimentary system functioning.

     

    I have increased the pull down resistor to a 680k in series with 300k. Testing this, the resistance of the MOSFET dropped to 22.1 Ohms with the comparator turned on. So I think for a more final version, I will get a 1M resistor as suggested by Rod.

     

    I then utilised the circuit identified by Jon and can get the LED to light when the comparator is turned on. An added bonus is that the voltage to the gate on the MOSFET has now increased to 4.51V from 3.38V and the resistance of the MOSFET is down to 1.3 Ohms when it is on.

     

    image

     

    Many thanks to jc2048 and 14rhb for your timely assistance, much appreciated.

     

    Kind regards.

    • Cancel
    • Vote Up +3 Vote Down
    • Sign in to reply
    • Verify Answer
    • Reject Answer
    • Cancel
  • three-phase
    0 three-phase over 7 years ago in reply to dougw

    Thans for the suggestion Doug, playing about with the circuit given to me by Jon has brought the gate voltage up to 4.51V, so I don't think I need to convert to a pull up resistor, but is still useful to know.

     

    Kind regards.

    • Cancel
    • Vote Up +3 Vote Down
    • Sign in to reply
    • Verify Answer
    • Cancel
<
element14 Community

element14 is the first online community specifically for engineers. Connect with your peers and get expert answers to your questions.

  • Members
  • Learn
  • Technologies
  • Challenges & Projects
  • Products
  • Store
  • About Us
  • Feedback & Support
  • FAQs
  • Terms of Use
  • Privacy Policy
  • Legal and Copyright Notices
  • Sitemap
  • Cookies

An Avnet Company © 2026 Premier Farnell Limited. All Rights Reserved.

Premier Farnell Ltd, registered in England and Wales (no 00876412), registered office: Farnell House, Forge Lane, Leeds LS12 2NE.

ICP 备案号 10220084.

Follow element14

  • X
  • Facebook
  • linkedin
  • YouTube