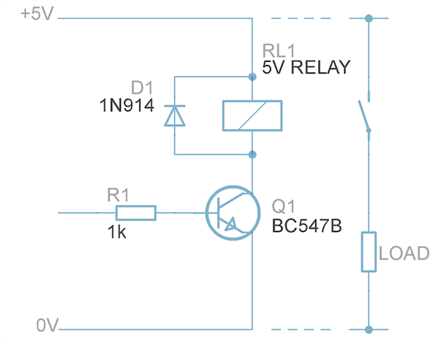
Has anyone tried switching slightly heavier loads using the CodeBug's legs, either using a transistor or a relay? I'm working on something that'll need to switch two loads on and off that I'm pretty sure would melt the CodeBug if I did it directly (maybe 1-2 amps each). I'm thinking that something as simple as a transistor, switched from one of the legs, would do the job, but thought I'd ask if anyone's experimented this as yet?

