In my first post Electronic Diet I explained the title
Okay so the title is a bit misleading.
I'm not planning on consumming electronics, or removing electronics from my diet (no I don't eat parts)
source https://favim.com/image/474959/
The plan
1. Check the current consumption of the unit.
2. Check to see if it can easily be reduced, and by how much.
3. Either fix it or replace it.
I've managed to find all the information about my fitted alarm unit.
In my digging around I even found the spare in it's box, along with about 4 others I had for repair/modification.
source 3 minions (me, myself and I)
As the photo shows, these are old school with lots of discrete components, some CMOS chips and there is two different versions.
From what I recall both are 49MHz receivers, it's simply that one is much better.
However there does seem to be space for two relays, and I'm guessing that the one on the right might have had the ability to do the central locking without the extra unit.
I'm very happy the old unit has withstood the test of time, along flat batteries, massive voltage spikes and whatever else has been thrown at it.
BUT it does need to go on a diet and eat less joules.
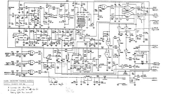
I've scanned the circuit diagram, and there is lots of options to tweak values.
As a comparison this is the other unit I'm looking at.
source 3 minions (me, myself and I)
It becomes fairly clear that there is very little capacity to reduce this units current consumption.
I can make some educated guess'es about the function of the other IC's, without looking underneath.
IC4 is to drive the relays for the integrated central locking.
IC3 is to store the codes or the options selected when you program it.
IC1 looks like a regulator, and the screen printing shows a TO220 style (1A LM7805LM7805 ) but it has a TO-92 fitted ( 100mA 78L0578L05)
The board standing up is a 305MHz receiver, and will be using a SAW type filter https://en.wikipedia.org/wiki/Surface_acoustic_wave
Current Consumption
The purpose of this is not to compare technology that is 20+ years apart, but help stop my battery going flat.
I've performed these measurements on the bench, and the first thing is to set the power supply to 12.00 volts.
This represents a figure that the battery may drop to when it's not being charged, and has been sitting for some time.
I'm not connecting anything to the inputs because when the doors are closed, the door switch is open.
So any pullup circuitry used on the inputs will be unaffected by not connecting the door switches.
Both units flash a LED, and the current consumption will change.
Luckily I was able to Road Test a Keysight U1282AU1282A back in 2016 RoadTest the Keysight U1282A Digital Multimeter - Review
What wasn't indicated during the testing was the ability to view the max and min values, along with the average.
So despite the display changing, it's easy to get the figures.
Fitted Alarm
The current consumption is 65 mA in it's idle state.
This was lower than I imagined, but none the less quite high.
Most of the time the alarm isn't set but since it's powering a LED via a 1K resistor it could provide 9 mA when flashing.
Comparison model
The current consumption is 9.15 mA in it's idle state, rising to 12.48 mA as the LED flashed.
Why is the battery going flat?
So there was some questions, suggestions and ideas passed in the last post comments.
I hadn't given all the information about the vehicle, so to be fair these were valid comments about the battery condition.
Deep Cycle batteries are rated in AH, that is Amps per Hour, or if you want to swap it around how many hours at x Amps.
Generally the rating is based on a 10H discharge (ie at their rated cell voltage is reached in 10 hours), BUT I've seen some rated at the 20 hour rate, which indicates to me that they are not capable of high discharge rates.
Car batteries on the other hand are rated in CCA, or Cold Cranking Amps and usually have a temperature figure (often 20degC)
This figure represents the amount of current available to crank over your car, and has very little bearing on the AH.
Looking at a few batteries the CCA is 550-660 and the Reserve Capacity is 90-125.
So how many hours?
65mA is 0.065A.
90 AH / 0.065 = 1384 hours, which equates to 57.666 days until there is no capacity left.
If you expect to start the vehicle, you need some capacity, so it's not hard to see why this is going flat.
Solution
Well I now have some of the figures.
I need to do some more checks to see what other current vampires it has, before settling on the solution.
Since it's wet outside, this will have to wait until tomorrow and the next blog.
Part 3 here Electronic Diet - Engineering a Solution
Mark







Top Comments
-
jw0752
-
Cancel
-
Vote Up
+1
Vote Down
-
-
Sign in to reply
-
More
-
Cancel
-
mcb1
in reply to jw0752
-
Cancel
-
Vote Up
+1
Vote Down
-
-
Sign in to reply
-
More
-
Cancel
Comment-
mcb1
in reply to jw0752
-
Cancel
-
Vote Up
+1
Vote Down
-
-
Sign in to reply
-
More
-
Cancel
Children