One of the advantages of having some knowledge of electronics, is the ability to save money on repairs.
Over the years I repaired a few houshold appliances, simply by knowing where to find information and narrowing down the problem.
Information
The first thing to do is search for a manual.
You are after a 'service manual' rather than the owners manual, and in many cases there is one somewhere in the world.
Often you can find the particular appliance was sold under different brands in different countries.
If the usual search doesn't turn up anything, then searching forums for the odd link to manuals is another source.
Searching under Error codes for the appliance often leads to the forums where repairers discuss problems.
You generally need to do a bit of reading, but often this reaps rewards for your effort.
If nothing else it can lead you to a solution.
Fault Identification
A fault is something that is either present or can be reproduced.
It's important to note the symptoms and the cause, so you can replicate it.
Once you can replicate it, then you can check if the repair was successful.
If it only sometimes occurs, and there is no certain way to provoke or cause it, then it is an intermittant fault.
These are a challenge and sometimes require an educated guess and repeated checking or more extensive checking.
As above, try to capture as much information about the symptoms or causes as you can, so you can identify when it occurs.
Most modern appliances produce an Error Code, and while the owners manual might tell you to ring the agent, the service manual will tell you what the code relates to.
Some appliances require you to do xyz in order to view the code (or clear it), and others allow you to enter into a diagnostic mode.
I struck this with our washing machine.
On this occasion it threw an error and left the bowl full of water.
When I entered the diagnostic mode, it showed a pump problem (well that was obvious), but it allowed me to manually control the pump, which you could hear trying to work.
The manual had a number of suggestions, and one was a blocked pump, which the symptoms fitted.
The solution was to empty the water then dismantle the whole thing to get to the pump intake and remove the small hankerchief that was blocking the pump.!
At the same time the grime and buildup from the bowls was water blasted off, and a new agitator was fitted.
The Intermittant Vehicle
I have a 1999 Suzuki Grand Vitara, that we purchased new, but now has 270,000km on the clock.
It was used to teach both kids how to drive, and is now the spare car, that gets used in winter for skiing and for towing the trailer.
Over the last two years it has developed an intermittant fault where the vehicle won't start, and the Glow Light flashes indicating an engine fault.
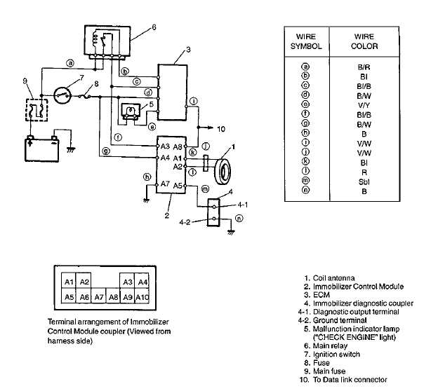
Looking at the service manual it shows how to check the code, which indicates the Immobiliser and ECM aren't communicating.
This model uses a transponder style key which is verified by the ECM before it will allow the vehicle to start.
(see my NFC Blog NFC What is it? )
Removing the battery lead and waiting 1 or 2 minutes seems to cure it, and luckily the weather has been kind when it goes faulty.
This fault has shown up 4 or 5 times over the past two years, in different temperatures, and when the vehicle is warm or cold, so it really has no pattern.
A new ECU or immobiliser is out of the question due to the expense and because it requires the agent to reprogram the keys to match.
While we know how to fix it, if we lend it to friends then it can be a problem.
What to do
One answer is to replace the vehicle.
The vehicle owes us virtually nothing, is reliable when it is running, and sits outside when its at home.
Getting rid of it means we have no 4WD for skiing and no spare car (handy when you live out in the country).
So that option isn't high on my list.
The fault code suggests the Data Link between Immobiliser and ECM is faulty ... but which end?.
Second hand parts are not even worth asking about.
The least expensive option seems to be try fixing the Immobiliser since the ECM isn't showing any other problems, and its the easiest to get to.
Photo source 3 minions (me, myself and I) Module removed.
Diagnostic
Because this fault is intermittant, it's important to gather as much information as you can BEFORE attempting a repair.
The manual showed the connections.
I decided that I would check the Data Link pin with an oscillosope to see what the data looked like.
During the Forget Me Not challenge the competitors were given a Tektronix oscilloscopeTektronix oscilloscope, which allowed capturing and saving the image.
This is vital in these situations and proved invaluable.
This is the capture of the data being sent from the Immobiliser to the ECM before repair
As you can see the waveform is not a nice square wave but tends to be a series of peaks.
At this point there were no faults so presumably the data is good enough for the ECM to understand it.
Repair
I had already removed the cover in order to get the oscilloscope into the relevant parts, and had looked for an obvious fault.
Photo source 3 minions (me, myself and I)
Some of the things to look for is broken or poor solder joints (especially around the connector), water ingress that has caused conductance or eroded a track, or leaky capacitors.
There is no circuit information, but the module includes a microprocessor and some ancillary parts to drive the antenna and outputs.
Due to the connections, it wasn't possible to run this on the bench, so some educated guesswork is involved.
Since microprocessors don't run on 12v, there had to be a regulator, and when there is a regulator there are capacitors to filter the supply line.
This unit had 3 supply capacitors and while they looked fine, removing them and replacing them was the simpliest repair.
New Filter caps circled
In the past we have given lots of advice to people over the importance of a good supply and filtering when dealing with digital circuits, and this was a digital circuit.
Testing
Fitting it back into the vehicle and running the same test resulted in this picture.
This is the capture of the data being sent from the Immobiliser to the ECM after repair.
As you can see the waveform is significantly more square in shape.
The error code is not present, but it wasn't immediately before the repair, so that is no guarantee.
The next task is to replace the cover, bolt in back in place and 'suck it and see'.
Mark








Top Comments