element14 Community
element14 Community
    Register Log In
  • Site
  • Search
  • Log In Register
  • About Us
  • Community Hub
    Community Hub
    • What's New on element14
    • Feedback and Support
    • Benefits of Membership
    • Personal Blogs
    • Members Area
    • Achievement Levels
  • Learn
    Learn
    • Ask an Expert
    • eBooks
    • element14 presents
    • Learning Center
    • Tech Spotlight
    • STEM Academy
    • Webinars, Training and Events
    • Learning Groups
  • Technologies
    Technologies
    • 3D Printing
    • FPGA
    • Industrial Automation
    • Internet of Things
    • Power & Energy
    • Sensors
    • Technology Groups
  • Challenges & Projects
    Challenges & Projects
    • Design Challenges
    • element14 presents Projects
    • Project14
    • Arduino Projects
    • Raspberry Pi Projects
    • Project Groups
  • Products
    Products
    • Arduino
    • Avnet Boards Community
    • Dev Tools
    • Manufacturers
    • Multicomp Pro
    • Product Groups
    • Raspberry Pi
    • RoadTests & Reviews
  • Store
    Store
    • Visit Your Store
    • Choose another store...
      • Europe
      •  Austria (German)
      •  Belgium (Dutch, French)
      •  Bulgaria (Bulgarian)
      •  Czech Republic (Czech)
      •  Denmark (Danish)
      •  Estonia (Estonian)
      •  Finland (Finnish)
      •  France (French)
      •  Germany (German)
      •  Hungary (Hungarian)
      •  Ireland
      •  Israel
      •  Italy (Italian)
      •  Latvia (Latvian)
      •  
      •  Lithuania (Lithuanian)
      •  Netherlands (Dutch)
      •  Norway (Norwegian)
      •  Poland (Polish)
      •  Portugal (Portuguese)
      •  Romania (Romanian)
      •  Russia (Russian)
      •  Slovakia (Slovak)
      •  Slovenia (Slovenian)
      •  Spain (Spanish)
      •  Sweden (Swedish)
      •  Switzerland(German, French)
      •  Turkey (Turkish)
      •  United Kingdom
      • Asia Pacific
      •  Australia
      •  China
      •  Hong Kong
      •  India
      •  Korea (Korean)
      •  Malaysia
      •  New Zealand
      •  Philippines
      •  Singapore
      •  Taiwan
      •  Thailand (Thai)
      • Americas
      •  Brazil (Portuguese)
      •  Canada
      •  Mexico (Spanish)
      •  United States
      Can't find the country/region you're looking for? Visit our export site or find a local distributor.
  • Translate
  • Profile
  • Settings
Arduino
  • Products
  • More
Arduino
Arduino Forum What is the problem?
  • Blog
  • Forum
  • Documents
  • Quiz
  • Events
  • Polls
  • Files
  • Members
  • Mentions
  • Sub-Groups
  • Tags
  • More
  • Cancel
  • New
Join Arduino to participate - click to join for free!
Actions
  • Share
  • More
  • Cancel
Forum Thread Details
  • State Verified Answer
  • Replies 33 replies
  • Answers 3 answers
  • Subscribers 394 subscribers
  • Views 2141 views
  • Users 0 members are here
  • flickering
Related

What is the problem?

rishi2628
rishi2628 over 10 years ago

I have made the following circuit, can anyone please tell me why the seven segments are flickering. I have used multiplexing, don't tell me it is because of that. I have tried it prototyping on an arduino uno and it worked perfectly.SO its not because of the multiplexing!! and its not the code. I think something is interfering or resetting the microcontroller because it does not store the values on the seven segments.The motors on the right are not connected. Any clue what is wrong?

  • Sign in to reply
  • Cancel

Top Replies

  • balearicdynamics
    balearicdynamics over 10 years ago in reply to rishi2628 +2
    RIshi, mcb1 told that there is a power problem NOT because the 7805 is a crap component but because, with a reasonable difficult we are trying to decode your info and seems that your schematic has issues…
  • mcb1
    mcb1 over 10 years ago in reply to balearicdynamics +2
    rishi2628 The syntax highlighting that Enrico is referring to is a little hidden. It's a shame there isn't a simple icon, but we struggled to get it added, so it's better than nothing. past you code, then…
  • clem57
    clem57 over 10 years ago +2
    Why do you automatically discount multiplexing? Just because it worked one place does not mean it works in ALL places... You could have affected other wires while hooking up from the old Uno. Many factors…
  • balearicdynamics
    0 balearicdynamics over 10 years ago in reply to rishi2628

    image G'Night

    • Cancel
    • Vote Up +1 Vote Down
    • Sign in to reply
    • Verify Answer
    • Cancel
  • Former Member
    0 Former Member over 10 years ago

    Can the atmega actually source/sink the current needed by the display? maybe it's functioning within acceptable parameters to start with but it's probably becoming oversaturated and getting hot resulting in brownouts?

     

    9v batteries don't supply a great amount of power either so definately a nicely sized smoothing cap on the power rails wouldn't go amiss either.

     

    --------------------

    edit:

     

    Do you have a multimeter to check the voltages?

    If you are using a 7805, when they get hot they also start pulsing on and off so just check to make sure it's capable of supplying the current you need and also a temperature check while it's in operation would remove that doubt.

     

    Lucie

    • Cancel
    • Vote Up +1 Vote Down
    • Sign in to reply
    • Verify Answer
    • Reject Answer
    • Cancel
  • mcb1
    0 mcb1 over 10 years ago in reply to Former Member

    The other link to the previous post suggests that he has a problem whenever the servo(s) are attached.

     

    Unfortunately in the previous post we only got partial information so until we get it all, its hard to say what is happening.

    There are no series resistors on the anode side, but maye they are included in the common.

    Unfortunately he hasn;t answered about the schematic errors, so we really need rishi2628 to read the various ansers and fill in the missing bits.

     

    If he does use a multimeter, it won't show the spikes, but it will show the average voltage.

     

    Mark

    • Cancel
    • Vote Up 0 Vote Down
    • Sign in to reply
    • Verify Answer
    • Cancel
  • mcb1
    0 mcb1 over 10 years ago in reply to balearicdynamics

    rishi2628

     

    The syntax highlighting that Enrico is referring to is a little hidden.

    It's a shame there isn't a simple icon, but we struggled to get it added, so it's better than nothing.

     

    past you code, then highlight it all and

    Select the >> symbol, then Syntax Highlighting, then C++

    image

    It does have issues with blank lines, and tries to make it Excel, but I'm sure you'll sort it out.

     

    Mark

    • Cancel
    • Vote Up +2 Vote Down
    • Sign in to reply
    • Verify Answer
    • Cancel
  • rishi2628
    0 rishi2628 over 10 years ago

    mcb1

    clem57

    balearicdynamics

    Robert Peter Oakes

     

    Ok here is the complete circuit with EVERYTHING. Please note a couple of things:-

    1) I have not used capacitors with 7805, hope it does not cause any problem.

    2)The 5 volt output from 7805 powers 2 pwm servos and the atmega328p microcontroller. It is also attached to the input buttons.

    3)Even when i detach the servos from the circuit , the flickering still happens which is evident from the video.

    4)I have attached 0.1uf capacitors to every switch including reset button to prevent debouncing.

    5)I am using analog pins as output pins

    6) Lastly if anybody hasn't seen the flickering problem them please visit the link below, and note that for 20 seconds it works ok, then the flickering start.

    https://www.youtube.com/watch?v=hdxqWKZSfso

     

    Now here is the complete circuit:-

    (please open it in new tab for a magnified image)

     

    image

    • Cancel
    • Vote Up 0 Vote Down
    • Sign in to reply
    • Verify Answer
    • Cancel
  • balearicdynamics
    0 balearicdynamics over 10 years ago in reply to rishi2628

    Many thanks, Rishi!

     

    Well, first of all the power regulator without capacitors (and few other discrete components) is not the worth. At least it reduce the life of the battery, but it is very probable that one of the causes of the flickering depends on this, plus many other issues.

     

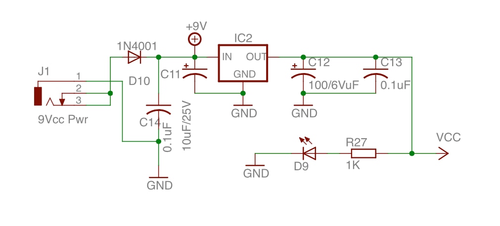
    About the problem os the regulator, it is very probable that you incur in the ripple  issue. Whenever current is drawn from a regulator the voltage will start to drop but it is needed an amount of time before the regulator start increasing the voltage to compensate.  This is the ripple effect.  The amount of ripple will be larger if more current is drawn from the regulator so I suppose that when the system starts things seems going well but then the performances decreases as time go ahead; tale in account that the LM7805 as all this kind of regulators compensate the current with temperature dispersion so as time passes the system tend to be hot and the effect is more visibile..  To compensate the ripple effect just a capacitor provides a temporary bank of energy.  This is used to keep the voltage stable.

     

    As source of inspiration please see the schematic in the image below.

     

    image

     

    Hope you are not offending if I prefer that this part is set correctly before we take in consideration more in depth the circuit. I think that your excessive simplification may really create serious unwanted behavior to your system.

     

    Enrico

    • Cancel
    • Vote Up +1 Vote Down
    • Sign in to reply
    • Reject Answer
    • Cancel
  • clem57
    0 clem57 over 10 years ago

    Why do you automatically discount multiplexing? Just because it worked one place does not mean it works in ALL places... You could have affected other wires while hooking up from the old Uno. Many factors are at play all the time. Check out for the obvious before looking for the sublime.

    • Cancel
    • Vote Up +2 Vote Down
    • Sign in to reply
    • Verify Answer
    • Cancel
  • balearicdynamics
    0 balearicdynamics over 10 years ago in reply to clem57

    @clem57 to be honest I have not understood image

    • Cancel
    • Vote Up +1 Vote Down
    • Sign in to reply
    • Verify Answer
    • Cancel
  • balearicdynamics
    0 balearicdynamics over 10 years ago in reply to balearicdynamics

    brishisharma happy that you have solved the problem!!!

     

    Reading the past posts I see that wrote:

     

    Do you have a multimeter to check the voltages?

    If you are using a 7805, when they get hot they also start pulsing on and off so just check to make sure it's capable of supplying the current you need and also a temperature check while it's in operation would remove that doubt.

    but unfortunately we had not yet your full circuit image

    • Cancel
    • Vote Up +1 Vote Down
    • Sign in to reply
    • Verify Answer
    • Cancel
  • Former Member
    0 Former Member over 10 years ago in reply to balearicdynamics

    It's usually better to not power the servo's from the same source as the microcontroller but it is entirely possible with the right design. Most linear voltage regulator circuits should be built around a setup similar to the one balearicdynamics posted above with a small ceramic capacitor to smooth high frequency distortions and a larger electrolytic capacitor to provide extra power when needed.

     

    Moving on from, powering the servos from there directly and then placing a diode between there and your microcontroller with another capacitor after it will give your logic circuit it's own independent power reserve which would help prevent it from resetting during times of heavy load.

     

    I used this setup in one of my small robots that used 2 servo's powered from the same regulator as the logic and very rarely have power issues with it. They will occur if the servo's are pushed to their stall torque for any lengthy period of time but if thats happening then you should become more concerned over the possible damage to the serbo's and redesign the system around that.

     

     

    Lucie

    • Cancel
    • Vote Up +2 Vote Down
    • Sign in to reply
    • Verify Answer
    • Cancel
<>
element14 Community

element14 is the first online community specifically for engineers. Connect with your peers and get expert answers to your questions.

  • Members
  • Learn
  • Technologies
  • Challenges & Projects
  • Products
  • Store
  • About Us
  • Feedback & Support
  • FAQs
  • Terms of Use
  • Privacy Policy
  • Legal and Copyright Notices
  • Sitemap
  • Cookies

An Avnet Company © 2025 Premier Farnell Limited. All Rights Reserved.

Premier Farnell Ltd, registered in England and Wales (no 00876412), registered office: Farnell House, Forge Lane, Leeds LS12 2NE.

ICP 备案号 10220084.

Follow element14

  • X
  • Facebook
  • linkedin
  • YouTube