element14 Community
element14 Community
    Register Log In
  • Site
  • Search
  • Log In Register
  • Community Hub
    Community Hub
    • What's New on element14
    • Feedback and Support
    • Benefits of Membership
    • Personal Blogs
    • Members Area
    • Achievement Levels
  • Learn
    Learn
    • Ask an Expert
    • eBooks
    • element14 presents
    • Learning Center
    • Tech Spotlight
    • STEM Academy
    • Webinars, Training and Events
    • Learning Groups
  • Technologies
    Technologies
    • 3D Printing
    • FPGA
    • Industrial Automation
    • Internet of Things
    • Power & Energy
    • Sensors
    • Technology Groups
  • Challenges & Projects
    Challenges & Projects
    • Design Challenges
    • element14 presents Projects
    • Project14
    • Arduino Projects
    • Raspberry Pi Projects
    • Project Groups
  • Products
    Products
    • Arduino
    • Avnet & Tria Boards Community
    • Dev Tools
    • Manufacturers
    • Multicomp Pro
    • Product Groups
    • Raspberry Pi
    • RoadTests & Reviews
  • About Us
    About the element14 Community
  • Store
    Store
    • Visit Your Store
    • Choose another store...
      • Europe
      •  Austria (German)
      •  Belgium (Dutch, French)
      •  Bulgaria (Bulgarian)
      •  Czech Republic (Czech)
      •  Denmark (Danish)
      •  Estonia (Estonian)
      •  Finland (Finnish)
      •  France (French)
      •  Germany (German)
      •  Hungary (Hungarian)
      •  Ireland
      •  Israel
      •  Italy (Italian)
      •  Latvia (Latvian)
      •  
      •  Lithuania (Lithuanian)
      •  Netherlands (Dutch)
      •  Norway (Norwegian)
      •  Poland (Polish)
      •  Portugal (Portuguese)
      •  Romania (Romanian)
      •  Russia (Russian)
      •  Slovakia (Slovak)
      •  Slovenia (Slovenian)
      •  Spain (Spanish)
      •  Sweden (Swedish)
      •  Switzerland(German, French)
      •  Turkey (Turkish)
      •  United Kingdom
      • Asia Pacific
      •  Australia
      •  China
      •  Hong Kong
      •  India
      •  Japan
      •  Korea (Korean)
      •  Malaysia
      •  New Zealand
      •  Philippines
      •  Singapore
      •  Taiwan
      •  Thailand (Thai)
      •  Vietnam
      • Americas
      •  Brazil (Portuguese)
      •  Canada
      •  Mexico (Spanish)
      •  United States
      Can't find the country/region you're looking for? Visit our export site or find a local distributor.
  • Translate
  • Profile
  • Settings
Dev Tools
  • Products
  • More
Dev Tools
Forum Powering a microcontroller with a variable AC source
  • Forum
  • Documents
  • Files
  • Members
  • Mentions
  • Sub-Groups
  • Tags
  • More
  • Cancel
  • New
Join Dev Tools to participate - click to join for free!
Actions
  • Share
  • More
  • Cancel
Forum Thread Details
  • Replies 8 replies
  • Subscribers 84 subscribers
  • Views 1031 views
  • Users 0 members are here
  • magneto
  • ac_rectifying
  • management
  • power_management
  • power_distribution
  • power_supply
  • power_conversion
  • power
  • power.power
Related

Powering a microcontroller with a variable AC source

Catwell
Catwell over 15 years ago
I have a possible future project idea and already have a challenge with it.

I want to power a microcontroller, 5V@2A DC, with a variable AC source. The AC source may vary from 1 to 50kHz, and 5V to 100V AC. Voltage is linear with frequency. The source may also vary on the fly.

What are some good strategies to regulate the power and keep it clean?

Cabe
  • Sign in to reply
  • Cancel
Parents
  • Jorge_Garcia
    Jorge_Garcia over 15 years ago

    Hi Cabe,

     

    In your spec you have a varying frequency and varying voltage amplitude. This situation is similar to wind turbines, where the frequency and the magnitude of the generated voltage is variable and unpredictable within certain limits.

     

    What they do is convert the varying freq, varying amplitude signal and convert it to a varying DC level through rectifiers (Thus removing the varying frequency element of the input power) from there they use an inverter to get 120VAC, perhaps a similar idea is applicable to your project, you haven't given to many details so I'm speculating.

     

    Since your final output is DC then you don't need the inverter. If the resulting DC voltage will be higher and lower then the desired output voltage (5V) then you'll have to use a buck-boost,SEPIC, Cuk, or Zeta Converter. If you can somehow constrain the variability of the input power source then maybe you can avoid the higher-order topologies.

     

    hth,

    Jorge Garcia

    • Cancel
    • Vote Up 0 Vote Down
    • Sign in to reply
    • Cancel
  • Catwell
    Catwell over 15 years ago in reply to Jorge_Garcia

    Jorge,

     

    Thank you for the reply. I did not know that is how they handled wind turbines.

     

    My device needs to maintain a consistent DC voltage on the output. And I want to take as much of the excess voltage, from the AC source, and store it. So when the AC source drops low, I can supplement the deficiency with the stored energy. And I would like to not dissipate energy as heat from my device. A buck-boost topology could definitely handle the output.

    The difficulty here is handling the source. Perhaps I should make a two stage device? One for energy storage, and one for the output.

     

    Cabe

    • Cancel
    • Vote Up 0 Vote Down
    • Sign in to reply
    • Cancel
  • Jorge_Garcia
    Jorge_Garcia over 15 years ago in reply to Catwell

    Hi Cabe,

     

    That definitely sounds like the way to go. You could rectify the source and then use a buck-boost converter for the output to your main device. You could then use a secondary converter to charge batteries of whatever chemistry you plan to use. You would do well to have the micro monitor the amount of power available and assign priorities.

     

    For example the uC circuit will have the highest priority, and the battery charger will have the lowest. The battery charger will only run if sufficient power is generated to run both the uC and the charger, otherwise only the microcontroller will be active.

     

    hth,

    Jorge Garcia

    • Cancel
    • Vote Up 0 Vote Down
    • Sign in to reply
    • Cancel
  • lpetacchi
    lpetacchi over 15 years ago in reply to Jorge_Garcia

    Hi,

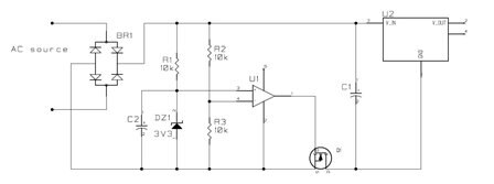
    I'd like to propose a different approach, based on a preregulator followed by an LDO. I sketched it out in the schematic below. Q1 is a controlled diode (like the SCR bridge you can find in 50Hz transformer based AC/DC supplies), switched on only for rectified voltages below a threshold.

     

    image

    • Cancel
    • Vote Up 0 Vote Down
    • Sign in to reply
    • Cancel
  • Catwell
    Catwell over 15 years ago in reply to lpetacchi

    Ipetacchi,

     

    Interesting idea, amplify if it drops below a threshold. I think I would like to try this setup with some sort of charging circuit for an onboard battery.

     

    Thanks again.

     

    Cabe

    • Cancel
    • Vote Up 0 Vote Down
    • Sign in to reply
    • Cancel
  • Catwell
    Catwell over 14 years ago in reply to Catwell

    I am definitely thinking of moving in this direction:

    AC source -> conditioner circuit -> charging circuit -> battery -> microcontroller or other components

     

    Thoughts?

     

    Cabe

    • Cancel
    • Vote Up 0 Vote Down
    • Sign in to reply
    • Cancel
Reply
  • Catwell
    Catwell over 14 years ago in reply to Catwell

    I am definitely thinking of moving in this direction:

    AC source -> conditioner circuit -> charging circuit -> battery -> microcontroller or other components

     

    Thoughts?

     

    Cabe

    • Cancel
    • Vote Up 0 Vote Down
    • Sign in to reply
    • Cancel
Children
No Data
element14 Community

element14 is the first online community specifically for engineers. Connect with your peers and get expert answers to your questions.

  • Members
  • Learn
  • Technologies
  • Challenges & Projects
  • Products
  • Store
  • About Us
  • Feedback & Support
  • FAQs
  • Terms of Use
  • Privacy Policy
  • Legal and Copyright Notices
  • Sitemap
  • Cookies

An Avnet Company © 2026 Premier Farnell Limited. All Rights Reserved.

Premier Farnell Ltd, registered in England and Wales (no 00876412), registered office: Farnell House, Forge Lane, Leeds LS12 2NE.

ICP 备案号 10220084.

Follow element14

  • X
  • Facebook
  • linkedin
  • YouTube