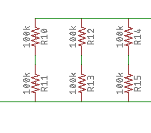
Suppose this situation. I have 3 resistors in parallel. I draw a line from resistor 1 to 3, like the picture below.
Are these 4 resistors connected electrically of do I need to put a junction like this?
My intention is to convert this into a PCB later.
Another question... are two lines that touch connected electrically or do I have to put a junction?
Thanks


