Raspberry Pi Pico
We are very excited to introduce the all new Raspberry Pi Pico, a tiny, $4, MicroPython and C/C++ board with custom RP2040 silicon.
This is the first product from the Raspberry Pi Foundation built with their in house designed RP2040.
At $4 and available individually or even available on reels, this Raspberry Pi is the next step in home and industrial products.
Looking at the edge of the PCB you can see the Raspberry Pi Pico has been designed to be used with header pins or soldered directly onto your products PCB.
James Adams, Chief Operating Officer, Raspberry Pi Trading, said:
“This is the start of an exciting new era for Raspberry Pi. With Raspberry Pi Pico, and RP2040, we have been able to draw on insights drawn from a decade of using other vendors’ microcontrollers, and to create an innovative silicon platform for our customers. People have used Raspberry Pi to create a broader spread of projects and products than we could have imagined a decade ago; we’re sure the same will be true of Raspberry Pi Pico.”
Raspberry Pi Pico Specifications:
- GPIO and Debug Pins
- RP2040 Microcontroller
- Two cores clocked at 133MHz
- 256KB RAM
- 2MB of On-board Flash Memory
- Micro-USB B Port for Power, Data and Reprogramming of the Flash memory.
Raspberry Pi Pico Peripherals:
- I2C x4
- SPI x2
- PWM x2
- UART x2
- Timer
- RTC
- ADC & TS
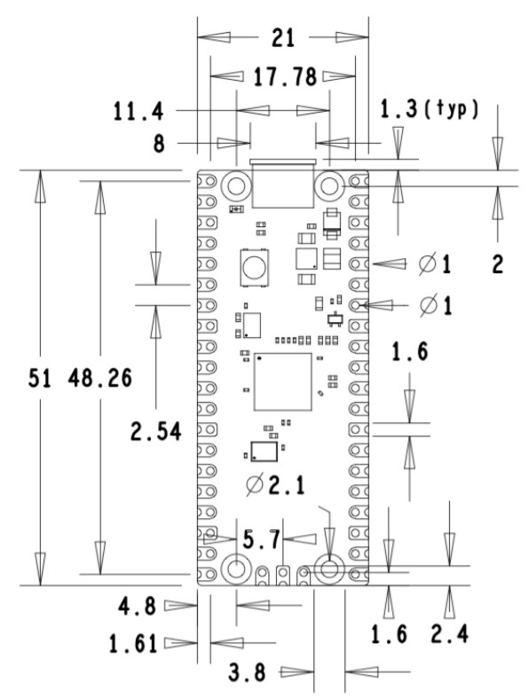
Raspberry Pi Pico Dimensions:
21mm (W) x 51.3mm (L) x 3.9mm (H)
Raspberry Pi Pico GPIO Pinout
The 40 pin 21x51 'DIP' style 1mm thick PCB with 0.1" through-hole pins also with edge castellations
- Exposes 26 multi-function 3.3V General Purpose I/O (GPIO)
- 23 GPIO are digital-only and 3 are ADC capable
- Can be surface mounted as a module
- 3-pin ARM Serial Wire Debug (SWD) port
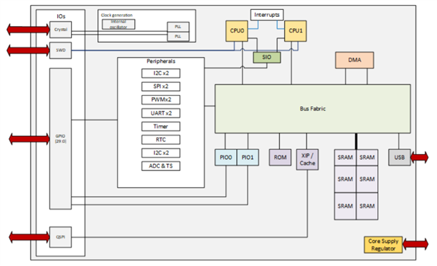
First Product built on Raspberry Pi designed Silicon - Meet the RP2040
Raspberry Pi Pico is built around the brand-new Raspberry Pi RP2040 microcontroller, delivering a flexible, highly affordable development platform that can also be directly deployed into end products, reducing time-to-market. RP2040 offers high performance for integer workloads, a large on-chip memory, and a wide range of I/O options, making it a flexible solution for a wide range of microcontroller applications.
Professional design engineers who are already comfortable working with Raspberry Pi will easily adopt the Raspberry Pi Pico and appreciate its ease of use and affordability.
RP2040 Microcontroller.
RP2040 is a low-cost, high-performance microcontroller device with flexible digital interfaces. Key features:
• Dual Cortex M0+ processors, up to 133 MHz
• 264 kB of embedded SRAM in 6 banks
• 30 multifunction GPIO
• 6 dedicated IO for SPI Flash (supporting XIP)
• Dedicated hardware for commonly used peripherals
• Programmable IO for extended peripheral support
• 4 channel ADC with internal temperature sensor, 0.5 MSa/s, 12 bit conversion
• USB 1.1 Host/Device
Developer tools
Simple drag and drop programming via micro-USB. 3-pin Serial Wire Debug (SWD) for interactive debugging. Comprehensive C SDK, mature MicroPython port, and extensive examples and documentation.
Power
On-board power supply to generate 3.3V for RP2040 and external circuitry. Wide input voltage range, from 1.8V to 5.5V, giving designers the flexibility to select their preferred power source.





Top Comments