
How to solve the above UBL error.

How to solve the above UBL error.

how to solve the above error.
Is that with a USB-UART serial cable direct to the EVAL board bypassing the Landungsbruecke board ?
Is the UART cable still using COM3 and showing up ok in Device Manager ?
Is your UART set at the correct BAUD rate etc for the EVAL board ?
Is Tx/Rx wired the correct way around ? Tx -> Rx / Rx <- Tx
I am using the microcontroller board that is provided by the TMC-9660-3PH-EVAL to perform that operation. I don't have USB to UART serial cable.
You need to use the Python wrapper if you are connecting via the Landungsbruecke interface.
If you have a serial UART you can bypass the Landungsbruecke interface and go direct to the TMC-9660-3PH-EVAL motor controller board. (This temporarily removes the Landungsbruecke and wrapper from the equation in order to configure the bootloader)
If you have an Arduino you may be able to use that as a USB to UART.
Yes, I have arduino mkr wifi 1010. will it work.
It's probably easier with an UNO but perhaps take a look at the Multiple Serial Example in the Arduino language reference.

Hint: you will probably want to use the .write() function rather than the .print() function shown in the example.
probably easier with an UNO
If the TMC-9600 is powered by 3.3V, then the MKR would be the safer choice. In that case, max voltage on the IO pins is 3.6V. A UNO sends 5V.
How to do it using the microcontroller board provided from TMC-9660-3PH-EVAL using python wrapper.

I'm guessing that up until now that has been 5V from the USB via the Landungsbruecke interface ?

You've already done that back here:
The problem is that it appears to be getting an unrecognised response back when it is expecting the device ID value.
You could perhaps try the standard fault-finding stuff like:
"I'm guessing that up until now that has been 5V from the USB via the Landungsbruecke interface ?"
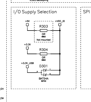
No. This is doing the selection on the TMC9660 board for the +VCC_IO

So it comes set for +3V3, derived from the internal buck if the motor supply is there, or +3V3 derived from the USB supply from the application processor board if not. (There's a linear regulator on the TMC9660 board to take the +5_USB down to +3.3V_USB.)
"I'm guessing that up until now that has been 5V from the USB via the Landungsbruecke interface ?"
No. This is doing the selection on the TMC9660 board for the +VCC_IO

So it comes set for +3V3, derived from the internal buck if the motor supply is there, or +3V3 derived from the USB supply from the application processor board if not. (There's a linear regulator on the TMC9660 board to take the +5_USB down to +3.3V_USB.)