I was contacted by a supplier who is interested in giving hardware for free to someone who could do a project for them featuring Cypress's PSoc6 BLE kit + Honeywell Pressure Sensor Shield.
They would like the person to do the following:
Interface the pressure sensors of the Honeywell Sensor Shield with the PSoC 6 analog/digital peripherals and then transmit data via BLE or showcasing it on the E-ink display of the PSoC 6 BLE Kit. The project should have some kind of medical application. For example, measuring pressure in some kind of health/medical application.
Just to refresh your mind, here are the parts involved:
Click here for more information or review the roadtest we did on this product: https://www.element14.com/community/roadTests/1862/l/cypress-psoc-6-ble-pioneer-kit-cy8ckit-062-ble#comment-117223
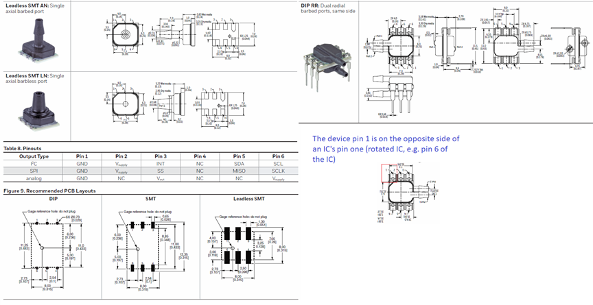
Click here for more information on this Honeywell Sensor Shield. I have not roadtested this product.
I would like to do this sometime in October. I'd like to get it accomplished in a month--the shorter time period is why I am not offering it as a roadtest.
If you are interested, feel free to comment below.
thanks.
Randall Scasny
RoadTest Program Manager








