element14 Community
element14 Community
    Register Log In
  • Site
  • Search
  • Log In Register
  • Community Hub
    Community Hub
    • What's New on element14
    • Feedback and Support
    • Benefits of Membership
    • Personal Blogs
    • Members Area
    • Achievement Levels
  • Learn
    Learn
    • Ask an Expert
    • eBooks
    • element14 presents
    • Learning Center
    • Tech Spotlight
    • STEM Academy
    • Webinars, Training and Events
    • Learning Groups
  • Technologies
    Technologies
    • 3D Printing
    • FPGA
    • Industrial Automation
    • Internet of Things
    • Power & Energy
    • Sensors
    • Technology Groups
  • Challenges & Projects
    Challenges & Projects
    • Design Challenges
    • element14 presents Projects
    • Project14
    • Arduino Projects
    • Raspberry Pi Projects
    • Project Groups
  • Products
    Products
    • Arduino
    • Avnet & Tria Boards Community
    • Dev Tools
    • Manufacturers
    • Multicomp Pro
    • Product Groups
    • Raspberry Pi
    • RoadTests & Reviews
  • About Us
    About the element14 Community
  • Store
    Store
    • Visit Your Store
    • Choose another store...
      • Europe
      •  Austria (German)
      •  Belgium (Dutch, French)
      •  Bulgaria (Bulgarian)
      •  Czech Republic (Czech)
      •  Denmark (Danish)
      •  Estonia (Estonian)
      •  Finland (Finnish)
      •  France (French)
      •  Germany (German)
      •  Hungary (Hungarian)
      •  Ireland
      •  Israel
      •  Italy (Italian)
      •  Latvia (Latvian)
      •  
      •  Lithuania (Lithuanian)
      •  Netherlands (Dutch)
      •  Norway (Norwegian)
      •  Poland (Polish)
      •  Portugal (Portuguese)
      •  Romania (Romanian)
      •  Russia (Russian)
      •  Slovakia (Slovak)
      •  Slovenia (Slovenian)
      •  Spain (Spanish)
      •  Sweden (Swedish)
      •  Switzerland(German, French)
      •  Turkey (Turkish)
      •  United Kingdom
      • Asia Pacific
      •  Australia
      •  China
      •  Hong Kong
      •  India
      •  Japan
      •  Korea (Korean)
      •  Malaysia
      •  New Zealand
      •  Philippines
      •  Singapore
      •  Taiwan
      •  Thailand (Thai)
      •  Vietnam
      • Americas
      •  Brazil (Portuguese)
      •  Canada
      •  Mexico (Spanish)
      •  United States
      Can't find the country/region you're looking for? Visit our export site or find a local distributor.
  • Translate
  • Profile
  • Settings
Experts, Learning and Guidance
  • Technologies
  • More
Experts, Learning and Guidance
Ask an Expert Forum Start a led on a sertent voltage
  • Blog
  • Forum
  • Documents
  • Leaderboard
  • Files
  • Members
  • Mentions
  • Sub-Groups
  • Tags
  • More
  • Cancel
  • New
Join Experts, Learning and Guidance to participate - click to join for free!
Actions
  • Share
  • More
  • Cancel
Forum Thread Details
  • State Suggested Answer
  • Replies 30 replies
  • Answers 2 answers
  • Subscribers 326 subscribers
  • Views 4226 views
  • Users 0 members are here
  • led
  • voltage
  • high
Related
See a helpful answer?

Be sure to click 'more' and select 'suggest as answer'!

If you're the thread creator, be sure to click 'more' then 'Verify as Answer'!

Start a led on a sertent voltage

magnus2112
magnus2112 over 11 years ago

Hi!

Do enyone know how i can make a led turn on that uses 3 volts, when a voltage has reached 330volts?

I am trying to make a indicator turn on when a capasitor is full..

Thanks for eny help! image

  • Sign in to reply
  • Cancel

Top Replies

  • jw0752
    jw0752 over 11 years ago +1
    Hi Magnus, Just some additional information that may be of help. In the old days I used to work on battery powered camera flashes. They would run off 3V or 6V battery power. An oscillator would charge…
  • D_Hersey
    0 D_Hersey over 11 years ago

    Typically, LEDs are actuated by a current rather than a potential, but, lets presume that you want to derive a 3-volt signal to drive a ballasted LED.  The problem you mention, otherwise, is rather canonical.  You can use an op-amp in the inverting configuration followed by a comparator.  Your input resistor should be about 100x larger in value than the feedback resistor, this configuration allows for fractional (and negative) gain.  Don't forget the current-balancing resistor, from gnd to the non-inverting terminal whose value is Rin//Rf for best results.  You can protect the inverting node with a Zener or something, SVP.  You might want to opto-isolate this output.  You could directly deploy a current comparator, outfitted with input resistors.  You could go old-school and feed the input led of an opto-isolator thru a ballast resistor and a string of Zener diodes.  If you need precision from this topology, you need to include forward Si diodes to balance the tempcos of the Zeners.

     

    However you do it, this is HV land, be careful.

    • Cancel
    • Vote Up 0 Vote Down
    • Sign in to reply
    • Verify Answer
    • Reject Answer
    • Cancel
  • D_Hersey
    0 D_Hersey over 11 years ago in reply to D_Hersey

    You can also use a resistive attenuator to bring your signal potential into the realm of your circuit.  They have names like 'L' and 'Pi,' you can look them up on the internet.  If you want simple, you can use a resistive string and a comparator.  Let's say I was possessed of a 2.5V voltage reference.  I would want to hook it up to one input of a voltage comparator.  Probably the inverting node, I can switch sense with another comparator, duals are as cheap as singles.  Rather than directly connect the reference, I probably want to use a resistor to balance the input stage and to allow for positive feedback if I figure that I want add Schmidt action.  (330 + 2.5)/2.5 = 133.  So you could use a 3/4 K resistor pulling down and a 100K resistor as your input. Note that Power = V * V / R, so at the moment of truth your input resistor is dissipating 11W!  To see if we could use a smaller (in terms of power rather than value) resistor, we would have to look at your duty-cycles and probably perform some definite integrations.  Because the ratio of these resistors is so extreme, we can just use another 3/4 K resistor as our current-balancer, as a large resistance in parallel with a small resistance is just a little less than the small resistance.  For a small error penalty, you could rescale your resistors by an order of decimal magnitude, and use a 1W input resistor, I suppose.

     

    An interesting side-note about Ohm's law:  Material scientists remind us than less than half of all materials are Ohmic!

     

    Probably the gold-standard circuit here, and just as probably beyond your requirements, is to PWM or FM a signal according to the HV level, send it through an opto-coupler or other isolation boundary, and detect the HV on the other side, this allows both precision and isolation while operating our coupler in saturation mode so that we don't have to be concerned with the non-linearities of the isolator, as we are only operating it at two points along the curve.

     

    Integrated Soln:  TL431 http://www.ti.com/lit/ds/symlink/tl431.pdf example 22 crowbar circuit, replace TRIAC w/ P-FET or optoisolator.

    • Cancel
    • Vote Up 0 Vote Down
    • Sign in to reply
    • Verify Answer
    • Reject Answer
    • Cancel
  • magnus2112
    0 magnus2112 over 11 years ago

    Thanks Don! But your explanation was way to advanced for me..image

    Eny way you can explane it in a "noob friendly" way?

    Does it exist a mosfet with a gate that has to to be 330v or higer?

    • Cancel
    • Vote Up 0 Vote Down
    • Sign in to reply
    • Verify Answer
    • Cancel
  • D_Hersey
    0 D_Hersey over 11 years ago in reply to magnus2112

    No, but you don't need one, I got a little business to attend to, then I can drop by my office where I can draw pictures for you, that will probably make things clear.  Wait a couple of hours.

    • Cancel
    • Vote Up 0 Vote Down
    • Sign in to reply
    • Verify Answer
    • Cancel
  • D_Hersey
    0 D_Hersey over 11 years ago in reply to D_Hersey

    Hi, I'm back.  Let me say that you are brave for starting off in HV, something I've avoided for years.  An LED is not a good electrical match for 330 V.  You should either establish an LV, or use an incandescent or neon bulb to establish a visual indicator.  Let's suppose we are going to use a resistor to ballast an imaginary indicator LED.  Let's say that our current through the LED should be 30mA and its drop is 1.2V, consistent with a red LED.  The amount of power our LED is using is the product, 36mW.*  The drop across the ballast is 330 - 1.2V, 328.8V.  328.8 / 1.2 = 274.  That's how much more power the ballast is using as regards the LED.  The ballast uses almost 10W!  There are other reasons to go to an auxiliary LV as well.  I will presume a 5V LV, as a design point of departure.

    image

    Can you make sense of this circuit as I have drawn it so far?  Assume 0V and gnd are connected.

    ----------

    *Per definition, all two-terminal elements strung together in series have the same current running through them.  P(W) = Potential(V) * Current(I).  Hence, the proportionality is the ratio of the drops.

    • Cancel
    • Vote Up 0 Vote Down
    • Sign in to reply
    • Verify Answer
    • Cancel
  • magnus2112
    0 magnus2112 over 11 years ago

    Thanks for helping me out Don image I think you are right about HV, so i wil try using LV capasitors for my project. Thanks! image

    [̲̅T̲̅][̲̅h̲̅][̲̅a̲̅][̲̅n̲̅][̲̅k̲̅][̲̅ ̲̅][̲̅Y̲̅][̲̅o̲̅][̲̅u̲̅]!

    • Cancel
    • Vote Up 0 Vote Down
    • Sign in to reply
    • Verify Answer
    • Cancel
  • jw0752
    0 jw0752 over 11 years ago

    Hi Magnus,

    Just some additional information that may be of help. In the old days I used to work on battery powered camera flashes. They would run off 3V or 6V battery power. An oscillator would charge a capacitor with upwards of 300 volts. When the capacitor was fully charged a small neon light would come on to indicate that the flash was ready to fire. Don had some good advice reference playing with 300 plus volts. Even for experienced technicians this level of voltage is scary and dangerous. Even if you are working with lower voltage you will need a circuit to turn your LED on at the desired full charge point. I would recommend a voltage divider like Don drew but I would use the voltage at the point between the two resistor to turn on a Schmitt trigger. In this way your LED will turn on fully at the desired point. If you hook the LED up to the voltage divider directly it will begin to glow dimly at one point and brighten as the voltage in the capacitor rises. By putting a variable resistor in the voltage divider network you should be able to adjust the trigger point of the Schmitt Trigger and hence the LED's point of turn on. Even if this sounds complicated take some time to investigate resistor voltage dividers and Schmitt Triggers as they are indispensable tools for designing electronic circuits.

    John

     

    P.S. When I need to look up help with some of the basics I like this site:  Basic Electronics Tutorials and Revision

    • Cancel
    • Vote Up +1 Vote Down
    • Sign in to reply
    • Verify Answer
    • Cancel
  • D_Hersey
    0 D_Hersey over 11 years ago

    I was planning to get to the part about positive feedback as we went along, just trying to buffer the information flow to a relative beginner, my earlier text indicates this.  This is an interesting question, this fellow asks good questions, I will draw some more and come back.

     

    Have some clutter:

    image

    • Cancel
    • Vote Up 0 Vote Down
    • Sign in to reply
    • Verify Answer
    • Cancel
  • D_Hersey
    0 D_Hersey over 11 years ago

    The feedback resistor should be >> than rA || rB.  The point of the Schmidt Trigger is to bias the switching points away from each other.  The motive is to avoid chattering.  The thermostat on your air-conditioner probably has such a faculty.  They are typically used when we have a bang/bang device trying to stabilize a continuous quantity.  Presuming RRIO, the points can be computed by analyzing with the feedback resistor in shunt with rA then rB.  If we were interfacing to an A/D convertor, rather than a banger, we would use negative feedback for stability.  Remember, all other factors being equal, Negative feedback tends toward stability.  Positive feedback tends toward saturation or oscillation.

    The Japanese have a charming, illustrative term for the behavior of an ill-tempered comparator, they use the word 'hunting.'

    There is another form of the Schmidt trigger circuit that allows for independent setting of the cross-points, it uses two comparators and an S/R flip-flop.  Note: the gates for the flop can be constructed out of the remaining comparators of a quad, if no spare gates are laying about.

    Actually, the shunt trick won't work in this case because of the supervoltage.  Gotta whip out Norton's theorem and reckon the currents.

    • Cancel
    • Vote Up 0 Vote Down
    • Sign in to reply
    • Verify Answer
    • Cancel
  • jw0752
    0 jw0752 over 11 years ago in reply to D_Hersey

    Hi Don,

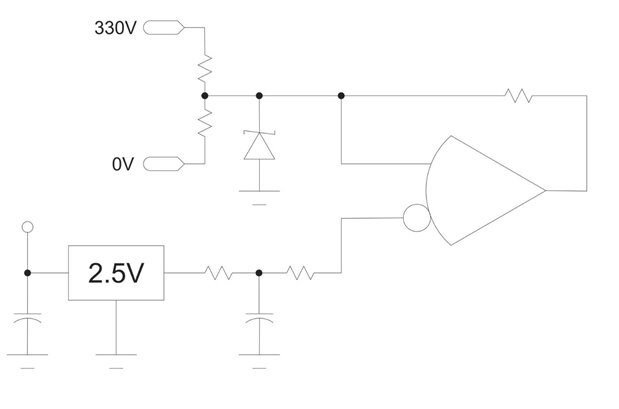
    Sorry I jumped into your tutorial to Magnus but I always learn something when I do. Your first drawing didn't come through clearly to my computer and perhaps not to Magnus's either. Your second drawing is all there and makes more sense. I liked your reference to "hunting" as I learned this term years ago in reference to a gasoline engine that doesn't run steady but pulses its RPMs. It would relate to an unstable oscillator. Back to your circuit why wouldn't a person just use a segment of a 74HC14 and use an input voltage of the resistive voltage divider to trigger the Schmitt Trigger. The hysteresis of the 74HC14 would eliminate LED chatter. Obviously we would need a stable 5 volt power supply to power the 74HC14 and the LED. Perhaps we would also need a zenner diode to provide some protection to the input of the IC in case of transients from whatever circuit he is using to charge the capacitor. I submit these ideas humbly as I can tell from your post that you are way ahead of me in electronics competence. Please continue your tutorial as I am interested in this question. It seems like something that could be useful to me in the future.

    John

    • Cancel
    • Vote Up 0 Vote Down
    • Sign in to reply
    • Verify Answer
    • Cancel
>
element14 Community

element14 is the first online community specifically for engineers. Connect with your peers and get expert answers to your questions.

  • Members
  • Learn
  • Technologies
  • Challenges & Projects
  • Products
  • Store
  • About Us
  • Feedback & Support
  • FAQs
  • Terms of Use
  • Privacy Policy
  • Legal and Copyright Notices
  • Sitemap
  • Cookies

An Avnet Company © 2026 Premier Farnell Limited. All Rights Reserved.

Premier Farnell Ltd, registered in England and Wales (no 00876412), registered office: Farnell House, Forge Lane, Leeds LS12 2NE.

ICP 备案号 10220084.

Follow element14

  • X
  • Facebook
  • linkedin
  • YouTube