This post documents Version 1.3 of an inexpensive but reasonably accurate meter for measuring resistance in the milliohm range. The development to date is documented in the links at the bottom of this post. Version 1.3 contains numerous upgrades and suggestions from Shabaz, Gene Breniman, John Wiltrout, and Jon Clift to which I am indebted. I intend to send off for new PCBs tomorrow evening and any comments in the meantime are greatly appreciated! NOTE: This post was revised on 24 Jan 2019 to update the schematic and PCB screenshots per upgrades and comments from Shabaz.
Summary of Changes
- Added biasing for VREF of the instrument op amp which improves reading of resistances around 1 milliohm
- Added ability to add capacitance and / or diodes in front of instrument op amp
- Moved trim pots to trim gain of operational amplifier - current sources are not trimmed
- Modified arrangement of range switch
- Changed PCB footprint to fit enclosure used by Shabaz
- Added through hole 5V alternate input
- Relocated on / off switch
- Numerous other small improvements
Development is a bit behind as I have been struggling to remove the one known bug - intermittent instability when measuring resistances below 20 milliohms. I have been making modifications to the Version 1 PCB with flying leads to a breadboard. This seems to introduce unwanted capacitance and perhaps other problems. To address this and allow quick changing of components I have determined that I can bend the pins on duPont female sockets and solder them to an 0805 footprint. Then insert passives as desired. The black 2 pin socket is a bit hard to see but the concept is demonstrated in the mockup using the Version 1 PCB below.
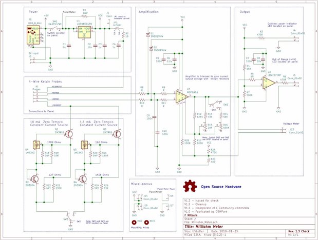
The new schematic and PCBs are shown below.
Schematic
The original schematic posted here was in error and has been replaced with the corrected version.
PCB
The original PCB screenshots posted here were replaced with a version that include an upgraded layout based on comments posted by Shabaz below.
As always, comments and suggestions are greatly appreciated!
Related Links
Building Frank's Milliohm Meter
Testing Current Sources for a Kelvin (4-Wire) Milliohm Meter
More on Current Sources and a Kelvin (4-Wire) Milliohm Meter
Even More on Current Sources and a Kelvin (4-Wire) Milliohm Meter





Top Comments