I'm reviewing a Gallium Nitrate step-down converter for Point of Load (PoL) high power conversion. This design is intended to deliver low voltage (0.5 - 1.5V) at a power hungry point of load. It can source 50A. With a switching frequency of 600 kHz, the footprint can stay small. |
Part 1 gives a high-level overview of the design. The converter is interesting for more reasons than just being GaN. There are a few advanced switch-mode conversion patterns used in the evaluation kit.
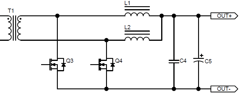
One of the specifics of this design is the Current Doubler at the secondary stage.
In this design, the output current is divided over two inductors that each take half the current. Rectifying is done by two transistors (in our design: 2 times 2 GaN FETs) that are driven by the same PWM signal that drives the primary side half-bridge.
A few advantages of this design:
- simpler transformer: no need for a center tapped design.
- current shared over 2 inductors, so they can be smaller and heat isn't concentrated on a single spot.
- significant part of the output current is canceled because current in the two sides of the output is (almost) inversed and a significant chunk cancels itself out -> smaller output capacitor needed.
There are more advantages and trade-offs with this design. It requires current control instead of voltage contrlol. You have to use phase-shift controlled PWM; Duty-cycle controlled PWM won't do.
There's a document available on the ti site that explains the design in depth.
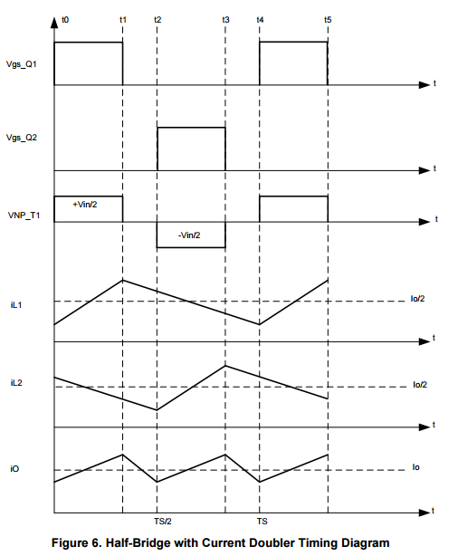
image: phase-shifted HI and LO control signals.
Here's the effect of the ripple canceling with a current doubler:
The two secondary sides are in essence two switching converters that run interleaved. Not exactly 180°. The controller uses phase shifted PWM to drive the two sides and the current that runs trough both inductors is a saw-tooth, not a 180° mirrored triangular signal.
So even though the cancellation isn't perfect, a significant amount of the ripple disappears because of the signals being fairly close to inverse. That allows us to reduce the output filter capacitors.
![]() | ![]() |
A second win is that the resulting ripple current has double frequency. So that allows us to reduce the capacity once more.
In TI's evaluation kit, the two output transistors are each a pair of EPC2023 GaN transistors. They are driven by the same signal that drives the LMG5200 GaN Half-bridge on the primary:
A somewhat simpler design is documented with a wealth of oscilloscope captures of the operation, control signals and the current doubling and canceling.
| Blog Posts |
|---|
| part 1: Design Overview |
| part 2: Current Doubler |
| part 3: Dynamic Test Load |
| Related Blog |
| Checking Out GaN Half-Bridge Power Stage: Texas Instruments LMG5200 - Part 1: Preview |





Top Comments