I'm trying to create a circuit in Eagle for a RPi HAT. Currently I am stuck at finding a reliable circuit which meets my needs for power.
The HAT is going to contain a 16ch PWM controller, gyro, compass, accel and a power sensing and voltage sensing circuit. All who speaks over 3v3 i2c.
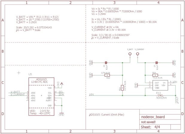
What I am looking for is a circuit which can read amperage and voltage (send to raspberry pi over i2c) of a Lipo and step down 5V and 3.3V for the raspberry PI. Must be able to tolerate up to 4cell LiPo.
I dont really know the efficent way of doing this. My current idea is using two buck converters like the LM2678 one for 5V and one for 3.3V but it seems like a waste of components to create two seperated circuits. Maybe its my only hope?
Also for the current sensing and voltage sensing i see its hard to find examples online. Anyone here got a tip for me? Would the 5v and 3v3 placed after the amp/voltage sensor be a problem?
Any tip is appriciated!



