I have tried to repair a solar flickering garden pagoda light. Unlike all the other types of that device I own, this one uses one AA NiMh battery rather than two. It’s LED needs replacing because one of its wires had broken where it entered the “glass” head.
I got some 5mm wide-angle straw hat (stubby length) yellow/amber LEDs from Lighthouse LEDs last year, but illness kept me away from the task until this week. The replacements from Lighthouse are 2v, but I guess I’d assumed that was a maximum rating. Unfortunately no, Lighthouse now informs me they need at least 2 volts to light up, which on reflection makes sense. It explains why the new lamp I soldered in wouldn’t light up... I initially thought I’d ruined the lamp with solder heat, and soldered in another using multiple heat sinks. It didn’t light either. Then I touched leads from a fresh AA battery to a lamp fresh out of the shipping bag, and it wouldn’t light. Ah ha moment... dumb me. My assumption that 2v was a max, because it was the lowest voltage lamp I could find, was ill advised. But being an LED neophyte I seem always ignorant of their technics, as numerous faulty Xmas LED strings lying comfoundingly unrepaired in a bag will attest.
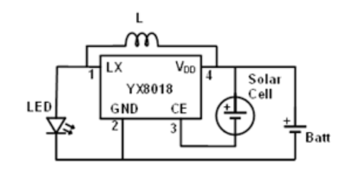
I think the circuit board controls the flame-like flickering because the original lamp was a straw hat. But just in case, I also got from Lighthouse some standard 5mm self-flicker lamps at the same time. What I can’t figure out is how the original LED worked on a single AA battery. Lighthouse says I shouldn’t need a resistor in the circuit, but there is a coded red-green-red-silver one on the board. Perhaps that is to control the current coming in during midday from the solar panel? Regardless, surely the original LED must be a 1 volt lamp? But where can I purchase such an animal? Lighthouse claims to not be aware of any such device.
I guess I could try adding a second AA NiMh battery to bump the unit to 3v, but the box is only big enough for one and I don’t know but what the diodes and other CB components may not play well with 3 volts, nor if the panel has enough output potential to fully charge two NiMh AAs, even if they were only 600mAh ones.
Thanks in advance for any thoughts,
Joel



