I've been thinking about building a simple switching system with a few relays to make 2-wire or 4-wire measurements. There are already some systems and boards to do that:
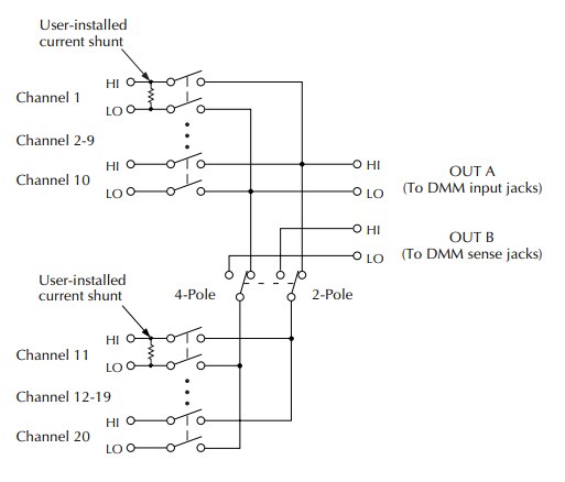
This switching board just multiplexes 2- and 4-wire connections to the DMM allowing in this way to perform more measurements almost at the same time.
The multiplexing is performed with multiple relays which are controlled by the instrument.
Many Keithley instruments come with a digital IO DE-9 port that can be controlled through either TSP-script or SCPI commands:
This port also provides 5V power and could directly drive an array of relays to multiplex input signals. But to add extra flexibility it could also be controlled directly by a PC instead of just the instrument.
Would anyone else find a board like this useful and would be interested in participating in building one?



