In a moment of muppetness, I connected the output of a digital delay line channel to the output of the injection test set I was checking and appeared to have shorted the delay line out, so it doesn't work anymore.
I have dismantled it and carried out some measurements around the components and found that a diode (D8) is short circuit. It measures 0.05V in both polarities in and out of circuit, whereas channel B measures 0.58V forward biased and 1.31V reverse biased in circuit. Removing this diode has brought the resistance of the output circuit on channel A back up to the expected 10kOhms, which matches channel B.
Now the tricky part is identifying a replacement diode as it has no markings on it at all. As best as I can measure, the diode is 3.5mm long and 1.3mm in diameter.
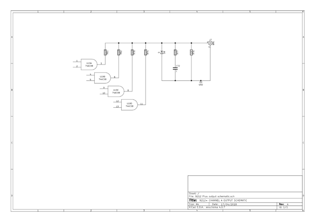
I believe the diode is providing some sort of overvoltage protection for the output channel. I had the injection test set set to 5V DC output and presume this is what shorted out the channel. I have traced channel A output circuit below but do not know what the value of C72 is. The resistance values are pretty much the values measured using a DMM.
Can anyone provide some assistance in identifying a suitable replacement diode?






