| Blog Index | Next >> |
|---|
Upcycled Intel Edison Nixie Display
Look what I recently found on my attic. A nice box with a six digit nixie display. Even some documentation was in the box, showing that this is a 'Impulszähler EZK' from 'electromatic'. I can't remember how it found the way to my home. It might be that I bought it long ago on a flee market, or maybe I got it from a friend.
Currently there is a lot of interest in bringing these nixie tubes to life. Lot's of nixie tube clock kits are available on the market. There appeared to be a lively trade on old stock of russian nixie tubes. Even very nostalgic designs are available (Digitale Nixieröhrenuhr). And the idea was also sent as Top Build Suggestions for the element14's The Ben Heck Show (). So I was quite happy when I found this device and my first thought was to make a clock out of it.
But tell me,
modify it to a clock? I can make much more fun out of it by putting in some intelligence such as the Intel Edison.
Then this Element 14 Design challenge came up and I realised that modifying this 'Impulszähler EZK' is a perfect candidate for up cycling.
So the plan is:
to add the Intel Edison to this display, in order to display a six digit number using Intel
Edison's wifi connection connected to the internet. An IoT nixie display so to say. The number displayed can be anything, of course it can be the current local time, from a time server, or the local time elsewhere in the world. It can be the temperature and humidity of the closest weather station, or the forecast for tomorrow. It can be the number of visitors of the project webpage, , the position of the ISS space station from space.com, you name it.
My plan is to implement an IoT protocol in order to program the behaviour of the display from a web page.
How?
First I connected the device to the mains power and lucky me, it worked out of the box. The documentation showed me how to add some wires on the back in order to count the pulses.
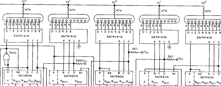
Next I opened it and again I concluded that I'm lucky since it looks like very easy to modify. The circuit is very straightforward, the very well known SN74141 nixie tube driver is used, driven by SN7490 BCD counters, as can be seen on the photo and circuit diagram below.
Another good thing is that these IC's are not soldered to the PCB, but placed in sockets instead. So I easily can remove the 7490 IC's and replace them with a connection to the Intel Edison.
In total 6 digits, times 4 BCD inputs so 24 digital GPIO outputs are needed, 4 more than provided with the Intel Edison Kit for Arduino with its 20 IO pins. Furthermore connecting all those wires between the kit and the 7490 sockets is quite a challenge.
A better option is using IO expanders, such as the PCF8574 (PCF8574N - TEXAS INSTRUMENTS - I/O Expander, 8bit, 100 kHz, I2C, 2.5 V, 6 V, DIP | Farnell element14 ) from which we need three since these are 8 bit, or a 24 bit alternative (TCA6424ARGJR - TEXAS INSTRUMENTS - I/O Expander, 24bit, 400 kHz, I2C, SMBus, 1.65 V, 5.5 V, UQFN | Farnell element14 ), in which we need just one.
The plan is to make a small PCB which connects to the 7490 sockets. On the PCB I will put an IO expander which connects via I2C to the Intel Edison Kit for Arduino.
The Intel Edison Kit for Arduino will implement an IoT interface connected to the internet using the WiFi connection. From there it can be controlled. It will display any six digit number found on the internet as described previously.
If there is time left I also will use the supplied Seeed Studio Grove Start Kit for Arduino and display the measures from the sound sensor, light sensor, touch sensor or temperature sensor from this kit.
References:
I did a similar project long ago when I replaced a rom for a frequency synthesiser from a Mobile Radio in order to modify it for Ham Radio. Control by then was from the internet using a Tiny Internet Interface (TINI) (Agri Vision - WEB enabled KF161 ).









Top Comments
-
jasonwier92
-
Cancel
-
Vote Up
+1
Vote Down
-
-
Sign in to reply
-
More
-
Cancel
-
gpolder
in reply to jasonwier92
-
Cancel
-
Vote Up
0
Vote Down
-
-
Sign in to reply
-
More
-
Cancel
Comment-
gpolder
in reply to jasonwier92
-
Cancel
-
Vote Up
0
Vote Down
-
-
Sign in to reply
-
More
-
Cancel
Children