In WorkBench Wednesdays , one of my mini-projects was to replace the capacitors in a Commodore 64. In the video, I only had time to replace about half of the decoupling capacitors. Later I'll go back and finish the rest. This post discusses why I picked the capacitors used in that project.
For organization, I'll break up the PCB into a couple of parts. Keep in mind there are many revisions of both the board's schematic and the board's layout. That is how Commodore operated back in the day. While component numbers generally match up between revisions of a particular assembly number, it isn't always the case. The schematics available on the web do not cover every change of the PCB assembly either. These facts mean you'll need to do a little bit of detective work when working on your C64.
This information is based on boards with ASSY Number 254407. This information is not a comphrensive look at the C64 nor every single capacitor on the board. As I finalize the replacements on my boards, I'll update this post with additional information.
Why replace the ceramic capacitors?
The C64 comes from an era where the rule-of-thumb, add 100 nF to every digital IC, was almost a law. When looking at the C64's motherboard, you'll notice a brown ceramic disc capacitor next to every single IC. Back in the day, these were monolithic ceramics with a temperature coefficient of Z5U. Those letters mean the capacitor's value can vary +22/-56% across the temperature range of +10C to 85C. For a device that operates around room temperature with a self-heating of less than 20C, that variance isn't too bad. The part that matters is the aging rate. These capacitors lose about 5% of their capacitance every decade-hour. Decade hours occur at intervals like 1, 10, 100, 1000, and 10000 hours. Which means a 40-year old computer is nearing the 10 kHour mark.
While most people focus on the electrolytics which can leak, I put some emphasis on the decoupling capacitors that keep the digital logic running. I chose the K104K15X7RF5TH5 to replace the discs. These are surface mount capacitors with leads soldered onto them. I picked a 50 volt rating to minimize capacitance loss with DC voltage. The temperature coefficient is X7R which is +/- 15% from -55 to 125C. In short, these are very stable with both temperature and voltage.
There are a handful of other ceramic values throughout the PCB. I did not change the others yet.
Is it vital to replace these ceramics? Maybe not, but when you have an electric de-soldering tool, it isn't much effort.
Why Aluminum Polymer?
Another macro question is why did I use Aluminum Polymer? The short answer is: because they are fantastic. Duh. There are a couple of reasons I picked aluminum polymer electrolytic capacitors. First, their ESRs are lower, so that means less heat generated and less ripple. Second, they are solid. Unlike traditional wet electrolytic capacitors, there is no liquid electrolyte in a solid polymer. (If you use a "hybrid" polymer, then there is one.) No liquid to leak means no acid to destroy the board in the future.
There is one downside to the polymers. They do not re-grow or heal the dielectric layer like a wet electrolyte. So the capacitors do not handle surge voltages as well as wet capacitors. More importantly, their leakage current is an order of magnitude higher.
For more information on Polymers check out this The Learning Circuit 40: Learning About Polymer Capacitors video. If you'd like to see some measurements I made before and after using polymers, then watch the The Learning Circuit 42: Replacing MLCCs with Polymer Capacitors video.
Digital Logic Section
The digital logic section contains all of the ICs. You can see chips like the CPU, PLA, CIAs, SID, and the RAM. There's also a handful of glue logic and has a few discrete transistors for the I/O ports as well.
Decoupling Caps
Each digital IC has a 100 nF ceramic along with a 10 µF aluminum electrolytic bulk decoupling capacitor. I already discussed the ceramic. For the electrolytic, I replaced it with an A758BG106M1EAAE070. The original electrolytics are rated at 50 V. That is a gross over spec for the 5 V rail. It did, however, mean the electrolyte is still in decent shape after 40 years. (Which I showed near the end of The Learning Circuit 42: Replacing MLCCs with Polymer Capacitors episode.)
Other ceramics
There are a handful of ceramics other than the 100 nF discs. They are near the power input port and the SID chip. Here are the other ceramic capacitors values and their replacements I picked for them.
| Quantity | Designator | Voltage | Capactiance | Description | Part Number | Manufacturer | Newark Code | |
|---|---|---|---|---|---|---|---|---|
| 1 | c37 | 1nF | Ceramic Disc | C322C102F5G5TAC322C102F5G5TA | KEMET | 94W4994 | ||
| 1 | r38 | 220pF | Ceramic Disc | K221J15C0GF5TH5K221J15C0GF5TH5 | Vishay | 95C1010 | ||
| 2 | c93,c48 | 1.8nF | Ceramic Disc | MC0805N182J500A5.08MM | Multicomp | 46P6446 | ||
| 2 | C97,c-emi | 220nF | dipped ceramic | K224K20X7RF53H5K224K20X7RF53H5 | Vishay | 92K2678 | ||
| 1 | C85 | 470nF | Dipped ceramic | MC0805B474K500A5.08MMMC0805B474K500A5.08MM | Multicomp | 46P6326 | 
SID Versions
There are two different versions of the SID chip. Audio differences aside, there are some differences in the C64 design depending on the chip. These values exist on actual PCBs. I have found various "technical information" on the web with different values. I guess that those documents based their values on the original datasheet, which was never updated before the C64 went into production.
| 6581 | 8580 | 
|---|---|
| 12 Vdc | 9 Vdc | 
| 470 pF | 22 nF | 
| Sounds Better | Sounds Better | 
The 8580 based systems have a 9 Vdc rail instead of the 12 Vdc rail. And the SID chip's filters use a different capacitor value. If you feel the need to change these, either use a 50 V C0G or use a film capacitor. DO NOT use electrolytics or non-C0G ceramics. Capacitors used with sound are very sensitive to distortion effects from the dielectric type. For my C64, I am using K471J15C0GF5TH5 as my replacements.
VIC-II
The VIC-II is in an RF cage, where the lid acts as a crude heat sink for the video chip. Most of the capacitors in this section are just the 100 nF and 10 µF decoupling capacitors used elsewhere. On the VIC-II's oscillator, there is a 16 pF ceramic capacitor. I haven't picked a replacement for that one. But if I did, I would get a 50 V C0G as its replacement. C0G is ultra stable with voltage, temperature, and time. (And in fact, likely does not need to be changed.)
You might notice the original electrolytics in this section are slightly smaller than the others. These were a "low profile" option, at least at the time. Smaller capacitors like these would have cost more than the generic decoupling caps used elsewhere on the board. I find it humorous that the A758BG106M1EAAE070 I picked for the digital section is just as small as these "specialty" caps.
RF Modulator
Initially, I planned to replace only the electrolytics in the RF modulator section. Ultimately, I am going to remove the modulators from my C64s, as soon as I figure out which traces carry the luminance signals to the A/V port. However, here are the two I identified and their suggested replacements if you wish to keep yours.
| Voltage | Capacitance | Description | Part Number | Manufacturer | Newark Code | |
|---|---|---|---|---|---|---|
| 6.3 | 10u | Low Profile electrolytic | A758BG106M1EAAE070A758BG106M1EAAE070 | KEMET | 97Y1078 | |
| 16 | 10u | Low Profile electrolytic | A758BG106M1EAAE070A758BG106M1EAAE070 | KEMET | 97Y1078 | 
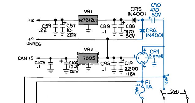
Power Section
Without question, the big electrolytics get everyone's attention: C88, C90, and C19. The three most massive capacitors are filter capacitors for the 2 voltage rails: +5 V (VIC Can) and +12 V. C88 and C19 are on the input of the voltage regulators. You'll notice in this schematic that C88 and C90 are rated for 50 V, while C19's rating is 16 V. I have noticed some guides on the internet suggest you can use 16 V for all 3 of these capacitors. Please note, YOU CANNOT USE 16 VOLT FOR ALL THREE OF THESE CAPACITORS.
C19 sees a relatively low voltage and so a 16 V rated capacitor is just fine for it. My suggested polymer replacement is RNL1C222MDS1.
C88 and C90 Need More
With a glance at the schematic, you might be inclined to think that the input side of the 12 volt regulator is going to be slightly above 12 volts. It isn't. C90 is part of a voltage doubler circuit which turns the 9 Vac coming in from the power brick into about 18 Vac. Which means you need to use at least a 25 V rated capacitor in this section. For both of these capacitors, I selected the A750MS477M1EAAE015. I did notice on some boards that C88 is 1000 µF instead of 470 µF. I guess that the value isn't that critical (and probably why they cut it in half in later revisions.)
For more information about C90, check out this blog post I did to explain why (and how) an electrolytic can have AC applied to it.
Radial vs. Axial
As I pointed out in the video, there are no Axial polymers available on the market. So I ended up using Radials and just cheating a bit with their leads. For improved performance, I should look to see where I can shorten the ground loops, but that'll come at a later time.
The other big electrolytic
Not pictured on this schematic is C91. It is a relatively large radial electrolytic which does bulk decoupling for the 5 V regulator from the external power brick. It is a 16 V 100 µF capacitor. For that capacitor, I recommend the A750EK107M1CAAE018.
Moving Forward
In the near future, I'll finish replacing the capacitors on two of my C64 boards. If there is any additional infomration, I'll update this page with that info. Feel free to ask specific questions below.
			    




