Internet of Things (IoT) devices must communicate with their peers--other IoT devices--as well as with the host system that governs their activities. In our previous post, we examined how to perform amplitude and frequency demodulation of RF bursts, such as Bluetooth Low Energy (BLE) advertising bursts. We'll continue with other methods of analyzing RF signals.
Figure 1: This screen capture depicts frequency demodulation and subsequent Manchester decoding of the bit stream
Figure 1 depicts an example of how an oscilloscope can frequency-demodulate an RF burst and then Manchester-decode the underlying bit stream. In this case, the application is a vehicular key fob; typically, RF signals from key fobs are ASK- or FSK-modulated. Analysis requires only a few simple steps: The user selects the modulation type, enters the carrier frequency, and launches the Manchester decoder.
Fundamentally, oscilloscopes are time-domain instruments, but they often provide powerful capabilities for debugging of frequency-related signal problems. Many Teledyne LeCroy oscilloscopes can be provided with a spectrum-analysis application to simplify setting up and using the instrument for frequency-domain analysis.
Figure 2: Examining an 802.11 RF burst in the frequency domain details significant frequency peaks
Figure 2 shows a capture of an 802.11 RF burst from an IoT device. The burst waveform, which appears in magenta at top right, was captured using Teledyne LeCroy's RP4030 active voltage-rail probe along with a 20-dB attenuator. The grid has been rescaled to accurately report the units of the signal under test. Shown at top center is a 3D map of the spectral content. The table at top left identifies significant frequency peaks along with their frequencies and amplitudes.
Figure 3: A fast-Fourier transform of BLE advertising bursts shows that the signal complies with the 2-MHz bandwidth stipulation in the BLE specification
In another illustration of spectrum analysis, Figure 3 shows an FFT of the spectral content of BLE advertising bursts. The full acquisition is at left; on the right is a zoom trace of Channel 38. The spectrum analysis shows that most of the signal's energy is contained within a 2-MHz window as the BLE specification stipulates.
Figure 4: The setup dialog for the oscilloscope's spectrum- analysis application looks much the same as those found on dedicated spectrum analyzers
As mentioned above, setup for spectrum analysis is made easier by the application software. At the bottom of Figure 4 is its setup dialog. If you're familiar with using a dedicated spectrum analyzer, the oscilloscope application has similar functionality. The user has control over the center frequency and span, resolution bandwidth, and the operation mode of the trace, as well as the window type and output units. At the top of Figure 4 is the 3D spectrogram view, which provides a history of the waveform's frequency modulation.
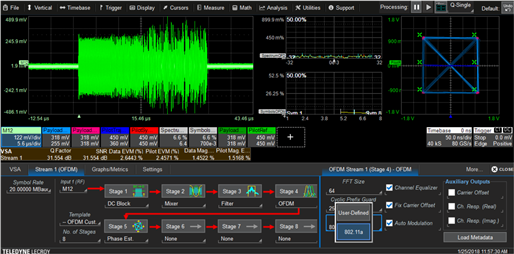
Figure 5: The vector signal analysis tool provides comprehensive analysis of OFDM packets
Orthogonal frequency-division multiplexing (OFDM) packets can be extensively analyzed using the oscilloscope's vector signal analysis application. This tool offers comprehensive OFDM analysis and visualization capabilities (Figure 5).
The pilot error-vector magnitude (EVM), data EVM, and average EVM can be plotted by subcarrier and by symbol. The tool also can report measurement EVM percentage values as well as magnitude error and pilot signals.
The tool supports the 802.11a protocol, but other user-defined protocols can be tested by loading a metadata file. Figure 5 also shows the ability to render constellation diagrams, which provide visualization of the phase angle and amplitude of the resulting modulated signal. The VSA software contains a full list of selectable measurement parameters, including such items as Q factor, data and pilot EVM, SNR, and phase error. It allows for analysis of up to eight data streams in parallel. User-defined Matlab blocks can be inserted at any point in the processing chain for complete customization of the DSP process.
In upcoming posts, we'll turn our attention to the acquisition and characterization of sensor signals.
Previous blogs in this series:
IoT Digital Power Management and Power Integrity
			    



