![]() | An Open-Source platform to create digital devices and interactive objects that sense and control physical devices. | Arduino Tutorials |
| Arduino Projects |
From now until Arduino Day we'll be going through the element14 community and doing roundup posts on Arduino.
There are a lot of great projects on the community that involve Arduinos, LEDs, and Lasers. Anything with LEDs and Lasers in it is sure to get everyone's attention! Over the holidays we had a Cool LED Display and The Holiday Special project competition as part of Project14 and that's where we're going to begin this roundup!
Cool LED Displays: Boost That LED! by jc2048
This involved a simple bit of experimenting with an Arduino. Rather than just light an LED, jc2048 decided to make it a little bit of a challenge and see if he could light a series string of seven LEDs. The red LEDs he used have a forward voltage of around 2V, so that means he needed something like 13V or 14V to get them illuminated. H could have just used a bench supply to provide the LED voltage but that's not much fun and wouldn't have made a very interesting blog so he generated the voltage from the Arduino's 5V with a very simple and crude boost converter.
How it works is the MOSFET is switched by the Arduino. When the Arduino pin goes high, the gate rises to something close to 5V and the MOSFET turns on. When the MOSFET is on it behaves much like a small value resistor would (in this case, a few ohms), so at this point it has 5V across the coil. The current through the coil can't change instantaneously, instead it starts to ramp up with the rate change dependent on inductance...
Slot Cars by koudelad
Traffic Light Controller from the clouds v0.1
Slot cars starting lights & from the clouds v0.1
Really well documented. Quite an elaborate traffic light controller. - Community Member Judge
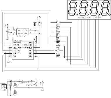
In this project kk99 shows you an infrared thermometer with MLX90614 sensor, seven segment display HP QDSP-6040 and ATtiny2313 MCU. The ATtiny2313 MCU communicates with a sensor by SMBus. Measured value of temperature is shown on display. Current per single segment of display is configured to 4.67 mA, so display can be easily driven directly from MCU. The power supply initially used a ML2020 battery, but it was replaced with 200 mAh battery with TP4056 charger module. The housing was made from epoxy resin.
Very nice. Good use of an unusual LED display. - Community Member Judge
In this project kk99 shows you an infrared thermometer with MLX90614 sensor, seven segment display HP QDSP-6040 and ATtiny2313 MCU. The ATtiny2313 MCU communicates with a sensor by SMBus. Measured value of temperature is shown on display. Current per single segment of display is configured to 4.67 mA, so display can be easily driven directly from MCU. The power supply initially used a ML2020 battery, but it was replaced with 200 mAh battery with TP4056 charger module. The housing was made from epoxy resin.
AR-Drone Arduino with programmable RGB LED string by rsc
rsc wanted to add some night lighting to his AR-Drone quadcopter. He started with 2 strings of RadioShack TM1803 programmable RGB LEDs and an Arduino micro.
The Arduino code uses this library:
FastLED LED animation library for Arduino (formerly FastSPI_LED)
There are 27 LEDs on each side, addressed as groups of 3.
The rubik's cube is the world's top selling puzzle game with about 350 million sold as of January 2009. kimpritzker always looked toward daily products in his life to look to see how he could build a stronger relationship between it and users. This beauty uses two Arduino microcontrollers to create an interactive product. For his project he used a desk lamp. The communication between remote control and object was made possible through Xbee wireless module.







