element14 Community
element14 Community
    Register Log In
  • Site
  • Search
  • Log In Register
  • Community Hub
    Community Hub
    • What's New on element14
    • Feedback and Support
    • Benefits of Membership
    • Personal Blogs
    • Members Area
    • Achievement Levels
  • Learn
    Learn
    • Ask an Expert
    • eBooks
    • element14 presents
    • Learning Center
    • Tech Spotlight
    • STEM Academy
    • Webinars, Training and Events
    • Learning Groups
  • Technologies
    Technologies
    • 3D Printing
    • FPGA
    • Industrial Automation
    • Internet of Things
    • Power & Energy
    • Sensors
    • Technology Groups
  • Challenges & Projects
    Challenges & Projects
    • Design Challenges
    • element14 presents Projects
    • Project14
    • Arduino Projects
    • Raspberry Pi Projects
    • Project Groups
  • Products
    Products
    • Arduino
    • Avnet & Tria Boards Community
    • Dev Tools
    • Manufacturers
    • Multicomp Pro
    • Product Groups
    • Raspberry Pi
    • RoadTests & Reviews
  • About Us
    About the element14 Community
  • Store
    Store
    • Visit Your Store
    • Choose another store...
      • Europe
      •  Austria (German)
      •  Belgium (Dutch, French)
      •  Bulgaria (Bulgarian)
      •  Czech Republic (Czech)
      •  Denmark (Danish)
      •  Estonia (Estonian)
      •  Finland (Finnish)
      •  France (French)
      •  Germany (German)
      •  Hungary (Hungarian)
      •  Ireland
      •  Israel
      •  Italy (Italian)
      •  Latvia (Latvian)
      •  
      •  Lithuania (Lithuanian)
      •  Netherlands (Dutch)
      •  Norway (Norwegian)
      •  Poland (Polish)
      •  Portugal (Portuguese)
      •  Romania (Romanian)
      •  Russia (Russian)
      •  Slovakia (Slovak)
      •  Slovenia (Slovenian)
      •  Spain (Spanish)
      •  Sweden (Swedish)
      •  Switzerland(German, French)
      •  Turkey (Turkish)
      •  United Kingdom
      • Asia Pacific
      •  Australia
      •  China
      •  Hong Kong
      •  India
      •  Japan
      •  Korea (Korean)
      •  Malaysia
      •  New Zealand
      •  Philippines
      •  Singapore
      •  Taiwan
      •  Thailand (Thai)
      •  Vietnam
      • Americas
      •  Brazil (Portuguese)
      •  Canada
      •  Mexico (Spanish)
      •  United States
      Can't find the country/region you're looking for? Visit our export site or find a local distributor.
  • Translate
  • Profile
  • Settings
Single-Board Computers
  • Products
  • Dev Tools
  • Single-Board Computers
  • More
  • Cancel
Single-Board Computers
Forum Differential Temperature Controller
  • Blog
  • Forum
  • Documents
  • Files
  • Members
  • Mentions
  • Sub-Groups
  • Tags
  • More
  • Cancel
  • New
Join Single-Board Computers to participate - click to join for free!
Actions
  • Share
  • More
  • Cancel
Forum Thread Details
  • State Verified Answer
  • Replies 22 replies
  • Subscribers 59 subscribers
  • Views 2940 views
  • Users 0 members are here
  • temperature
  • house
Related

Differential Temperature Controller

Former Member
Former Member over 11 years ago

What is the best way@ to control a whole house fan to run when the temperature outside is less than the temperature inside?

  • Sign in to reply
  • Cancel

Top Replies

  • Former Member
    Former Member over 11 years ago +1
    Folks, does this really have anything to do with Single-Board Computers ? If not, then perhaps move it to a more appropriate area ? element14jamie might be able to help with that if necessary
  • D_Hersey
    0 D_Hersey over 11 years ago

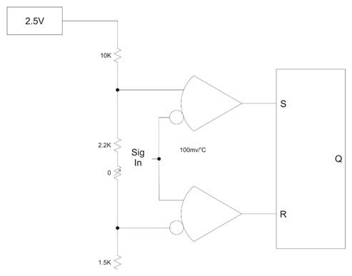
    image

    • Cancel
    • Vote Up 0 Vote Down
    • Sign in to reply
    • Verify Answer
    • Cancel
  • D_Hersey
    0 D_Hersey over 11 years ago

    image

    • Cancel
    • Vote Up 0 Vote Down
    • Sign in to reply
    • Verify Answer
    • Cancel
  • D_Hersey
    0 D_Hersey over 11 years ago

    image

    • Cancel
    • Vote Up 0 Vote Down
    • Sign in to reply
    • Verify Answer
    • Cancel
  • jw0752
    0 jw0752 over 11 years ago

    If you really want to go old school all you need are 2 mercury thermostats with SPDT switching. Use the cold level turn on outside and the warm level turn on inside. If you hook them in series they will only turn on your controller when it is colder than a certain level outside and warmer than a certain level inside. This will prevent situations where your house is already cold enough and a differential could still kick in and cool it more.

    • Cancel
    • Vote Up 0 Vote Down
    • Sign in to reply
    • Verify Answer
    • Cancel
  • D_Hersey
    0 D_Hersey over 11 years ago in reply to jw0752

    Those haven't been legal here in quite some time.  I can add that functionality to the circuit if desired.

    • Cancel
    • Vote Up 0 Vote Down
    • Sign in to reply
    • Verify Answer
    • Cancel
  • jw0752
    0 jw0752 over 11 years ago in reply to D_Hersey

    Oops I betray my age. You're surely right as mercury switches are not permitted. Guess I should have said cheap modern thermostats.

    • Cancel
    • Vote Up 0 Vote Down
    • Sign in to reply
    • Verify Answer
    • Cancel
  • D_Hersey
    0 D_Hersey over 11 years ago

    John, when did they discontinue leaded gas in your country?

    • Cancel
    • Vote Up 0 Vote Down
    • Sign in to reply
    • Verify Answer
    • Cancel
  • jw0752
    0 jw0752 over 11 years ago in reply to D_Hersey

    Hi Don,

    I don't remember exactly, but my country is your country. I'm 350 miles NW of you on I94.

    • Cancel
    • Vote Up 0 Vote Down
    • Sign in to reply
    • Verify Answer
    • Cancel
  • D_Hersey
    0 D_Hersey over 11 years ago in reply to jw0752

    That would be 'sconnie.  Ugh, it is, technically. . .

    Well, um, I do get up to Boscobel for the canoeing, younger son's GF is from St. Paul. . .

    Be positive, be positive,

    Yes, now I see how you have such keen insight into the arcane methods of yore!

     

    But. But.  Your English is flawless, was one of your parents German?

     

    -jk-

    • Cancel
    • Vote Up 0 Vote Down
    • Sign in to reply
    • Verify Answer
    • Cancel
  • michaelkellett
    0 michaelkellett over 11 years ago in reply to D_Hersey

    Actually it's kind of hard to justify analogue control systems at all any more. As soon as you need a mixture of logic, thresholds and time delays it's almost always cheaper and more relaible to use a micro. (I'm excluding "junk box" sourcing here). The nice thing about micros is that you can so easily adjust thresholds and have long time constants reliably at low cost. A (32 bit) micro with on chip ADC, timers etc etc will cost less than 50p in decent numbers - you can't get one reliable >5 minute time constant for that in analogue.

    For the experimental one off the micro pays back because it's so easy to connect it to a PC or tablet for monitoring during development - and when you realise that actually you need an extra input or two and some more logic there's no trouble in adding it.

     

    In about 1964 my father installed a central heating system with 100% mechanical "compensator" type controller - measured the outside temperature and adjusted the radiator water temperature accordingly - there was a copper bulb outside with a long flexible copper pipe to the controlelr/valve assembly near the boiler - elegant perhaps, with lot's of lovely machined metal parts, but not the way to do it now.

     

    MK

    • Cancel
    • Vote Up 0 Vote Down
    • Sign in to reply
    • Verify Answer
    • Cancel
<>
element14 Community

element14 is the first online community specifically for engineers. Connect with your peers and get expert answers to your questions.

  • Members
  • Learn
  • Technologies
  • Challenges & Projects
  • Products
  • Store
  • About Us
  • Feedback & Support
  • FAQs
  • Terms of Use
  • Privacy Policy
  • Legal and Copyright Notices
  • Sitemap
  • Cookies

An Avnet Company © 2026 Premier Farnell Limited. All Rights Reserved.

Premier Farnell Ltd, registered in England and Wales (no 00876412), registered office: Farnell House, Forge Lane, Leeds LS12 2NE.

ICP 备案号 10220084.

Follow element14

  • X
  • Facebook
  • linkedin
  • YouTube